AT28C64 64K Parallel EEPROM: Pinout, Equivalent and Datasheet
Memory IC AT28C64
The AT28C64 is a low-power, high-performance 8,192 words by 8-bit nonvolatile electrically erasable and programmable read only memory with popular, easy-to-use features. The device is manufactured with reliable nonvolatile technology. Furthermore, Huge range of Semiconductors, Capacitors, Resistors and IcS in stock. Welcome RFQ.

What Is EEPROM?
AT28C64 Pinout
The following figure is the diagram of AT28C64 Pinout.

Pinout
AT28C64 Description
The AT28C64 is a low-power, high-performance 8,192 words by 8-bit nonvolatile electrically erasable and programmable read only memory with popular, easy-to-use features. The device is manufactured with reliable nonvolatile technology. The AT28C64 is accessed like a Static RAM for the read or write cycles without the need for external components. During a byte write, the address and data are latched internally, freeing the microprocessor address and data bus for other operations. AT28C64 has additional features to ensure high quality and manufacturability. The device utilizes error correction internally for extended endurance and for improved data retention characteristics.
This article provides you with a basic overview of the AT28C64 64K Parallel EEPROM, including its pin descriptions, features and specifications, etc., to help you quickly understand what AT28C64 is.
AT28C64 Features
● Fast Read Access Time – 120 ns
● Fast Byte Write – 200 µs or 1 ms
● Self-timed Byte Write Cycle
◆ Internal Address and Data Latches
◆ Internal Control Timer
◆ Automatic Clear Before Write
● Direct Microprocessor Control
◆ READY/BUSY Open Drain Output
◆ DATA Polling
● Low Power
◆ 30 mA Active Current
◆ 100 µA CMOS Standby Current
● High Reliability
◆ Endurance: 104 or 105 Cycles
◆ Data Retention: 10 Years
● 5V ± 10% Supply
● CMOS and TTL Compatible Inputs and Outputs
● JEDEC Approved Byte-wide Pinout
● Commercial and Industrial Temperature Ranges
Specifications
- TypeParameter
- Mounting Type
The "Mounting Type" in electronic components refers to the method used to attach or connect a component to a circuit board or other substrate, such as through-hole, surface-mount, or panel mount.
Surface Mount - Package / Case
refers to the protective housing that encases an electronic component, providing mechanical support, electrical connections, and thermal management.
28-SOIC (0.295, 7.50mm Width) - Supplier Device Package
The parameter "Supplier Device Package" in electronic components refers to the physical packaging or housing of the component as provided by the supplier. It specifies the form factor, dimensions, and layout of the component, which are crucial for compatibility and integration into electronic circuits and systems. The supplier device package information typically includes details such as the package type (e.g., DIP, SOP, QFN), number of pins, pitch, and overall size, allowing engineers and designers to select the appropriate component for their specific application requirements. Understanding the supplier device package is essential for proper component selection, placement, and soldering during the manufacturing process to ensure optimal performance and reliability of the electronic system.
28-SOIC - Memory TypesNon-Volatile
- Operating Temperature
The operating temperature is the range of ambient temperature within which a power supply, or any other electrical equipment, operate in. This ranges from a minimum operating temperature, to a peak or maximum operating temperature, outside which, the power supply may fail.
0°C~70°C TC - Packaging
Semiconductor package is a carrier / shell used to contain and cover one or more semiconductor components or integrated circuits. The material of the shell can be metal, plastic, glass or ceramic.
Tube - Published1999
- Part Status
Parts can have many statuses as they progress through the configuration, analysis, review, and approval stages.
Obsolete - Moisture Sensitivity Level (MSL)
Moisture Sensitivity Level (MSL) is a standardized rating that indicates the susceptibility of electronic components, particularly semiconductors, to moisture-induced damage during storage and the soldering process, defining the allowable exposure time to ambient conditions before they require special handling or baking to prevent failures
2 (1 Year) - Voltage - Supply
Voltage - Supply refers to the range of voltage levels that an electronic component or circuit is designed to operate with. It indicates the minimum and maximum supply voltage that can be applied for the device to function properly. Providing supply voltages outside this range can lead to malfunction, damage, or reduced performance. This parameter is critical for ensuring compatibility between different components in a circuit.
4.5V~5.5V - Base Part Number
The "Base Part Number" (BPN) in electronic components serves a similar purpose to the "Base Product Number." It refers to the primary identifier for a component that captures the essential characteristics shared by a group of similar components. The BPN provides a fundamental way to reference a family or series of components without specifying all the variations and specific details.
AT28C64 - Memory Size
The memory capacity is the amount of data a device can store at any given time in its memory.
64Kb 8K x 8 - Access Time
Access time in electronic components refers to the amount of time it takes for a system to retrieve data from memory or storage once a request has been made. It is typically measured in nanoseconds or microseconds and indicates the speed at which data can be accessed. Lower access time values signify faster performance, allowing for more efficient processing in computing systems. Access time is a critical parameter in determining the overall responsiveness of electronic devices, particularly in applications requiring quick data retrieval.
120ns - Memory Format
Memory Format in electronic components refers to the specific organization and structure of data storage within a memory device. It defines how data is stored, accessed, and managed within the memory module. Different memory formats include RAM (Random Access Memory), ROM (Read-Only Memory), and various types of flash memory. The memory format determines the speed, capacity, and functionality of the memory device, and it is crucial for compatibility with other components in a system. Understanding the memory format is essential for selecting the right memory module for a particular application or device.
EEPROM - Memory Interface
An external memory interface is a bus protocol for communication from an integrated circuit, such as a microprocessor, to an external memory device located on a circuit board.
Parallel - Write Cycle Time - Word, Page
Write Cycle Time - Word, Page refers to the duration required to write data to a specific memory cell or a page of memory in electronic components, particularly in non-volatile memories like Flash or EEPROM. It indicates the time taken to complete a writing operation for a single word or an entire page of data. This parameter is crucial for determining the performance and speed of memory devices in applications where quick data storage is essential. It impacts the overall efficiency in data handling, affecting both read and write speeds in memory-related operations.
1ms - RoHS Status
RoHS means “Restriction of Certain Hazardous Substances” in the “Hazardous Substances Directive” in electrical and electronic equipment.
Non-RoHS Compliant
AT28C64 Functional Block Diagram
The following is the Block Diagram of AT28C64.

Block Diagram
AT28C64 Equivalent
| Model number | Manufacturer | Description |
| CAT28C65BHJ-12TE7 | Catalyst Semiconductor | EEPROM, 8KX8, 120ns, Parallel, CMOS, PDSO28, 0.300 INCH, SOIC-28 |
| AT28C64E-12SL | Atmel Corporation | EEPROM, 8KX8, 120ns, Parallel, CMOS, PDSO28, 0.300 INCH, PLASTIC, SOIC-28 |
| CAT28C64BXI-12TE7 | Catalyst Semiconductor | EEPROM, 8KX8, 120ns, Parallel, CMOS, PDSO28, 0.300 INCH, EIAJ, SOIC-28 |
| CAT28C65BW-12TE7 | On Semiconductor | 8KX8 EEPROM 5V, 120ns, PDSO28, 0.300 INCH, SOIC-28 |
| CAT28C65BFJI-12TE7 | Catalyst Semiconductor | EEPROM, 8KX8, 120ns, Parallel, CMOS, PDSO28, 0.300 INCH, SOIC-28 |
| CAT28C65BFJI-12TE13 | On Semiconductor | IC 8K X 8 EEPROM 5V, 120 ns, PDSO28, 0.300 INCH, SOIC-28, Programmable ROM |
| AT28C64-12SJT/R | Atmel Corporation | EEPROM, 8KX8, 120ns, Parallel, CMOS, PDSO28, 0.300 INCH, PLASTIC, SOIC-28 |
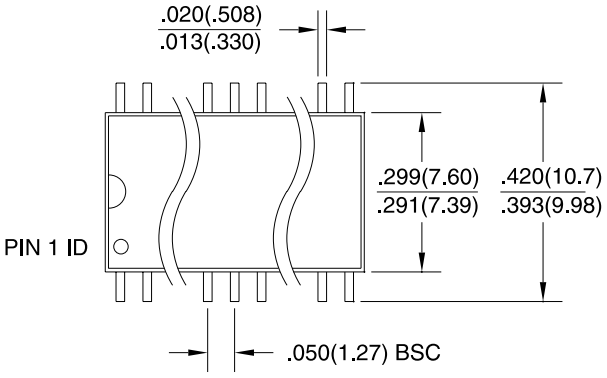
AT28C64 Package
The following diagrams show the AT28C64 Package.

View A

View B

View C
AT28C64 Manufacturer
Microchip Technology Inc. is a leading provider of microcontroller and analog semiconductors, providing low-risk product development, lower total system cost and faster time to market for thousands of diverse customer applications worldwide. Headquartered in Chandler, Arizona, Microchip offers outstanding technical support along with dependable delivery and quality.
Datasheet PDF
- Datasheets :
- PCN Obsolescence/ EOL :
- PCN Packaging :
How many pins of AT28C64-12SC?
28 Pins.
What’s the operating temperature of AT28C64-12SC?
0°C~70°C TC.
What is the essential property of the AT28C64?
The AT28C64 is a low-power, high-performance 8,192 words by 8-bit nonvolatile electrically erasable and programmable read only memory with popular, easy-to-use features.
2N7002V N-Channel MOSFET: Pinout, Datasheet and Application09 July 2021470
LM385 Voltage Regulator Diode: Pinout, Equivalent and Datasheet01 December 20216551
1N34A Diode: Datasheet, Circuit and Alternatives27 August 20219632
PIC24FJ128GB204 Microcontroller Datasheet Overview29 February 202468
MCP1700 LDO voltage regulator: Datasheet, Pinout, Circuit03 September 20217410
2N5486 Transistor: 2N5486 vs. MPF102, Equivalent, Datasheet18 April 20224175
STM32F070CBT6 Microcontroller: 48MHz,48-LQFP, Pinout and Features15 February 20221749
A6210 LED Driver: Datasheet, Pinout, Alternatives15 September 2021738
How to Select a Digital Isolator?12 April 20214701
An Overview of Digital Signal Processor31 October 20257668
What is PCB Reflow? High-Speed Signal Reflow Path Analysis24 November 20212651
Optimizations and applications of wide-band gap (wbg) semiconductor devices for ev systems28 October 20221955
Comparing Bridge Rectifiers and Full Wave Rectifiers for Beginners05 July 20254182
What is SPI (Serial Perripheral Interface)?25 November 20213889
Semiconductor Market Poised for Strong Rebound in 2024, Predicts WSTS11 December 20232965
A Beginner's Guide to the 2N5551 Transistor and Its Uses27 May 20251336
Microchip Technology
In Stock
United States
China
Canada
Japan
Russia
Germany
United Kingdom
Singapore
Italy
Hong Kong(China)
Taiwan(China)
France
Korea
Mexico
Netherlands
Malaysia
Austria
Spain
Switzerland
Poland
Thailand
Vietnam
India
United Arab Emirates
Afghanistan
Åland Islands
Albania
Algeria
American Samoa
Andorra
Angola
Anguilla
Antigua & Barbuda
Argentina
Armenia
Aruba
Australia
Azerbaijan
Bahamas
Bahrain
Bangladesh
Barbados
Belarus
Belgium
Belize
Benin
Bermuda
Bhutan
Bolivia
Bonaire, Sint Eustatius and Saba
Bosnia & Herzegovina
Botswana
Brazil
British Indian Ocean Territory
British Virgin Islands
Brunei
Bulgaria
Burkina Faso
Burundi
Cabo Verde
Cambodia
Cameroon
Cayman Islands
Central African Republic
Chad
Chile
Christmas Island
Cocos (Keeling) Islands
Colombia
Comoros
Congo
Congo (DRC)
Cook Islands
Costa Rica
Côte d’Ivoire
Croatia
Cuba
Curaçao
Cyprus
Czechia
Denmark
Djibouti
Dominica
Dominican Republic
Ecuador
Egypt
El Salvador
Equatorial Guinea
Eritrea
Estonia
Eswatini
Ethiopia
Falkland Islands
Faroe Islands
Fiji
Finland
French Guiana
French Polynesia
Gabon
Gambia
Georgia
Ghana
Gibraltar
Greece
Greenland
Grenada
Guadeloupe
Guam
Guatemala
Guernsey
Guinea
Guinea-Bissau
Guyana
Haiti
Honduras
Hungary
Iceland
Indonesia
Iran
Iraq
Ireland
Isle of Man
Israel
Jamaica
Jersey
Jordan
Kazakhstan
Kenya
Kiribati
Kosovo
Kuwait
Kyrgyzstan
Laos
Latvia
Lebanon
Lesotho
Liberia
Libya
Liechtenstein
Lithuania
Luxembourg
Macao(China)
Madagascar
Malawi
Maldives
Mali
Malta
Marshall Islands
Martinique
Mauritania
Mauritius
Mayotte
Micronesia
Moldova
Monaco
Mongolia
Montenegro
Montserrat
Morocco
Mozambique
Myanmar
Namibia
Nauru
Nepal
New Caledonia
New Zealand
Nicaragua
Niger
Nigeria
Niue
Norfolk Island
North Korea
North Macedonia
Northern Mariana Islands
Norway
Oman
Pakistan
Palau
Palestinian Authority
Panama
Papua New Guinea
Paraguay
Peru
Philippines
Pitcairn Islands
Portugal
Puerto Rico
Qatar
Réunion
Romania
Rwanda
Samoa
San Marino
São Tomé & Príncipe
Saudi Arabia
Senegal
Serbia
Seychelles
Sierra Leone
Sint Maarten
Slovakia
Slovenia
Solomon Islands
Somalia
South Africa
South Sudan
Sri Lanka
St Helena, Ascension, Tristan da Cunha
St. Barthélemy
St. Kitts & Nevis
St. Lucia
St. Martin
St. Pierre & Miquelon
St. Vincent & Grenadines
Sudan
Suriname
Svalbard & Jan Mayen
Sweden
Syria
Tajikistan
Tanzania
Timor-Leste
Togo
Tokelau
Tonga
Trinidad & Tobago
Tunisia
Turkey
Turkmenistan
Turks & Caicos Islands
Tuvalu
U.S. Outlying Islands
U.S. Virgin Islands
Uganda
Ukraine
Uruguay
Uzbekistan
Vanuatu
Vatican City
Venezuela
Wallis & Futuna
Yemen
Zambia
Zimbabwe















