CD4543BE: Datasheet, Circuit, and Pinout
Active DUAL 5V V Display Drivers ICs Tube
The CD4543BE is a BCD-to-seven segment latch/decoder/driver designed primarily for liquid-crystal display (LCD) applications.

CD4543BE Types CMOS BCD-to-Seven-Segment Latch/Decoder/Driver for Liquid-Crystal Displays
CD4543BE Description
The CD4543BE is a BCD-to-seven segment latch/decoder/driver designed primarily for liquid-crystal display (LCD) applications. It is also capable of driving light-emitting diode (LED), incandescent, gas-discharge, and fluorescent displays.
CD4543BE Pinout

CD4543BE CAD Model
Symbol

Footprint

3D Model

CD4543BE Features
Display blanking of all illegal input combinations
Latch storage of code
Capability of driving two low power TTL loads, two HTL loads, or one low power Schottky load over the full rated temperature range
Pin-for-pin replacement for the CD4056B (with pin 7 tied to VSS)
Direct LED driving capability
100% tested for quiescent current at 20 V
Maximum input current of 1 µA at 18 V over full package-temperature range; 100 nA at 18 V and 25°C
Noise margin (full package-temperature range) =
1 V at VDD = 5 V
2 V at VDD = 10 V
2.5 V at VDD = 15 V
5-V, 10-V, and 15-V parametric ratings
Meets all requirements of JEDEC Tentative Standard No. 13B, "Standard Specifications for Description of ’B’ Series CMOS Devices"
Specifications
- TypeParameter
- Lifecycle Status
Lifecycle Status refers to the current stage of an electronic component in its product life cycle, indicating whether it is active, obsolete, or transitioning between these states. An active status means the component is in production and available for purchase. An obsolete status indicates that the component is no longer being manufactured or supported, and manufacturers typically provide a limited time frame for support. Understanding the lifecycle status is crucial for design engineers to ensure continuity and reliability in their projects.
ACTIVE (Last Updated: 5 days ago) - Factory Lead Time6 Weeks
- Contact Plating
Contact plating (finish) provides corrosion protection for base metals and optimizes the mechanical and electrical properties of the contact interfaces.
Gold - Mounting Type
The "Mounting Type" in electronic components refers to the method used to attach or connect a component to a circuit board or other substrate, such as through-hole, surface-mount, or panel mount.
Through Hole - Package / Case
refers to the protective housing that encases an electronic component, providing mechanical support, electrical connections, and thermal management.
16-DIP (0.300, 7.62mm) - Surface Mount
having leads that are designed to be soldered on the side of a circuit board that the body of the component is mounted on.
NO - Number of Pins16
- Weight951.693491mg
- Operating Temperature
The operating temperature is the range of ambient temperature within which a power supply, or any other electrical equipment, operate in. This ranges from a minimum operating temperature, to a peak or maximum operating temperature, outside which, the power supply may fail.
-55°C~125°C - Packaging
Semiconductor package is a carrier / shell used to contain and cover one or more semiconductor components or integrated circuits. The material of the shell can be metal, plastic, glass or ceramic.
Tube - JESD-609 Code
The "JESD-609 Code" in electronic components refers to a standardized marking code that indicates the lead-free solder composition and finish of electronic components for compliance with environmental regulations.
e4 - Part Status
Parts can have many statuses as they progress through the configuration, analysis, review, and approval stages.
Active - Moisture Sensitivity Level (MSL)
Moisture Sensitivity Level (MSL) is a standardized rating that indicates the susceptibility of electronic components, particularly semiconductors, to moisture-induced damage during storage and the soldering process, defining the allowable exposure time to ambient conditions before they require special handling or baking to prevent failures
1 (Unlimited) - Number of Terminations16
- ECCN Code
An ECCN (Export Control Classification Number) is an alphanumeric code used by the U.S. Bureau of Industry and Security to identify and categorize electronic components and other dual-use items that may require an export license based on their technical characteristics and potential for military use.
EAR99 - Voltage - Supply
Voltage - Supply refers to the range of voltage levels that an electronic component or circuit is designed to operate with. It indicates the minimum and maximum supply voltage that can be applied for the device to function properly. Providing supply voltages outside this range can lead to malfunction, damage, or reduced performance. This parameter is critical for ensuring compatibility between different components in a circuit.
3V~18V - Terminal Position
In electronic components, the term "Terminal Position" refers to the physical location of the connection points on the component where external electrical connections can be made. These connection points, known as terminals, are typically used to attach wires, leads, or other components to the main body of the electronic component. The terminal position is important for ensuring proper connectivity and functionality of the component within a circuit. It is often specified in technical datasheets or component specifications to help designers and engineers understand how to properly integrate the component into their circuit designs.
DUAL - Number of Functions1
- Supply Voltage
Supply voltage refers to the electrical potential difference provided to an electronic component or circuit. It is crucial for the proper operation of devices, as it powers their functions and determines performance characteristics. The supply voltage must be within specified limits to ensure reliability and prevent damage to components. Different electronic devices have specific supply voltage requirements, which can vary widely depending on their design and intended application.
5V - Base Part Number
The "Base Part Number" (BPN) in electronic components serves a similar purpose to the "Base Product Number." It refers to the primary identifier for a component that captures the essential characteristics shared by a group of similar components. The BPN provides a fundamental way to reference a family or series of components without specifying all the variations and specific details.
CD4543 - Pin Count
a count of all of the component leads (or pins)
16 - Number of Outputs7
- Polarity
In electronic components, polarity refers to the orientation or direction in which the component must be connected in a circuit to function properly. Components such as diodes, capacitors, and LEDs have polarity markings to indicate which terminal should be connected to the positive or negative side of the circuit. Connecting a component with incorrect polarity can lead to malfunction or damage. It is important to pay attention to polarity markings and follow the manufacturer's instructions to ensure proper operation of electronic components.
Non-Inverting - Supply Voltage-Min (Vsup)
The parameter "Supply Voltage-Min (Vsup)" in electronic components refers to the minimum voltage level required for the component to operate within its specified performance range. This parameter indicates the lowest voltage that can be safely applied to the component without risking damage or malfunction. It is crucial to ensure that the supply voltage provided to the component meets or exceeds this minimum value to ensure proper functionality and reliability. Failure to adhere to the specified minimum supply voltage may result in erratic behavior, reduced performance, or even permanent damage to the component.
3V - Configuration
The parameter "Configuration" in electronic components refers to the specific arrangement or setup of the components within a circuit or system. It encompasses how individual elements are interconnected and their physical layout. Configuration can affect the functionality, performance, and efficiency of the electronic system, and may influence factors such as signal flow, impedance, and power distribution. Understanding the configuration is essential for design, troubleshooting, and optimizing electronic devices.
7 Segment - Interface
In electronic components, the term "Interface" refers to the point at which two different systems, devices, or components connect and interact with each other. It can involve physical connections such as ports, connectors, or cables, as well as communication protocols and standards that facilitate the exchange of data or signals between the connected entities. The interface serves as a bridge that enables seamless communication and interoperability between different parts of a system or between different systems altogether. Designing a reliable and efficient interface is crucial in ensuring proper functionality and performance of electronic components and systems.
BCD - Number of Circuits1
- Operating Supply Current
Operating Supply Current, also known as supply current or quiescent current, is a crucial parameter in electronic components that indicates the amount of current required for the device to operate under normal conditions. It represents the current drawn by the component from the power supply while it is functioning. This parameter is important for determining the power consumption of the component and is typically specified in datasheets to help designers calculate the overall power requirements of their circuits. Understanding the operating supply current is essential for ensuring proper functionality and efficiency of electronic systems.
40nA - Load Capacitance
the amount of capacitance measured or computed across the crystal terminals on the PCB. Frequency Tolerance. Frequency tolerance refers to the allowable deviation from nominal, in parts per million (PPM), at a specific temperature, usually +25°C.
50pF - Number of Bits7
- Propagation Delay
the flight time of packets over the transmission link and is limited by the speed of light.
400 ns - Quiescent Current
The quiescent current is defined as the current level in the amplifier when it is producing an output of zero.
100μA - Turn On Delay Time
Turn-on delay, td(on), is the time taken to charge the input capacitance of the device before drain current conduction can start.
1.2 μs - Min Input Voltage
The parameter "Min Input Voltage" in electronic components refers to the minimum voltage level that must be applied to the component for it to operate within its specified parameters. This value is crucial as providing a voltage below this minimum threshold may result in the component malfunctioning or not functioning at all. It is important to adhere to the specified minimum input voltage to ensure the proper operation and longevity of the electronic component. Failure to meet this requirement may lead to potential damage to the component or the overall system in which it is used.
3V - Logic Function
In electronic components, the term "Logic Function" refers to the specific operation or behavior of a component based on its input signals. It describes how the component processes the input signals to produce the desired output. Logic functions are fundamental to digital circuits and are used to perform logical operations such as AND, OR, NOT, and XOR.Each electronic component, such as logic gates or flip-flops, is designed to perform a specific logic function based on its internal circuitry. By understanding the logic function of a component, engineers can design and analyze complex digital systems to ensure proper functionality and performance. Different logic functions can be combined to create more complex operations, allowing for the creation of sophisticated digital devices and systems.
Decoder, Demultiplexer - Number of Inputs4
- Logic IC Type
Logic IC Type refers to the type of integrated circuit (IC) that is specifically designed to perform logical operations. These ICs are commonly used in digital electronic devices to process and manipulate binary data according to predefined logic functions. The Logic IC Type parameter typically specifies the specific logic family or technology used in the IC, such as TTL (Transistor-Transistor Logic), CMOS (Complementary Metal-Oxide-Semiconductor), or ECL (Emitter-Coupled Logic). Understanding the Logic IC Type is important for selecting the appropriate IC for a given application, as different logic families have varying characteristics in terms of speed, power consumption, and noise immunity.
SEVEN SEGMENT DECODER/DRIVER - Display Type
Display Type in electronic components refers to the technology used to display information or visuals on a screen or panel. It describes the specific method or technology employed to present data, such as LCD (Liquid Crystal Display), OLED (Organic Light-Emitting Diode), LED (Light-Emitting Diode), or CRT (Cathode Ray Tube). Each display type has its own characteristics, including factors like resolution, color accuracy, viewing angles, power consumption, and response time. Choosing the right display type is crucial for determining the quality and performance of the visual output in electronic devices, such as smartphones, TVs, monitors, and digital signage.
LCD - High Level Output Current
High-level Output Current IOH The current flowing into the output at a specified high- level voltage. Low-level Output Current IOL The current flowing into the output at a specified low- level output voltage.
-3.33mA - Low Level Output Current
The current into the output terminal with input conditions applied that, according to the product specification, will establish a low level at the output.
4.2mA - Power Supply Current-Max (ICC)
The parameter "Power Supply Current-Max (ICC)" in electronic components refers to the maximum amount of current that the component will draw from the power supply under specified operating conditions. It is an important specification as it helps determine the power consumption of the component and ensures that the power supply can provide enough current to meet the component's requirements without being overloaded. Exceeding the maximum power supply current can lead to overheating, component damage, or system failure. Designers use this parameter to select an appropriate power supply and ensure the reliable operation of the electronic system.
0.3mA - Input Conditioning
Input conditioning refers to the process of preparing an input signal for processing by electronic components or systems. This involves filtering, amplifying, and converting the signal to ensure it meets the required specifications for accurate interpretation and processing. Input conditioning typically aims to reduce noise, adjust signal levels, and ensure compatibility with the receiving system's input requirements. It is a critical step in ensuring reliable and accurate performance of electronic devices.
LATCHED - Digits or Characters
The parameter "Digits or Characters" in electronic components refers to the type of display or output that the component provides. This parameter indicates whether the component displays numerical digits, such as numbers, or alphanumeric characters, which include both letters and numbers. Components with a "Digits" display typically show numerical values only, making them suitable for applications where numerical data is the primary output. On the other hand, components with a "Characters" display can show both numbers and letters, offering more flexibility in displaying information or messages.When selecting electronic components, understanding whether they provide a "Digits" or "Characters" display can help ensure compatibility with the intended application and the type of information that needs to be displayed.
1 Digit - Height5.08mm
- Length19.3mm
- Width6.35mm
- Thickness
Thickness in electronic components refers to the measurement of how thick a particular material or layer is within the component structure. It can pertain to various aspects, such as the thickness of a substrate, a dielectric layer, or conductive traces. This parameter is crucial as it impacts the electrical, mechanical, and thermal properties of the component, influencing its performance and reliability in electronic circuits.
3.9mm - REACH SVHC
The parameter "REACH SVHC" in electronic components refers to the compliance with the Registration, Evaluation, Authorization, and Restriction of Chemicals (REACH) regulation regarding Substances of Very High Concern (SVHC). SVHCs are substances that may have serious effects on human health or the environment, and their use is regulated under REACH to ensure their safe handling and minimize their impact.Manufacturers of electronic components need to declare if their products contain any SVHCs above a certain threshold concentration and provide information on the safe use of these substances. This information allows customers to make informed decisions about the potential risks associated with using the components and take appropriate measures to mitigate any hazards.Ensuring compliance with REACH SVHC requirements is essential for electronics manufacturers to meet regulatory standards, protect human health and the environment, and maintain transparency in their supply chain. It also demonstrates a commitment to sustainability and responsible manufacturing practices in the electronics industry.
No SVHC - Radiation Hardening
Radiation hardening is the process of making electronic components and circuits resistant to damage or malfunction caused by high levels of ionizing radiation, especially for environments in outer space (especially beyond the low Earth orbit), around nuclear reactors and particle accelerators, or during nuclear accidents or nuclear warfare.
No - RoHS Status
RoHS means “Restriction of Certain Hazardous Substances” in the “Hazardous Substances Directive” in electrical and electronic equipment.
ROHS3 Compliant - Lead Free
Lead Free is a term used to describe electronic components that do not contain lead as part of their composition. Lead is a toxic material that can have harmful effects on human health and the environment, so the electronics industry has been moving towards lead-free components to reduce these risks. Lead-free components are typically made using alternative materials such as silver, copper, and tin. Manufacturers must comply with regulations such as the Restriction of Hazardous Substances (RoHS) directive to ensure that their products are lead-free and environmentally friendly.
Lead Free
CD4543BE Logic Circuit Diagram
CD4543BE Test Circuits

CD4543BE Quiescent Device Current Test Circuit

CD4543BE Input Voltage Test Circuit

CD4543BE Input Current Test Circuit
CD4543BE Functional Alternatives

CD4543BE vs CD4056B
The CD5453BE is functionally similar to and serves as a direct replacement for the CD4056B when pin 7 is connected to VSS. It differs from the CD4056B in that it has a display blanking capability instead of a level-shifting function and requires only one power supply. When the CD4056B is used in the level shifting mode, two power supplies are required. When the CD4543B is used for LCD applications, a square wave must be applied to the PHASE input and the backplane of the LCD device. For LED applications a logic 1 is required at the PHASE input for common-cathode devices; a logic 0 is required for common-anode devices.
CD4543BE Applications
Instrument display driver
Dashboard display driver
Computer/calculator display driver
Timing device driver (clocks, watches, timers)
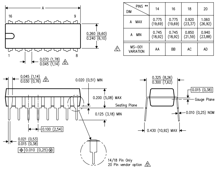
CD4543BE Package

CD4543BE Manufacturer
As a global semiconductor company operating in 35 countries, Texas Instruments (TI) is first and foremost a reflection of its people. From the TIer who unveiled the first working integrated circuit in 1958 to the more than 30,000 TIers around the world today who design, manufacture and sell analog and embedded processing chips, we are problem-solvers collaborating to change the world through technology.
Trend Analysis
Datasheet PDF
- PCN Design/Specification :
- Datasheets :
CD4543BE-Texas-Instruments-datasheet-34136533.pdf
CD4543BE-Texas-Instruments-datasheet-11538202.pdf
CD4543BE-Texas-Instruments-datasheet-14155128.pdf
CD4543BE-Texas-Instruments-datasheet-562746.pdf
CD4543BE-Texas-Instruments-datasheet-8317647.pdf
CD4543BE-Texas-Instruments-datasheet-35349.pdf
1.What is CD4543BE?
The CD4543BE is a BCD-to-seven segment latch/decoder/driver designed primarily for liquid-crystal display (LCD) applications. It is also capable of driving light-emitting diode (LED), incandescent, gas-discharge, and fluorescent displays.
TC1044SCPA Charge Pump Switching Regulator IC: Pinout, Equivalent, TC1044SCPA VS LM2574N-ADJG09 February 20222132
KSZ9031RNXCA Transceiver Full Ethernet 48-QFN: KSZ9031RNXCA VS KSZ9021RNI, and Equivalents15 February 2022528
CN3065 Mini Solar Charger Module: How to use the CN3065?16 May 20254084
TPS92612QDBVRQ1 LED Driver: CAD Models, Datasheet, and Pinout22 March 2022401
Xilinx XC95144XL-10TQG144I CPLD: Features, Performance and Applications07 June 2025293
MP160 Quartz Crystal: Application, Pinout, Datasheet06 August 2021357
LM2902DG Op-Amp: Pinout, Equivalent and Datasheet06 December 20212402
POWERSTEP01: Overview, Features, and ApplicationsPOWERSTEP01: Overview, Features, and Applications30 November 2023934
Introduction to VOC Sensor22 October 20214839
The Different Types of Circuit Breakers and Their Applications11 April 20236003
The Rise of Semiconductor Stocks in the Tech Boom05 December 20232148
Assessing the Effectiveness of Transient Voltage Suppressors in Modern Electronics05 June 2025217
This New Material Promises to Be the Best Semiconductor25 July 2022928
Utmel Christmas and New Year Carnival07 December 20202376
Will MicroLED replace LCD and OLED?31 August 20213047
Solid-state Drive (SSD): Classification and Architecture22 May 202115139
Texas Instruments
In Stock: 225
United States
China
Canada
Japan
Russia
Germany
United Kingdom
Singapore
Italy
Hong Kong(China)
Taiwan(China)
France
Korea
Mexico
Netherlands
Malaysia
Austria
Spain
Switzerland
Poland
Thailand
Vietnam
India
United Arab Emirates
Afghanistan
Åland Islands
Albania
Algeria
American Samoa
Andorra
Angola
Anguilla
Antigua & Barbuda
Argentina
Armenia
Aruba
Australia
Azerbaijan
Bahamas
Bahrain
Bangladesh
Barbados
Belarus
Belgium
Belize
Benin
Bermuda
Bhutan
Bolivia
Bonaire, Sint Eustatius and Saba
Bosnia & Herzegovina
Botswana
Brazil
British Indian Ocean Territory
British Virgin Islands
Brunei
Bulgaria
Burkina Faso
Burundi
Cabo Verde
Cambodia
Cameroon
Cayman Islands
Central African Republic
Chad
Chile
Christmas Island
Cocos (Keeling) Islands
Colombia
Comoros
Congo
Congo (DRC)
Cook Islands
Costa Rica
Côte d’Ivoire
Croatia
Cuba
Curaçao
Cyprus
Czechia
Denmark
Djibouti
Dominica
Dominican Republic
Ecuador
Egypt
El Salvador
Equatorial Guinea
Eritrea
Estonia
Eswatini
Ethiopia
Falkland Islands
Faroe Islands
Fiji
Finland
French Guiana
French Polynesia
Gabon
Gambia
Georgia
Ghana
Gibraltar
Greece
Greenland
Grenada
Guadeloupe
Guam
Guatemala
Guernsey
Guinea
Guinea-Bissau
Guyana
Haiti
Honduras
Hungary
Iceland
Indonesia
Iran
Iraq
Ireland
Isle of Man
Israel
Jamaica
Jersey
Jordan
Kazakhstan
Kenya
Kiribati
Kosovo
Kuwait
Kyrgyzstan
Laos
Latvia
Lebanon
Lesotho
Liberia
Libya
Liechtenstein
Lithuania
Luxembourg
Macao(China)
Madagascar
Malawi
Maldives
Mali
Malta
Marshall Islands
Martinique
Mauritania
Mauritius
Mayotte
Micronesia
Moldova
Monaco
Mongolia
Montenegro
Montserrat
Morocco
Mozambique
Myanmar
Namibia
Nauru
Nepal
New Caledonia
New Zealand
Nicaragua
Niger
Nigeria
Niue
Norfolk Island
North Korea
North Macedonia
Northern Mariana Islands
Norway
Oman
Pakistan
Palau
Palestinian Authority
Panama
Papua New Guinea
Paraguay
Peru
Philippines
Pitcairn Islands
Portugal
Puerto Rico
Qatar
Réunion
Romania
Rwanda
Samoa
San Marino
São Tomé & Príncipe
Saudi Arabia
Senegal
Serbia
Seychelles
Sierra Leone
Sint Maarten
Slovakia
Slovenia
Solomon Islands
Somalia
South Africa
South Sudan
Sri Lanka
St Helena, Ascension, Tristan da Cunha
St. Barthélemy
St. Kitts & Nevis
St. Lucia
St. Martin
St. Pierre & Miquelon
St. Vincent & Grenadines
Sudan
Suriname
Svalbard & Jan Mayen
Sweden
Syria
Tajikistan
Tanzania
Timor-Leste
Togo
Tokelau
Tonga
Trinidad & Tobago
Tunisia
Turkey
Turkmenistan
Turks & Caicos Islands
Tuvalu
U.S. Outlying Islands
U.S. Virgin Islands
Uganda
Ukraine
Uruguay
Uzbekistan
Vanuatu
Vatican City
Venezuela
Wallis & Futuna
Yemen
Zambia
Zimbabwe




















