DS1693 RTC: Datasheet, Pinout, Features
28 Terminations 3V 28 Pin DS1693 Real Time Clocks 0.032MHz
The DS1693 is a real-time clock (RTC) designed as a successor to the industry standard DS1285, DS1385, DS1485, and DS1585 PC real-time clocks.
DS1693 Pinout

DS1693 CAD Model
Footprint

DS1693 Description
The DS1693 is a real-time clock (RTC) designed as successors to the industry standard DS1285, DS1385, DS1485, and DS1585 PC real-time clocks. The device provides the industry-standard DS1285 clock function with the new feature of either +3.0V or +5.0V operation and automatic backup and writes protection to an external SRAM.
Specifications
- TypeParameter
- Mount
In electronic components, the term "Mount" typically refers to the method or process of physically attaching or fixing a component onto a circuit board or other electronic device. This can involve soldering, adhesive bonding, or other techniques to secure the component in place. The mounting process is crucial for ensuring proper electrical connections and mechanical stability within the electronic system. Different components may have specific mounting requirements based on their size, shape, and function, and manufacturers provide guidelines for proper mounting procedures to ensure optimal performance and reliability of the electronic device.
Through Hole - Mounting Type
The "Mounting Type" in electronic components refers to the method used to attach or connect a component to a circuit board or other substrate, such as through-hole, surface-mount, or panel mount.
Through Hole - Package / Case
refers to the protective housing that encases an electronic component, providing mechanical support, electrical connections, and thermal management.
28-DIP Module (0.600, 15.24mm) - Number of Pins28
- Operating Temperature
The operating temperature is the range of ambient temperature within which a power supply, or any other electrical equipment, operate in. This ranges from a minimum operating temperature, to a peak or maximum operating temperature, outside which, the power supply may fail.
0°C~70°C - Packaging
Semiconductor package is a carrier / shell used to contain and cover one or more semiconductor components or integrated circuits. The material of the shell can be metal, plastic, glass or ceramic.
Tube - Published2005
- JESD-609 Code
The "JESD-609 Code" in electronic components refers to a standardized marking code that indicates the lead-free solder composition and finish of electronic components for compliance with environmental regulations.
e0 - Pbfree Code
The "Pbfree Code" parameter in electronic components refers to the code or marking used to indicate that the component is lead-free. Lead (Pb) is a toxic substance that has been widely used in electronic components for many years, but due to environmental concerns, there has been a shift towards lead-free alternatives. The Pbfree Code helps manufacturers and users easily identify components that do not contain lead, ensuring compliance with regulations and promoting environmentally friendly practices. It is important to pay attention to the Pbfree Code when selecting electronic components to ensure they meet the necessary requirements for lead-free applications.
no - Part Status
Parts can have many statuses as they progress through the configuration, analysis, review, and approval stages.
Obsolete - Moisture Sensitivity Level (MSL)
Moisture Sensitivity Level (MSL) is a standardized rating that indicates the susceptibility of electronic components, particularly semiconductors, to moisture-induced damage during storage and the soldering process, defining the allowable exposure time to ambient conditions before they require special handling or baking to prevent failures
1 (Unlimited) - Number of Terminations28
- ECCN Code
An ECCN (Export Control Classification Number) is an alphanumeric code used by the U.S. Bureau of Industry and Security to identify and categorize electronic components and other dual-use items that may require an export license based on their technical characteristics and potential for military use.
EAR99 - TypeClock/Calendar
- Terminal Finish
Terminal Finish refers to the surface treatment applied to the terminals or leads of electronic components to enhance their performance and longevity. It can improve solderability, corrosion resistance, and overall reliability of the connection in electronic assemblies. Common finishes include nickel, gold, and tin, each possessing distinct properties suitable for various applications. The choice of terminal finish can significantly impact the durability and effectiveness of electronic devices.
Tin/Lead (Sn/Pb) - Additional Feature
Any Feature, including a modified Existing Feature, that is not an Existing Feature.
CAN ALSO OPERATE WITH 5V SUPPLY - HTS Code
HTS (Harmonized Tariff Schedule) codes are product classification codes between 8-1 digits. The first six digits are an HS code, and the countries of import assign the subsequent digits to provide additional classification. U.S. HTS codes are 1 digits and are administered by the U.S. International Trade Commission.
8542.39.00.01 - Voltage - Supply
Voltage - Supply refers to the range of voltage levels that an electronic component or circuit is designed to operate with. It indicates the minimum and maximum supply voltage that can be applied for the device to function properly. Providing supply voltages outside this range can lead to malfunction, damage, or reduced performance. This parameter is critical for ensuring compatibility between different components in a circuit.
2.7V~3.3V 4.5V~5.5V - Terminal Position
In electronic components, the term "Terminal Position" refers to the physical location of the connection points on the component where external electrical connections can be made. These connection points, known as terminals, are typically used to attach wires, leads, or other components to the main body of the electronic component. The terminal position is important for ensuring proper connectivity and functionality of the component within a circuit. It is often specified in technical datasheets or component specifications to help designers and engineers understand how to properly integrate the component into their circuit designs.
DUAL - Peak Reflow Temperature (Cel)
Peak Reflow Temperature (Cel) is a parameter that specifies the maximum temperature at which an electronic component can be exposed during the reflow soldering process. Reflow soldering is a common method used to attach electronic components to a circuit board. The Peak Reflow Temperature is crucial because it ensures that the component is not damaged or degraded during the soldering process. Exceeding the specified Peak Reflow Temperature can lead to issues such as component failure, reduced performance, or even permanent damage to the component. It is important for manufacturers and assemblers to adhere to the recommended Peak Reflow Temperature to ensure the reliability and functionality of the electronic components.
240 - Supply Voltage
Supply voltage refers to the electrical potential difference provided to an electronic component or circuit. It is crucial for the proper operation of devices, as it powers their functions and determines performance characteristics. The supply voltage must be within specified limits to ensure reliability and prevent damage to components. Different electronic devices have specific supply voltage requirements, which can vary widely depending on their design and intended application.
3V - Terminal Pitch
The center distance from one pole to the next.
2.54mm - Base Part Number
The "Base Part Number" (BPN) in electronic components serves a similar purpose to the "Base Product Number." It refers to the primary identifier for a component that captures the essential characteristics shared by a group of similar components. The BPN provides a fundamental way to reference a family or series of components without specifying all the variations and specific details.
DS1693 - Pin Count
a count of all of the component leads (or pins)
28 - Power Supplies
an electronic circuit that converts the voltage of an alternating current (AC) into a direct current (DC) voltage.?
3/5V - Interface
In electronic components, the term "Interface" refers to the point at which two different systems, devices, or components connect and interact with each other. It can involve physical connections such as ports, connectors, or cables, as well as communication protocols and standards that facilitate the exchange of data or signals between the connected entities. The interface serves as a bridge that enables seamless communication and interoperability between different parts of a system or between different systems altogether. Designing a reliable and efficient interface is crucial in ensuring proper functionality and performance of electronic components and systems.
Parallel - Memory Size
The memory capacity is the amount of data a device can store at any given time in its memory.
114B - Number of Bits16
- Clock Frequency
Clock frequency, also known as clock speed, refers to the rate at which a processor or electronic component can execute instructions. It is measured in hertz (Hz) and represents the number of cycles per second that the component can perform. A higher clock frequency typically indicates a faster processing speed and better performance. However, it is important to note that other factors such as architecture, efficiency, and workload also play a significant role in determining the overall performance of a component. In summary, clock frequency is a crucial parameter that influences the speed and efficiency of electronic components in processing data and executing tasks.
0.032MHz - Logic Function
In electronic components, the term "Logic Function" refers to the specific operation or behavior of a component based on its input signals. It describes how the component processes the input signals to produce the desired output. Logic functions are fundamental to digital circuits and are used to perform logical operations such as AND, OR, NOT, and XOR.Each electronic component, such as logic gates or flip-flops, is designed to perform a specific logic function based on its internal circuitry. By understanding the logic function of a component, engineers can design and analyze complex digital systems to ensure proper functionality and performance. Different logic functions can be combined to create more complex operations, allowing for the creation of sophisticated digital devices and systems.
Clock - External Data Bus Width
The External Data Bus Width refers to the number of bits that can be transmitted simultaneously between a microprocessor and external components, such as memory or peripherals. It determines the amount of data that can be transferred in a single clock cycle. A wider data bus allows for faster data transfer rates and can improve overall system performance. Common data bus widths include 8-bit, 16-bit, 32-bit, and 64-bit, with larger widths generally offering higher throughput but requiring more complex circuitry. The External Data Bus Width is an important parameter to consider when designing or evaluating electronic components to ensure compatibility and optimal performance.
8 - Number of Timers1
- Time Format
Time is based on a 24 hour system. This is frequently referred to as "military time". The 24 hour system is the default format.
HH:MM:SS (12/24 hr) - Date Format
The international standard recommends writing the date as year, then month, then the day:?YYYY-MM-DD.
YY-MM-DD-dd - Current - Timekeeping (Max)
The parameter "Current - Timekeeping (Max)" in electronic components refers to the maximum current that a device can draw while performing timekeeping functions. Timekeeping functions typically involve maintaining accurate time and date information within a device, such as in a real-time clock (RTC) or a microcontroller with a built-in clock. The maximum current specified for timekeeping is important for determining the power consumption of the device when it is in standby or low-power modes, as excessive current draw can drain the battery quickly. Designers need to consider this parameter when selecting components for battery-powered devices to ensure efficient power management and longer battery life.
2mA @ 3V 3mA @ 5V - Time-Min
Time-Min is a parameter in electronic components that refers to the minimum amount of time required for a specific operation or function to be completed. This parameter is crucial in determining the speed and efficiency of the component's performance. It is often specified in datasheets and technical documentation to provide users with information on the component's timing characteristics. Understanding the "Time-Min" parameter is essential for designing and integrating electronic components into circuits to ensure proper functionality and timing synchronization.
SECONDS - Interrupt Capability
Returns the number of interrupts available for a specified hardware device and interrupt type.
Y - Voltage - Supply, Battery
Voltage - Supply, Battery refers to the nominal voltage level provided by a battery to power electronic components or circuits. It indicates the standard voltage output that a battery can deliver under typical operating conditions. This parameter is crucial for ensuring compatibility between the battery and the electronic device, as it affects performance and functionality. The voltage supply rating helps in selecting the appropriate battery for specific applications, ensuring that the device operates efficiently and safely.
2.5V~3.7V - Volatile
In the context of electronic components, the term "Volatile" refers to a type of memory or storage that requires power to maintain the stored data. When power is removed or lost, the data stored in volatile memory is also lost. This is in contrast to non-volatile memory, which retains data even when power is turned off.Volatile memory is commonly used in devices like RAM (Random Access Memory) in computers, where data needs to be quickly accessed and modified. However, it is not suitable for long-term storage of important data as it requires continuous power supply to retain information.Overall, the volatile nature of this type of memory makes it fast and efficient for temporary data storage and processing, but it is not ideal for permanent data storage due to its dependency on power supply.
NO - Features
In the context of electronic components, the term "Features" typically refers to the specific characteristics or functionalities that a particular component offers. These features can vary depending on the type of component and its intended use. For example, a microcontroller may have features such as built-in memory, analog-to-digital converters, and communication interfaces like UART or SPI.When evaluating electronic components, understanding their features is crucial in determining whether they meet the requirements of a particular project or application. Engineers and designers often look at features such as operating voltage, speed, power consumption, and communication protocols to ensure compatibility and optimal performance.In summary, the "Features" parameter in electronic components describes the unique attributes and capabilities that differentiate one component from another, helping users make informed decisions when selecting components for their electronic designs.
NVSRAM - Length38.862mm
- Height Seated (Max)
Height Seated (Max) is a parameter in electronic components that refers to the maximum allowable height of the component when it is properly seated or installed on a circuit board or within an enclosure. This specification is crucial for ensuring proper fit and alignment within the overall system design. Exceeding the maximum seated height can lead to mechanical interference, electrical shorts, or other issues that may impact the performance and reliability of the electronic device. Manufacturers provide this information to help designers and engineers select components that will fit within the designated space and function correctly in the intended application.
9.398mm - Width15.24mm
- Radiation Hardening
Radiation hardening is the process of making electronic components and circuits resistant to damage or malfunction caused by high levels of ionizing radiation, especially for environments in outer space (especially beyond the low Earth orbit), around nuclear reactors and particle accelerators, or during nuclear accidents or nuclear warfare.
No - RoHS Status
RoHS means “Restriction of Certain Hazardous Substances” in the “Hazardous Substances Directive” in electrical and electronic equipment.
Non-RoHS Compliant - Lead Free
Lead Free is a term used to describe electronic components that do not contain lead as part of their composition. Lead is a toxic material that can have harmful effects on human health and the environment, so the electronics industry has been moving towards lead-free components to reduce these risks. Lead-free components are typically made using alternative materials such as silver, copper, and tin. Manufacturers must comply with regulations such as the Restriction of Hazardous Substances (RoHS) directive to ensure that their products are lead-free and environmentally friendly.
Contains Lead
DS1693 Features
+3V or +5V Operation
64-Bit Silicon Serial Number
64-Bit Customer Specific ROM or Additional Serial Number Available
Power Control Circuitry Supports System Power-On from Date/Time Alarm or Key Closure
Automatic Battery Backup and Write Protection to External SRAM
Crystal Select Bit Allows RTC to Operate with 6pF or 12.5pF Crystal
114 Bytes User NV RAM
Auxiliary Battery Input
RAM Clear Input
Century Register
32kHz Output for Power Management
32-Bit VCC Powered Elapsed Time Counter
32-Bit VBAT Powered Elapsed Time Counter
16-Bit Power Cycle Counter
Compatible with Existing BIOS for Original DS1287 Functions
Available as IC (DS1689) or Stand-Alone Module with Embedded Battery and Crystal (DS1693)
Available in Industrial Temperature Version
Timekeeping Algorithm Includes Leap Year Compensation Valid Up to 2100
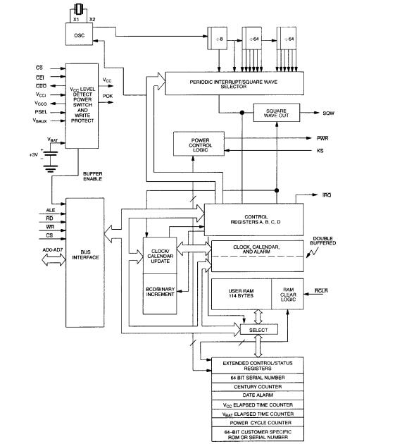
DS1693 Block Diagram
The block diagram below shows the pin connections with the major internal functions of DS1693.

DS1693 Package

DS1693 Manufacturer
The market is evolving. The rules are changing. To keep your time to market short, you need integration at every level—from silicon to the supply chain. Count on Maxim Integrated to help you overcome design and architectural challenges, with integrated solutions for the industrial, medical, consumer, automotive, energy, computing, and communications realms. Maxim Integrated is also your source for power, interface, and even digital products that work in the analogue world. And they’re glad to support you with reference designs, tools, technical documents, packaging, and more. We invite you to explore their latest analogue integration offerings.
Datasheet PDF
- Datasheets :
- ConflictMineralStatement :
Popularity by Region
What is the DS1693 individually manufactured with ?
The DS1693 is individually manufactured with a unique 64-bit serial number as well as an additional 64-bit customer-specific ROM or serial number.
What does the DS1693 incorporate?
The DS1693 incorporates a power-on elapsed time counter, a power-on cycle counter, and a battery-powered continuous counter. These three counters provide valuable information for maintenance and warranty requirements.
What package is the DS1693 available in?
It is available in 28-DIP Module (0.600, 15.24mm) package.
What is the DS1693?
The DS1693 is a real-time clock (RTC) designed as a successor to the industry standard DS1285, DS1385, DS1485, and DS1585 PC real-time clocks. The devices provide the industry-standard DS1285 clock function with the new feature of either +3.0V or +5.0V operation and automatic backup and write protection to an external SRAM.
Advantech Corp 96MPXE-2.6-19M36: A Comprehensive Guide to the Discontinued Skylake Microprocessor Module07 March 2024455
2N5551 Transistor: Pinout, Datasheet, and Applications09 July 202112155
BF245 Transistors: Replacement, Pinout and Datasheet02 September 202114238
Understanding the Renesas H8S/2000 Microcontroller Series: Technical Overview29 February 2024403
2N5089 Transistor : Pinout, Equivalent and Datasheet07 September 20212262
The Review of W5500 Hardwired TCP IP Embedded Ethernet Controller14 April 20226303
What is a CL10B104KB8NNNC Multilayer Ceramic Capacitor?25 April 2022819
STM32F103C6T6A: Feature, Applications, and Datasheet14 November 20231679
Structure, Types and Working of Dry Cell04 March 202110870
What is SMT (Surface Mount Technology)?02 December 20215101
Amorphous Silicon Solar Cells: Features, Structure and Applications22 August 20225157
Constructing Hybrid Photovoltaics from Amorphous Silicon and Hybrid Semiconductor Nanocrystals24 October 20221484
Role of Direct Memory Access in Modern Computing12 November 20243202
A Guide to the Best AG13 Battery Substitutes27 May 2025922
Working Principle and Types of Throttle Position Sensor01 April 202431497
Random Access Memory: Definition, Types and Working29 August 20208997
Maxim Integrated
In Stock: 10
United States
China
Canada
Japan
Russia
Germany
United Kingdom
Singapore
Italy
Hong Kong(China)
Taiwan(China)
France
Korea
Mexico
Netherlands
Malaysia
Austria
Spain
Switzerland
Poland
Thailand
Vietnam
India
United Arab Emirates
Afghanistan
Åland Islands
Albania
Algeria
American Samoa
Andorra
Angola
Anguilla
Antigua & Barbuda
Argentina
Armenia
Aruba
Australia
Azerbaijan
Bahamas
Bahrain
Bangladesh
Barbados
Belarus
Belgium
Belize
Benin
Bermuda
Bhutan
Bolivia
Bonaire, Sint Eustatius and Saba
Bosnia & Herzegovina
Botswana
Brazil
British Indian Ocean Territory
British Virgin Islands
Brunei
Bulgaria
Burkina Faso
Burundi
Cabo Verde
Cambodia
Cameroon
Cayman Islands
Central African Republic
Chad
Chile
Christmas Island
Cocos (Keeling) Islands
Colombia
Comoros
Congo
Congo (DRC)
Cook Islands
Costa Rica
Côte d’Ivoire
Croatia
Cuba
Curaçao
Cyprus
Czechia
Denmark
Djibouti
Dominica
Dominican Republic
Ecuador
Egypt
El Salvador
Equatorial Guinea
Eritrea
Estonia
Eswatini
Ethiopia
Falkland Islands
Faroe Islands
Fiji
Finland
French Guiana
French Polynesia
Gabon
Gambia
Georgia
Ghana
Gibraltar
Greece
Greenland
Grenada
Guadeloupe
Guam
Guatemala
Guernsey
Guinea
Guinea-Bissau
Guyana
Haiti
Honduras
Hungary
Iceland
Indonesia
Iran
Iraq
Ireland
Isle of Man
Israel
Jamaica
Jersey
Jordan
Kazakhstan
Kenya
Kiribati
Kosovo
Kuwait
Kyrgyzstan
Laos
Latvia
Lebanon
Lesotho
Liberia
Libya
Liechtenstein
Lithuania
Luxembourg
Macao(China)
Madagascar
Malawi
Maldives
Mali
Malta
Marshall Islands
Martinique
Mauritania
Mauritius
Mayotte
Micronesia
Moldova
Monaco
Mongolia
Montenegro
Montserrat
Morocco
Mozambique
Myanmar
Namibia
Nauru
Nepal
New Caledonia
New Zealand
Nicaragua
Niger
Nigeria
Niue
Norfolk Island
North Korea
North Macedonia
Northern Mariana Islands
Norway
Oman
Pakistan
Palau
Palestinian Authority
Panama
Papua New Guinea
Paraguay
Peru
Philippines
Pitcairn Islands
Portugal
Puerto Rico
Qatar
Réunion
Romania
Rwanda
Samoa
San Marino
São Tomé & Príncipe
Saudi Arabia
Senegal
Serbia
Seychelles
Sierra Leone
Sint Maarten
Slovakia
Slovenia
Solomon Islands
Somalia
South Africa
South Sudan
Sri Lanka
St Helena, Ascension, Tristan da Cunha
St. Barthélemy
St. Kitts & Nevis
St. Lucia
St. Martin
St. Pierre & Miquelon
St. Vincent & Grenadines
Sudan
Suriname
Svalbard & Jan Mayen
Sweden
Syria
Tajikistan
Tanzania
Timor-Leste
Togo
Tokelau
Tonga
Trinidad & Tobago
Tunisia
Turkey
Turkmenistan
Turks & Caicos Islands
Tuvalu
U.S. Outlying Islands
U.S. Virgin Islands
Uganda
Ukraine
Uruguay
Uzbekistan
Vanuatu
Vatican City
Venezuela
Wallis & Futuna
Yemen
Zambia
Zimbabwe

















