MT3608 2A Step up Converter: Datasheet, Schematics and Circuit
MT3608 datasheet pdf and Unclassified product details from XI'AN Aerosemi Tech stock available at Utmel









MT3608 is a high-efficiency 1.2MHz 2A step-up converter. This article mainly covers datasheet, schematics, power, circuit, and more details about the MT3608 boost converter. Furthermore, there is a huge range of semiconductors, capacitors, resistors, and Ics in stock. Welcome your RFQ!

Test review of 2A DC-DC Step up boost converter MT3608
MT3608 Description
The MT3608 is a 6-pin SOT23 constant frequency current mode step-up converter designed for low-power applications. The MT3608 operates at 1.2MHz and enables the use of small, low-cost capacitors and inductors with a height of 2mm or less. Internal soft-start reduces inrush current and hence increases battery life.
MT3608 Pinout

MT3608 Pinout
| PIN | NAME | FUNCTION |
| 1 | SW | Power Switch Output. SW is the drain of the internal MOSFET switch. Connect the power inductor and output rectifier to SW. SW can swing between GND and 28V. |
| 2 | GND | Ground Pin |
| 3 | FB | Feedback Input. The FB voltage is 0.6V. Connect a resistor divider to FB. |
| 4 | EN | Regulator On/Off Control Input. A high input at EN turns on the converter, and a low input turns it off. When not used, connect EN to the input supply for automatic startup. |
| 5 | IN | Input Supply Pin. Must be locally bypassed. |
| 6 | NC | NC |
MT3608 CAD Model
Symbol

MT3608 Symbol
Footprint

MT3608 Footprint
3D Model

MT3608 3D Model
MT3608 Functional Block Diagram

MT3608 Functional Block Diagram
Specifications
- TypeParameter
- Package / Case
refers to the protective housing that encases an electronic component, providing mechanical support, electrical connections, and thermal management.
SOT-23-6 - Packaging
Semiconductor package is a carrier / shell used to contain and cover one or more semiconductor components or integrated circuits. The material of the shell can be metal, plastic, glass or ceramic.
Tape & Reel (TR) - Function
The parameter "Function" in electronic components refers to the specific role or purpose that the component serves within an electronic circuit. It defines how the component interacts with other elements, influences the flow of electrical signals, and contributes to the overall behavior of the system. Functions can include amplification, signal processing, switching, filtering, and energy storage, among others. Understanding the function of each component is essential for designing effective and efficient electronic systems.
Step-Up - Number of Outputs1
- Voltage - Input (Max)
Voltage - Input (Max) is a parameter in electronic components that specifies the maximum voltage that can be safely applied to the input of the component without causing damage. This parameter is crucial for ensuring the proper functioning and longevity of the component. Exceeding the maximum input voltage can lead to electrical overstress, which may result in permanent damage or failure of the component. It is important to carefully adhere to the specified maximum input voltage to prevent any potential issues and maintain the reliability of the electronic system.
24V - Output Type
The "Output Type" parameter in electronic components refers to the type of signal or data that is produced by the component as an output. This parameter specifies the nature of the output signal, such as analog or digital, and can also include details about the voltage levels, current levels, frequency, and other characteristics of the output signal. Understanding the output type of a component is crucial for ensuring compatibility with other components in a circuit or system, as well as for determining how the output signal can be utilized or processed further. In summary, the output type parameter provides essential information about the nature of the signal that is generated by the electronic component as its output.
Adjustable - Voltage - Input (Min)
Voltage - Input (Min) refers to the minimum voltage level that an electronic component requires to operate correctly. It indicates the lowest voltage that can be applied to the component while still allowing it to function as intended. If the input voltage falls below this specified minimum, the component may not perform properly or may fail to operate altogether. This parameter is critical for ensuring reliable operation and longevity of the device in electronic circuits.
2V - Output Configuration
Output Configuration in electronic components refers to the arrangement or setup of the output pins or terminals of a device. It defines how the output signals are structured and how they interact with external circuits or devices. The output configuration can determine the functionality and compatibility of the component in a circuit design. Common types of output configurations include single-ended, differential, open-drain, and push-pull configurations, each serving different purposes and applications in electronic systems. Understanding the output configuration of a component is crucial for proper integration and operation within a circuit.
Positive - Topology
In the context of electronic components, "topology" refers to the arrangement or configuration of the components within a circuit or system. It defines how the components are connected to each other and how signals flow between them. The choice of topology can significantly impact the performance, efficiency, and functionality of the electronic system. Common topologies include series, parallel, star, mesh, and hybrid configurations, each with its own advantages and limitations. Designers carefully select the appropriate topology based on the specific requirements of the circuit to achieve the desired performance and functionality.
Boost - Frequency - Switching
"Frequency - Switching" in electronic components refers to the rate at which a device, such as a transistor or switching regulator, turns on and off during operation. This parameter is crucial in determining the efficiency and performance of power converters, oscillators, and other circuits that rely on rapid switching. Higher switching frequencies typically allow for smaller component sizes but may require more advanced design considerations to manage heat and electromagnetic interference.
1.2MHz - Voltage - Output (Max)
Voltage - Output (Max) is a parameter that specifies the maximum voltage level that can be delivered by an electronic component, such as an integrated circuit or a power supply. It indicates the highest voltage that the component is designed to provide at its output terminal under normal operating conditions. This parameter is crucial for determining the compatibility of the component with other parts of the circuit and ensuring that the voltage requirements are met for proper functionality. Designers and engineers use this specification to ensure that the component can safely deliver the required voltage without exceeding its maximum output capability.
28V - RoHS Status
RoHS means “Restriction of Certain Hazardous Substances” in the “Hazardous Substances Directive” in electrical and electronic equipment.
RoHS Compliant
MT3608 Features
Integrated 80mΩ Power MOSFET
2V to 24V Input Voltage
Internal 4A Switch Current Limit
Adjustable Output Voltage
Internal Compensation
Up to 28V Output Voltage
Up to 97% Efficiency
1.2MHz Fixed Switching Frequency
Available in a 6-Pin SOT23-6 Package
Automatic Pulse Frequency Modulation Mode at Light Loads
MT3608 Applications
Set-Top Boxed
LCD Bias Supply
Battery-Powered Equipment
DSL and Cable Modems and Routers
Networking cards powered from PCI or PCI Express slots
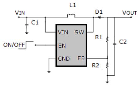
MT3608 Circuit

MT3608 Application Circuit

MT3608 Efficiency
Where to Use MT3608
The MT3608 can be utilized in applications that require a voltage of less than 28V and a current of less than 2A. As a result, this module is best suited for portable devices such as power banks and portable power sources. It can also be utilized in educational projects due to its inexpensive cost.
How to Use MT3608
You can connect an input voltage ranging from 2V to 24V DC to the MT3608. A battery, a solar cell, or any other accessible source can be used as the input source. After connecting the input voltage, connect a digital multimeter to the output voltage points of the module and pick above 28V from the digital multimeter voltage selection panel. Adjust the variable resistor until the multimeter shows your desired output voltage.

MT3608 Circuit
MT3608 Package Dimensions


MT3608 Package Dimensions
MT3608 Manufacturer
Xi’ an Aerosemi Technology Co., Ltd. designs, develops, and markets high-end analog & mixed-signal ICs. Our major products are LED-drive, power battery management.
What is MT3608 module?
The MT3608 is a constant frequency, current-mode step-up converter intended for small, low-power applications. The MT3608 switches at 1.2MHz and allows the use of tiny capacitors and inductors. Internal soft-start results in a small inrush current and extends battery life.
How do I use MT3608?
Connect the Ni-MH battery pack with the converter. Adjust the voltage to 5V with the multimeter connected to the output. Connect the ground and the VCC from the battery with the converter's input terminals. Connect the positive output with the 5V on the Arduino and through a breadboard.
What is MT3608 used for?
The MT3608 is a constant frequency, 6-pin SOT23 current mode step-up converter intended for small, low power applications. The MT3608 switches at 1.2MHz and allows the use of tiny, low-cost capacitors and inductors 2mm or less.
How does MT3608 work?
The MT3608 features automatic shifting to pulse frequency modulation mode at light loads. It includes under-voltage lockout, current limiting, and thermal overload protection. Since the trim pot has 25 turns of adjustment you can easily adjust the output of the module to exactly the voltage you need.
Can MT3608 and FTB628 be directly replaced?
No, the MT360 can’t replace FTB628.
NE555 VS TLC555[Video] Comparison the differences between them.25 April 20229242
PAM8610 Audio Power Amplifier: Schematic, Specification and Datasheet21 July 202120023
2N5416 Transistor: Datasheet, Pinout, Alternative [FAQ]16 December 20211833
2SC4793 Transistor: 2SC4793, 2SC4793 Datasheet, Equivalent18 December 202120020
TL071: Detailed Datasheet, Pinout, and Alternatives Guide26 January 2026293
MAX232 RS-232 Transceiver Series: Architecture and Design Guide19 January 2026402
AT89C51CC03: Enhanced 8-bit MCU with CAN Controller and Flash Memory28 February 2024253
TPS22918TDBVRQ1 On-Resistance Load Switch: Schematic, Pinout, and Datasheet02 April 20225841
Spiral wrap choices that keep hoses damage free15 July 2025669
How to Check 2073 Transistor Pinout at Home01 September 20252864
RF Front End in the 5G Era25 October 20216624
How to Select a Power Relay That Fits Your Requirements10 July 20252353
What is Variable Frequency Driver(VFD)?20 October 20212601
8051 Microcontroller: History, Architecture, Applications, and Features20 February 202120437
Voltage Follower: Purpose, Working, and Circuits27 March 202527766
Understanding Photodiodes: Working Principles and Applications - Part 108 July 20243900
XI'AN Aerosemi Tech
In Stock
United States
China
Canada
Japan
Russia
Germany
United Kingdom
Singapore
Italy
Hong Kong(China)
Taiwan(China)
France
Korea
Mexico
Netherlands
Malaysia
Austria
Spain
Switzerland
Poland
Thailand
Vietnam
India
United Arab Emirates
Afghanistan
Åland Islands
Albania
Algeria
American Samoa
Andorra
Angola
Anguilla
Antigua & Barbuda
Argentina
Armenia
Aruba
Australia
Azerbaijan
Bahamas
Bahrain
Bangladesh
Barbados
Belarus
Belgium
Belize
Benin
Bermuda
Bhutan
Bolivia
Bonaire, Sint Eustatius and Saba
Bosnia & Herzegovina
Botswana
Brazil
British Indian Ocean Territory
British Virgin Islands
Brunei
Bulgaria
Burkina Faso
Burundi
Cabo Verde
Cambodia
Cameroon
Cayman Islands
Central African Republic
Chad
Chile
Christmas Island
Cocos (Keeling) Islands
Colombia
Comoros
Congo
Congo (DRC)
Cook Islands
Costa Rica
Côte d’Ivoire
Croatia
Cuba
Curaçao
Cyprus
Czechia
Denmark
Djibouti
Dominica
Dominican Republic
Ecuador
Egypt
El Salvador
Equatorial Guinea
Eritrea
Estonia
Eswatini
Ethiopia
Falkland Islands
Faroe Islands
Fiji
Finland
French Guiana
French Polynesia
Gabon
Gambia
Georgia
Ghana
Gibraltar
Greece
Greenland
Grenada
Guadeloupe
Guam
Guatemala
Guernsey
Guinea
Guinea-Bissau
Guyana
Haiti
Honduras
Hungary
Iceland
Indonesia
Iran
Iraq
Ireland
Isle of Man
Israel
Jamaica
Jersey
Jordan
Kazakhstan
Kenya
Kiribati
Kosovo
Kuwait
Kyrgyzstan
Laos
Latvia
Lebanon
Lesotho
Liberia
Libya
Liechtenstein
Lithuania
Luxembourg
Macao(China)
Madagascar
Malawi
Maldives
Mali
Malta
Marshall Islands
Martinique
Mauritania
Mauritius
Mayotte
Micronesia
Moldova
Monaco
Mongolia
Montenegro
Montserrat
Morocco
Mozambique
Myanmar
Namibia
Nauru
Nepal
New Caledonia
New Zealand
Nicaragua
Niger
Nigeria
Niue
Norfolk Island
North Korea
North Macedonia
Northern Mariana Islands
Norway
Oman
Pakistan
Palau
Palestinian Authority
Panama
Papua New Guinea
Paraguay
Peru
Philippines
Pitcairn Islands
Portugal
Puerto Rico
Qatar
Réunion
Romania
Rwanda
Samoa
San Marino
São Tomé & Príncipe
Saudi Arabia
Senegal
Serbia
Seychelles
Sierra Leone
Sint Maarten
Slovakia
Slovenia
Solomon Islands
Somalia
South Africa
South Sudan
Sri Lanka
St Helena, Ascension, Tristan da Cunha
St. Barthélemy
St. Kitts & Nevis
St. Lucia
St. Martin
St. Pierre & Miquelon
St. Vincent & Grenadines
Sudan
Suriname
Svalbard & Jan Mayen
Sweden
Syria
Tajikistan
Tanzania
Timor-Leste
Togo
Tokelau
Tonga
Trinidad & Tobago
Tunisia
Turkey
Turkmenistan
Turks & Caicos Islands
Tuvalu
U.S. Outlying Islands
U.S. Virgin Islands
Uganda
Ukraine
Uruguay
Uzbekistan
Vanuatu
Vatican City
Venezuela
Wallis & Futuna
Yemen
Zambia
Zimbabwe


Product
Brand
Articles
Tools
