SST25VF040B 4-Mbit SPI Serial Flash: Pinout, Equivalent and Datasheet
Surface Mount SST25 Memory IC SST25 Series SST25VF040B 4 Mb kb 6mm mm 15mA mA 8b b
Unit Price: $1.450003
Ext Price: $1.45









Surface Mount SST25 Memory IC SST25 Series SST25VF040B 4 Mb kb 6mm mm 15mA mA 8b b
The SST25VF040B devices are enhanced with improved operating frequency and even lower power consumption. SST25VF040B SPI serial Flash memories are manufactured with proprietary, high-performance CMOS SuperFlash® technology. Furthermore, Huge range of Semiconductors, Capacitors, Resistors and IcS in stock. Welcome RFQ.

What Is...SPI?
SST25VF040B Pinout
The following figure is the diagram of SST25VF040B Pinout.

Pinout
SST25VF040B CAD Model
The following is the Footprint of SST25VF040B.

Footprint
SST25VF040B Description
The 25 series Serial Flash family features a four-wire, SPI-compatible interface that allows for a low pin-count package which occupies less board space and ultimately lowers total system costs. The SST25VF040B devices are enhanced with improved operating frequency and even lower power consumption. SST25VF040B SPI serial Flash memories are manufactured with proprietary, high-performance CMOS SuperFlash® technology. The split-gate cell design and thick-oxide tunneling injector attain better reliability and manufacturability compared with alternate approaches.
SST25VF040B devices significantly improve performance and reliability, while lowering power consumption. The devices write (Program or Erase) with a single power supply of 2.7V-3.6V for SST25VF040B. The total energy consumed is a function of the applied voltage, current, and time of application. Since for any given voltage range, the SuperFlash technology uses less current to program and has a shorter erase time, the total energy consumed during any erase or program operation is less than alternative Flash memory technologies.
This article provides you with a basic overview of the SST25VF040B 4-Mbit SPI Serial Flash, including its pin descriptions, features and specifications, etc., to help you quickly understand what SST25VF040B is.
SST25VF040B Features
● Single Voltage Read and Write Operations:
◆ 2.7V-3.6V
● Serial Interface Architecture:
◆ SPI Compatible: Mode 0 and Mode 3
● High-Speed Clock Frequency:
◆ Up to 50 MHz
● Superior Reliability:
◆ Endurance: 100,000 Cycles (typical)
◆ Greater than 100 years Data Retention
● Low-Power Consumption:
◆ Active Read Current: 10 mA (typical)
◆ Standby Current: 5 µA (typical)
● Flexible Erase Capability:
◆ Uniform 4-Kbyte sectors
◆ Uniform 32-Kbyte overlay blocks
◆ Uniform 64-Kbyte overlay blocks
● Fast Erase and Byte Program:
◆ Chip Erase Time: 35 ms (typical)
◆ Sector/Block Erase Time: 18 ms (typical)
◆ Byte Program Time: 7 µs (typical)
● Auto Address Increment (AAI) Programming:
◆ Decrease total chip programming time over Byte Program operations
● End of Write Detection:
◆ Software polling the BUSY bit in STATUS Register
◆ Busy Status readout on SO pin in AAI Mode
● Hold Pin (HOLD#):
◆ Suspends a serial sequence to the memory without deselecting the device
● Write Protection (WP#):
◆ Enables/Disables the Lock-Down function of the STATUS register
● Software Write Protection:
◆ Write protection through Block Protection bits in STATUS register
● Temperature Range:
◆ Commercial: 0°C to +70°C
◆ Industrial: -40°C to +85°C
● All devices are RoHS compliant
Specifications
- TypeParameter
- Factory Lead Time11 Weeks
- Mount
In electronic components, the term "Mount" typically refers to the method or process of physically attaching or fixing a component onto a circuit board or other electronic device. This can involve soldering, adhesive bonding, or other techniques to secure the component in place. The mounting process is crucial for ensuring proper electrical connections and mechanical stability within the electronic system. Different components may have specific mounting requirements based on their size, shape, and function, and manufacturers provide guidelines for proper mounting procedures to ensure optimal performance and reliability of the electronic device.
Surface Mount - Mounting Type
The "Mounting Type" in electronic components refers to the method used to attach or connect a component to a circuit board or other substrate, such as through-hole, surface-mount, or panel mount.
Surface Mount - Package / Case
refers to the protective housing that encases an electronic component, providing mechanical support, electrical connections, and thermal management.
8-WDFN Exposed Pad - Number of Pins8
- Weight10.886217mg
- Memory TypesNon-Volatile
- Operating Temperature
The operating temperature is the range of ambient temperature within which a power supply, or any other electrical equipment, operate in. This ranges from a minimum operating temperature, to a peak or maximum operating temperature, outside which, the power supply may fail.
0°C~70°C TA - Packaging
Semiconductor package is a carrier / shell used to contain and cover one or more semiconductor components or integrated circuits. The material of the shell can be metal, plastic, glass or ceramic.
Tape & Reel (TR) - Series
In electronic components, the "Series" refers to a group of products that share similar characteristics, designs, or functionalities, often produced by the same manufacturer. These components within a series typically have common specifications but may vary in terms of voltage, power, or packaging to meet different application needs. The series name helps identify and differentiate between various product lines within a manufacturer's catalog.
SST25 - Published2010
- JESD-609 Code
The "JESD-609 Code" in electronic components refers to a standardized marking code that indicates the lead-free solder composition and finish of electronic components for compliance with environmental regulations.
e4 - Part Status
Parts can have many statuses as they progress through the configuration, analysis, review, and approval stages.
Active - Moisture Sensitivity Level (MSL)
Moisture Sensitivity Level (MSL) is a standardized rating that indicates the susceptibility of electronic components, particularly semiconductors, to moisture-induced damage during storage and the soldering process, defining the allowable exposure time to ambient conditions before they require special handling or baking to prevent failures
3 (168 Hours) - Number of Terminations8
- Terminal Finish
Terminal Finish refers to the surface treatment applied to the terminals or leads of electronic components to enhance their performance and longevity. It can improve solderability, corrosion resistance, and overall reliability of the connection in electronic assemblies. Common finishes include nickel, gold, and tin, each possessing distinct properties suitable for various applications. The choice of terminal finish can significantly impact the durability and effectiveness of electronic devices.
Nickel/Palladium/Gold (Ni/Pd/Au) - Voltage - Supply
Voltage - Supply refers to the range of voltage levels that an electronic component or circuit is designed to operate with. It indicates the minimum and maximum supply voltage that can be applied for the device to function properly. Providing supply voltages outside this range can lead to malfunction, damage, or reduced performance. This parameter is critical for ensuring compatibility between different components in a circuit.
2.7V~3.6V - Terminal Position
In electronic components, the term "Terminal Position" refers to the physical location of the connection points on the component where external electrical connections can be made. These connection points, known as terminals, are typically used to attach wires, leads, or other components to the main body of the electronic component. The terminal position is important for ensuring proper connectivity and functionality of the component within a circuit. It is often specified in technical datasheets or component specifications to help designers and engineers understand how to properly integrate the component into their circuit designs.
DUAL - Number of Functions1
- Terminal Pitch
The center distance from one pole to the next.
1.27mm - Base Part Number
The "Base Part Number" (BPN) in electronic components serves a similar purpose to the "Base Product Number." It refers to the primary identifier for a component that captures the essential characteristics shared by a group of similar components. The BPN provides a fundamental way to reference a family or series of components without specifying all the variations and specific details.
SST25VF040B - Operating Supply Voltage
The voltage level by which an electrical system is designated and to which certain operating characteristics of the system are related.
3.3V - Supply Voltage-Max (Vsup)
The parameter "Supply Voltage-Max (Vsup)" in electronic components refers to the maximum voltage that can be safely applied to the component without causing damage. It is an important specification to consider when designing or using electronic circuits to ensure the component operates within its safe operating limits. Exceeding the maximum supply voltage can lead to overheating, component failure, or even permanent damage. It is crucial to adhere to the specified maximum supply voltage to ensure the reliable and safe operation of the electronic component.
3.6V - Supply Voltage-Min (Vsup)
The parameter "Supply Voltage-Min (Vsup)" in electronic components refers to the minimum voltage level required for the component to operate within its specified performance range. This parameter indicates the lowest voltage that can be safely applied to the component without risking damage or malfunction. It is crucial to ensure that the supply voltage provided to the component meets or exceeds this minimum value to ensure proper functionality and reliability. Failure to adhere to the specified minimum supply voltage may result in erratic behavior, reduced performance, or even permanent damage to the component.
2.7V - Interface
In electronic components, the term "Interface" refers to the point at which two different systems, devices, or components connect and interact with each other. It can involve physical connections such as ports, connectors, or cables, as well as communication protocols and standards that facilitate the exchange of data or signals between the connected entities. The interface serves as a bridge that enables seamless communication and interoperability between different parts of a system or between different systems altogether. Designing a reliable and efficient interface is crucial in ensuring proper functionality and performance of electronic components and systems.
SPI, Serial - Memory Size
The memory capacity is the amount of data a device can store at any given time in its memory.
4Mb 512K x 8 - Nominal Supply Current
Nominal current is the same as the rated current. It is the current drawn by the motor while delivering rated mechanical output at its shaft.
15mA - Max Supply Current
Max Supply Current refers to the maximum amount of electrical current that a component can draw from its power supply under normal operating conditions. It is a critical parameter that ensures the component operates reliably without exceeding its thermal limits or damaging internal circuitry. Exceeding this current can lead to overheating, performance degradation, or failure of the component. Understanding this parameter is essential for designing circuits that provide adequate power while avoiding overload situations.
15mA - Clock Frequency
Clock frequency, also known as clock speed, refers to the rate at which a processor or electronic component can execute instructions. It is measured in hertz (Hz) and represents the number of cycles per second that the component can perform. A higher clock frequency typically indicates a faster processing speed and better performance. However, it is important to note that other factors such as architecture, efficiency, and workload also play a significant role in determining the overall performance of a component. In summary, clock frequency is a crucial parameter that influences the speed and efficiency of electronic components in processing data and executing tasks.
50MHz - Access Time
Access time in electronic components refers to the amount of time it takes for a system to retrieve data from memory or storage once a request has been made. It is typically measured in nanoseconds or microseconds and indicates the speed at which data can be accessed. Lower access time values signify faster performance, allowing for more efficient processing in computing systems. Access time is a critical parameter in determining the overall responsiveness of electronic devices, particularly in applications requiring quick data retrieval.
8 ns - Memory Format
Memory Format in electronic components refers to the specific organization and structure of data storage within a memory device. It defines how data is stored, accessed, and managed within the memory module. Different memory formats include RAM (Random Access Memory), ROM (Read-Only Memory), and various types of flash memory. The memory format determines the speed, capacity, and functionality of the memory device, and it is crucial for compatibility with other components in a system. Understanding the memory format is essential for selecting the right memory module for a particular application or device.
FLASH - Memory Interface
An external memory interface is a bus protocol for communication from an integrated circuit, such as a microprocessor, to an external memory device located on a circuit board.
SPI - Data Bus Width
The data bus width in electronic components refers to the number of bits that can be transferred simultaneously between the processor and memory. It determines the amount of data that can be processed and transferred in a single operation. A wider data bus allows for faster data transfer speeds and improved overall performance of the electronic device. Common data bus widths include 8-bit, 16-bit, 32-bit, and 64-bit, with higher numbers indicating a larger capacity for data transfer. The data bus width is an important specification to consider when evaluating the speed and efficiency of a computer system or other electronic device.
8b - Organization
In the context of electronic components, the parameter "Organization" typically refers to the arrangement or structure of the internal components within a device or system. It can describe how various elements such as transistors, resistors, capacitors, and other components are physically arranged and interconnected on a circuit board or within a semiconductor chip.The organization of electronic components plays a crucial role in determining the functionality, performance, and efficiency of a device. It can impact factors such as signal propagation, power consumption, thermal management, and overall system complexity. Engineers carefully design the organization of components to optimize the operation of electronic devices and ensure reliable performance.Different types of electronic components may have specific organizational requirements based on the intended application and design considerations. For example, integrated circuits may have a highly compact and intricate organization to maximize functionality within a small footprint, while larger electronic systems may have a more modular and distributed organization to facilitate maintenance and scalability.
4MX1 - Memory Width
Memory width refers to the number of bits that can be read or written to memory at one time. It is an important specification in electronic components, particularly in memory devices like RAM and cache. A wider memory width allows for greater data throughput, enabling faster performance as more data can be processed simultaneously. Memory width can vary among different types of memory and can impact both the complexity and efficiency of data handling within electronic systems.
1 - Write Cycle Time - Word, Page
Write Cycle Time - Word, Page refers to the duration required to write data to a specific memory cell or a page of memory in electronic components, particularly in non-volatile memories like Flash or EEPROM. It indicates the time taken to complete a writing operation for a single word or an entire page of data. This parameter is crucial for determining the performance and speed of memory devices in applications where quick data storage is essential. It impacts the overall efficiency in data handling, affecting both read and write speeds in memory-related operations.
10μs - Address Bus Width
A computer system has an address bus with 8 parallel lines. This means that the address bus width is 8 bits.
1b - Density
In electronic components, "Density" refers to the mass or weight of a material per unit volume. It is a physical property that indicates how tightly packed the atoms or molecules are within the material. The density of a component can affect its performance and characteristics, such as its strength, thermal conductivity, and electrical properties. Understanding the density of electronic components is important for designing and manufacturing processes to ensure optimal performance and reliability.
4 Mb - Standby Current-Max
Standby Current-Max refers to the maximum amount of current that an electronic component or device consumes while in a low-power standby mode. This parameter is critical for power management, especially in battery-operated devices, as it indicates how efficiently the device can conserve energy when not actively in use. A lower Standby Current-Max value is typically desirable, as it contributes to longer battery life and reduced energy consumption. Manufacturers specify this value to help engineers select components that meet specific power efficiency requirements in their designs.
0.00002A - Sync/Async
In the context of electronic components, the parameter "Sync/Async" refers to the synchronization mode of operation. Synchronous operation means that the component operates in coordination with an external clock signal. This ensures that data is transmitted or processed at specific intervals determined by the clock signal, allowing for precise timing and coordination between different components in a system.Asynchronous operation, on the other hand, means that the component does not rely on an external clock signal for its operation. Instead, it processes data at its own pace, which can lead to more flexibility but may also result in timing issues if not properly managed.The choice between synchronous and asynchronous operation depends on the specific requirements of the system and the desired level of coordination and timing precision.
Synchronous - Word Size
Word "size" refers to the amount of data a CPU's internal data registers can hold and process at one time.
8b - Programming Voltage
A special high-voltage supply that supplies the potential and energy for altering the state of certain nonvolatile memory arrays. On some devices, the presence of VPP also acts as a program enable signal (P).
2.7V - Serial Bus Type
Serial bus type refers to the method by which data is transmitted between components in an electronic system using a serial communication protocol. It involves the sequential transfer of data bits over a single channel or wire, allowing for a reduced number of interconnections compared to parallel communication. Common examples of serial bus types include I2C, SPI, USB, and UART, each with its own specific protocol and applications. The choice of serial bus type can affect the speed, complexity, and power consumption of the communication between devices.
SPI - Endurance
In electronic components, "Endurance" refers to the ability of a component to withstand repeated cycles of operation without degradation in performance or failure. It is a crucial parameter, especially in components that are subjected to frequent switching or high levels of stress during operation. Endurance testing is often conducted to evaluate the reliability and durability of electronic components under real-world conditions. Components with high endurance ratings are more likely to have a longer lifespan and provide consistent performance over time. Manufacturers typically provide endurance specifications in datasheets to help engineers and designers select components that meet the required durability for their applications.
100000 Write/Erase Cycles - Data Retention Time-Min
The parameter "Data Retention Time-Min" in electronic components refers to the minimum amount of time that data can be stored in a non-volatile memory device without requiring a refresh or rewrite operation to maintain its integrity. This parameter is crucial for applications where data integrity and reliability are essential, such as in embedded systems, IoT devices, and critical infrastructure. A longer data retention time indicates a more stable memory device that can retain data for extended periods without degradation or loss. It is important to consider the data retention time when selecting memory components for specific applications to ensure data reliability and longevity.
100 - Write Protection
Write protection is a feature found in electronic components, such as memory devices, that prevents data from being modified or erased. When write protection is enabled, the data stored in the component is locked and cannot be altered, ensuring the integrity and security of the information. This feature is commonly used in devices like USB flash drives, SD cards, and EEPROMs to prevent accidental data loss or unauthorized access. Write protection can be implemented through hardware mechanisms, such as physical switches or jumpers, or through software settings that restrict write access to the component.
HARDWARE/SOFTWARE - Length6mm
- Radiation Hardening
Radiation hardening is the process of making electronic components and circuits resistant to damage or malfunction caused by high levels of ionizing radiation, especially for environments in outer space (especially beyond the low Earth orbit), around nuclear reactors and particle accelerators, or during nuclear accidents or nuclear warfare.
No - RoHS Status
RoHS means “Restriction of Certain Hazardous Substances” in the “Hazardous Substances Directive” in electrical and electronic equipment.
ROHS3 Compliant - Lead Free
Lead Free is a term used to describe electronic components that do not contain lead as part of their composition. Lead is a toxic material that can have harmful effects on human health and the environment, so the electronics industry has been moving towards lead-free components to reduce these risks. Lead-free components are typically made using alternative materials such as silver, copper, and tin. Manufacturers must comply with regulations such as the Restriction of Hazardous Substances (RoHS) directive to ensure that their products are lead-free and environmentally friendly.
Lead Free
SST25VF040B Functional Block Diagram
The following is the Functional Block Diagram of SST25VF040B.

Functional Block Diagram
SST25VF040B Equivalent
| Model number | Manufacturer | Description |
| SST25VF040B-50-4I-SAF-T | Microchip Technology Inc | FLASH 2.7V PROM |
| SST25VF040B-50-4C-QAF | Microchip Technology Inc | 4M X 1 FLASH 2.7V PROM, PDSO8, 6 X 5 MM, ROHS COMPLIANT, WSON-8 |
| SST25VF040B-50-4I-QAE | Microchip Technology Inc | FLASH 2.7V PROM |
| SST25VF040B-50-4I-S2AF | Silicon Storage Technology | Flash, 4MX1, PDSO8, 5.20 X 8 MM, ROHS COMPLIANT, SOIC-8 |
| SST25VF040B-50-4C-S2AF | Microchip Technology Inc | 4M X 1 FLASH 2.7V PROM, PDSO8, 5.20 X 8 MM, ROHS COMPLIANT, SOIC-8 |
| SST25VF040B-50-4C-SAF-T | Microchip Technology Inc | FLASH 2.7V PROM |
| SST25VF040B-50-4I-QAF | Microchip Technology Inc | 4M X 1 FLASH 2.7V PROM, PDSO8, 6 X 5 MM, ROHS COMPLIANT, WSON-8 |
| SST25VF040B-50-4I-S2AE-T | Microchip Technology Inc | FLASH 2.7V PROM |
| SST25VF040B-50-4I-QAE-T | Microchip Technology Inc | FLASH 2.7V PROM |
| SST25VF040B-50-4I-S2AF-T | Microchip Technology Inc | FLASH 2.7V PROM |
Parts with Similar Specs
- ImagePart NumberManufacturerPackage / CaseNumber of PinsDensityAccess TimeInterfaceRadiation HardeningSync/AsyncAddress Bus WidthView Compare
SST25VF040B-50-4C-QAF-T
8-WDFN Exposed Pad
8
4 Mb
8 ns
SPI, Serial
No
Synchronous
1 b
8-SOIC (0.154, 3.90mm Width)
8
4 Mb
8 ns
SPI, Serial
No
Synchronous
1 b
SOIC
8
4 Mb
8 ns
SPI, Serial
No
Synchronous
1 b
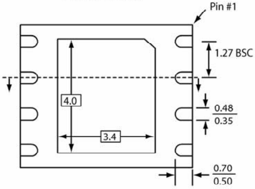
SST25VF040B Package
The following diagrams show the SST25VF040B Package.

Top View

Bottom View

Side View

Cross Section
SST25VF040B Package Marking
The following is the Package Marking of SST25VF040B.

8-Contact WSON (6 mm x 5 mm)

Example
SST25VF040B Manufacturer
Microchip Technology Inc. is a leading provider of microcontroller and analog semiconductors, providing low-risk product development, lower total system cost and faster time to market for thousands of diverse customer applications worldwide. Headquartered in Chandler, Arizona, Microchip offers outstanding technical support along with dependable delivery and quality.
Datasheet PDF
- PCN Design/Specification :
- Datasheets :
- PCN Packaging :
- ConflictMineralStatement :
How many pins of SST25VF040B-50-4C-QAF-T?
8 Pins.
What’s the operating temperature of SST25VF040B-50-4C-QAF-T?
0°C~70°C TA.
What are the advantages of SST25VF040B equipment?
The SST25VF040B devices are enhanced with improved operating frequency and even lower power consumption. SST25VF040B devices significantly improve performance and reliability, while lowering power consumption.
M16C/26A Group: Single-Chip 16-Bit CMOS Microcomputer Overview28 February 2024119
LM111 Differential Comparators: Alternative, Pinout and Datasheet16 July 20211595
LT1167 Precision Instrumentation Amplifier, 8 SOIC, LT1167 Circuit and Datasheet pdf07 January 20222819
What you need to know about the use of the BS250 P-Channel MOSFET[FAQ]31 March 20224387
ADM485 Transceiver : Datasheet, Pinout and Circuit17 July 20213931
STM32F072RBT6 Microcontroller: 48MHz, 64-LQFP, Pinout and Datasheet14 February 20223046
T2050H-6G Triac: Datasheet, Pinout, Features06 August 2021987
MIC2951 Low-Dropout Voltage Regulator: Pinout, Equivalent and Datasheet09 March 20223191
Understanding the Flight Sensing Modules of Drones06 September 20211716
What is a High-pass Filter?10 March 202113915
What is An Optoisolator?09 January 20217469
Classification and Working Principle of Ballast Resistor18 November 20207107
What is a DC-to-DC Converter?23 April 20216781
Parking Access Control System using Arduino29 August 20235764
What is a Radar Sensor?04 September 202011049
Understanding of Carbon Film Resistors17 October 202522736
Microchip Technology
In Stock: 631
Minimum: 1 Multiples: 1
Qty
Unit Price
Ext Price
1
$1.450003
$1.45
10
$1.367927
$13.68
100
$1.290498
$129.05
500
$1.217450
$608.72
1000
$1.148538
$1,148.54
Not the price you want? Send RFQ Now and we'll contact you ASAP.
Inquire for More Quantity


Product
Brand
Articles
Tools






