STM32F030F4P6 Microcontrollers: Scheme, Pinout, and Datasheet
16KB 16K x 8 FLASH ARM® Cortex®-M0 32-Bit Microcontroller STM32F0 Series STM32F03 20 Pin 48MHz 3.3V 20-TSSOP (0.173, 4.40mm Width)









16KB 16K x 8 FLASH ARM® Cortex®-M0 32-Bit Microcontroller STM32F0 Series STM32F03 20 Pin 48MHz 3.3V 20-TSSOP (0.173, 4.40mm Width)
The STM32F030F4P6 microcontrollers have a 48 MHz Arm® Cortex®-M0 32-bit RISC processor, high-speed embedded storage (up to 256 Kbytes of Flash memory and up to 32 Kbytes of SRAM), and a wide range of upgraded peripherals and I/Os. This article mainly introduces scheme, pinout, datasheet and other information about STMicroelectronics STM32F030F4P6.

Get Starting STM32F030F4P6: Install KeilC, STM32CubeMx, Blink Example
- STM32F030F4P6 Description
- STM32F030F4P6 Pinout
- STM32F030F4P6 CAD Model
- STM32F030F4P6 Features
- Specifications
- Parts with Similar Specs
- STM32F030F4P6 Functional Block Diagram
- STM32F030F4P6 Power Supply Scheme
- STM32F030F4P6 Current Consumption Measurement
- STM32F030F4P6 Applications
- STM32F030F4P6 Package
- STM32F030F4P6 Manufacturer
- Trend Analysis
- Datasheet PDF
STM32F030F4P6 Description
The STM32F030F4P6 microcontrollers have a 48 MHz Arm® Cortex®-M0 32-bit RISC processor, high-speed embedded storage (up to 256 Kbytes of Flash memory and up to 32 Kbytes of SRAM), and a wide range of upgraded peripherals and I/Os. Standard communication interfaces (up to two I2Cs, two SPIs, and up to six USARTs) are available on all devices, as well as one 12-bit ADC, seven general-purpose 16-bit timers, and one advanced-control PWM timer.
From a 2.4 to 3.6V power supply, the STM32F030F4P6 microcontrollers function in the temperature range of -40 to +85 °C. Low-power applications can be designed thanks to a wide collection of power-saving options.
The STM32F030F4P6 microcontrollers come in four different packages with pin counts ranging from 20 to 64. Different peripherals are included depending on the device used. The following description gives an overview of the entire spectrum of STM32F030F4P6 peripherals available.
The STM32F030F4P6 microcontrollers have a wide range of applications, including application control and user interfaces, handheld equipment, A/V receivers, digital TV, PC peripherals, gaming, and GPS platforms, industrial applications, PLCs, inverters, printers, scanners, alarm systems, video intercoms, and HVACs.
STM32F030F4P6 Pinout

Pinout
STM32F030F4P6 CAD Model

Symbol

Footprint

3D Model
STM32F030F4P6 Features
• Core: Arm® 32-bit Cortex®-M0 CPU, frequency up to 48 MHz
• Memories
– 16 to 256 Kbytes of Flash memory
– 4 to 32 Kbytes of SRAM with HW parity
• CRC calculation unit
• Reset and power management
– Digital & I/Os supply: VDD = 2.4 V to 3.6 V
– Analog supply: VDDA = VDD to 3.6 V
– Power-on/Power down reset (POR/PDR)
– Low power modes: Sleep, Stop, Standby
• Clock management
– 4 to 32 MHz crystal oscillator
– 32 kHz oscillator for RTC with calibration
– Internal 8 MHz RC with x6 PLL option
– Internal 40 kHz RC oscillator
• Up to 55 fast I/Os
– All mappable on external interrupt vectors
– Up to 55 I/Os with 5V tolerant capability
• 5-channel DMA controller
• One 12-bit, 1.0 µs ADC (up to 16 channels)
– Conversion range: 0 to 3.6 V
– Separate analog supply: 2.4 V to 3.6 V
• Calendar RTC with alarm and periodic wakeup from Stop/Standby
• 11 timers
– One 16-bit advanced-control timer for six-channel PWM output
– Up to seven 16-bit timers, with up to four IC/OC, OCN, usable for IR control decoding
– Independent and system watchdog timers
– SysTick timer
• Communication interfaces
– Up to two I2C interfaces
– Fast Mode Plus (1 Mbit/s) support on one or two I/Fs, with 20 mA current sink
– SMBus/PMBus support (on single I/F)
– Up to six USARTs supporting master synchronous SPI and modem control; one with auto baud rate detection
– Up to two SPIs (18 Mbit/s) with 4 to 16 programmable bit frames
• Serial wire debug (SWD)
• All packages ECOPACK®2
Specifications
- TypeParameter
- Lifecycle Status
Lifecycle Status refers to the current stage of an electronic component in its product life cycle, indicating whether it is active, obsolete, or transitioning between these states. An active status means the component is in production and available for purchase. An obsolete status indicates that the component is no longer being manufactured or supported, and manufacturers typically provide a limited time frame for support. Understanding the lifecycle status is crucial for design engineers to ensure continuity and reliability in their projects.
ACTIVE (Last Updated: 7 months ago) - Factory Lead Time10 Weeks
- Contact Plating
Contact plating (finish) provides corrosion protection for base metals and optimizes the mechanical and electrical properties of the contact interfaces.
Gold - Mounting Type
The "Mounting Type" in electronic components refers to the method used to attach or connect a component to a circuit board or other substrate, such as through-hole, surface-mount, or panel mount.
Surface Mount - Package / Case
refers to the protective housing that encases an electronic component, providing mechanical support, electrical connections, and thermal management.
20-TSSOP (0.173, 4.40mm Width) - Surface Mount
having leads that are designed to be soldered on the side of a circuit board that the body of the component is mounted on.
YES - Number of Pins20
- Manufacturer Package Identifier
The Manufacturer Package Identifier is a unique code or label assigned by the manufacturer to identify a specific package or housing style of an electronic component. This identifier helps in distinguishing between different package types of the same component, such as integrated circuits, transistors, or diodes. It typically includes information about the package dimensions, lead configuration, and other physical characteristics of the component. The Manufacturer Package Identifier is crucial for ensuring compatibility and proper assembly of electronic components in various devices and circuits.
YA_ME - Data ConvertersA/D 11x12b
- Number of I/Os15
- Watchdog TimersYes
- Operating Temperature
The operating temperature is the range of ambient temperature within which a power supply, or any other electrical equipment, operate in. This ranges from a minimum operating temperature, to a peak or maximum operating temperature, outside which, the power supply may fail.
-40°C~85°C TA - Packaging
Semiconductor package is a carrier / shell used to contain and cover one or more semiconductor components or integrated circuits. The material of the shell can be metal, plastic, glass or ceramic.
Tube - Series
In electronic components, the "Series" refers to a group of products that share similar characteristics, designs, or functionalities, often produced by the same manufacturer. These components within a series typically have common specifications but may vary in terms of voltage, power, or packaging to meet different application needs. The series name helps identify and differentiate between various product lines within a manufacturer's catalog.
STM32F0 - Part Status
Parts can have many statuses as they progress through the configuration, analysis, review, and approval stages.
Active - Moisture Sensitivity Level (MSL)
Moisture Sensitivity Level (MSL) is a standardized rating that indicates the susceptibility of electronic components, particularly semiconductors, to moisture-induced damage during storage and the soldering process, defining the allowable exposure time to ambient conditions before they require special handling or baking to prevent failures
1 (Unlimited) - Number of Terminations20
- Max Power Dissipation
The maximum power that the MOSFET can dissipate continuously under the specified thermal conditions.
182mW - Terminal Position
In electronic components, the term "Terminal Position" refers to the physical location of the connection points on the component where external electrical connections can be made. These connection points, known as terminals, are typically used to attach wires, leads, or other components to the main body of the electronic component. The terminal position is important for ensuring proper connectivity and functionality of the component within a circuit. It is often specified in technical datasheets or component specifications to help designers and engineers understand how to properly integrate the component into their circuit designs.
DUAL - Terminal Form
Occurring at or forming the end of a series, succession, or the like; closing; concluding.
GULL WING - Supply Voltage
Supply voltage refers to the electrical potential difference provided to an electronic component or circuit. It is crucial for the proper operation of devices, as it powers their functions and determines performance characteristics. The supply voltage must be within specified limits to ensure reliability and prevent damage to components. Different electronic devices have specific supply voltage requirements, which can vary widely depending on their design and intended application.
3.3V - Frequency
In electronic components, the parameter "Frequency" refers to the rate at which a signal oscillates or cycles within a given period of time. It is typically measured in Hertz (Hz) and represents how many times a signal completes a full cycle in one second. Frequency is a crucial aspect in electronic components as it determines the behavior and performance of various devices such as oscillators, filters, and communication systems. Understanding the frequency characteristics of components is essential for designing and analyzing electronic circuits to ensure proper functionality and compatibility with other components in a system.
48MHz - Base Part Number
The "Base Part Number" (BPN) in electronic components serves a similar purpose to the "Base Product Number." It refers to the primary identifier for a component that captures the essential characteristics shared by a group of similar components. The BPN provides a fundamental way to reference a family or series of components without specifying all the variations and specific details.
STM32F03 - Supply Voltage-Min (Vsup)
The parameter "Supply Voltage-Min (Vsup)" in electronic components refers to the minimum voltage level required for the component to operate within its specified performance range. This parameter indicates the lowest voltage that can be safely applied to the component without risking damage or malfunction. It is crucial to ensure that the supply voltage provided to the component meets or exceeds this minimum value to ensure proper functionality and reliability. Failure to adhere to the specified minimum supply voltage may result in erratic behavior, reduced performance, or even permanent damage to the component.
2.4V - Interface
In electronic components, the term "Interface" refers to the point at which two different systems, devices, or components connect and interact with each other. It can involve physical connections such as ports, connectors, or cables, as well as communication protocols and standards that facilitate the exchange of data or signals between the connected entities. The interface serves as a bridge that enables seamless communication and interoperability between different parts of a system or between different systems altogether. Designing a reliable and efficient interface is crucial in ensuring proper functionality and performance of electronic components and systems.
I2C, SPI, UART, USART - Memory Size
The memory capacity is the amount of data a device can store at any given time in its memory.
16kB - Oscillator Type
Wien Bridge Oscillator; RC Phase Shift Oscillator; Hartley Oscillator; Voltage Controlled Oscillator; Colpitts Oscillator; Clapp Oscillators; Crystal Oscillators; Armstrong Oscillator.
Internal - RAM Size
RAM size refers to the amount of random access memory (RAM) available in an electronic component, such as a computer or smartphone. RAM is a type of volatile memory that stores data and instructions that are actively being used by the device's processor. The RAM size is typically measured in gigabytes (GB) and determines how much data the device can store and access quickly for processing. A larger RAM size allows for smoother multitasking, faster loading times, and better overall performance of the electronic component. It is an important factor to consider when choosing a device, especially for tasks that require a lot of memory, such as gaming, video editing, or running multiple applications simultaneously.
4K x 8 - Voltage - Supply (Vcc/Vdd)
Voltage - Supply (Vcc/Vdd) is a key parameter in electronic components that specifies the voltage level required for the proper operation of the device. It represents the power supply voltage that needs to be provided to the component for it to function correctly. This parameter is crucial as supplying the component with the correct voltage ensures that it operates within its specified limits and performance characteristics. It is typically expressed in volts (V) and is an essential consideration when designing and using electronic circuits to prevent damage and ensure reliable operation.
2.4V~3.6V - uPs/uCs/Peripheral ICs Type
The parameter "uPs/uCs/Peripheral ICs Type" refers to the classification of various integrated circuits used in electronic devices. It encompasses microprocessors (uPs), microcontrollers (uCs), and peripheral integrated circuits that provide additional functionalities. This classification helps in identifying the specific type of chip used for processing tasks, controlling hardware, or interfacing with other components in a system. Understanding this parameter is essential for selecting the appropriate electronic components for a given application.
MICROCONTROLLER, RISC - Core Processor
The term "Core Processor" typically refers to the central processing unit (CPU) of a computer or electronic device. It is the primary component responsible for executing instructions, performing calculations, and managing data within the system. The core processor is often considered the brain of the device, as it controls the overall operation and functionality. It is crucial for determining the speed and performance capabilities of the device, as well as its ability to handle various tasks and applications efficiently. In modern devices, core processors can have multiple cores, allowing for parallel processing and improved multitasking capabilities.
ARM® Cortex®-M0 - Peripherals
In the context of electronic components, "Peripherals" refer to devices or components that are connected to a main system or device to enhance its functionality or provide additional features. These peripherals can include input devices such as keyboards, mice, and touchscreens, as well as output devices like monitors, printers, and speakers. Other examples of peripherals include external storage devices, network adapters, and cameras. Essentially, peripherals are external devices that expand the capabilities of a main electronic system or device.
DMA, POR, PWM, WDT - Program Memory Type
Program memory typically refers to flash memory when it is used to hold the program (instructions). Program memory may also refer to a hard drive or solid state drive (SSD). Contrast with data memory.
FLASH - Core Size
Core size in electronic components refers to the physical dimensions of the core material used in devices such as inductors and transformers. The core size directly impacts the performance characteristics of the component, including its inductance, saturation current, and frequency response. A larger core size typically allows for higher power handling capabilities and lower core losses, while a smaller core size may result in a more compact design but with limitations on power handling and efficiency. Designers must carefully select the core size based on the specific requirements of the application to achieve optimal performance and efficiency.
32-Bit - Program Memory Size
Program Memory Size refers to the amount of memory available in an electronic component, such as a microcontroller or microprocessor, that is used to store program instructions. This memory is non-volatile, meaning that the data stored in it is retained even when the power is turned off. The program memory size determines the maximum amount of code that can be stored and executed by the electronic component. It is an important parameter to consider when selecting a component for a specific application, as insufficient program memory size may limit the functionality or performance of the device.
16KB 16K x 8 - Connectivity
In electronic components, "Connectivity" refers to the ability of a component to establish and maintain connections with other components or devices within a circuit. It is a crucial parameter that determines how easily signals can be transmitted between different parts of a circuit. Connectivity can be influenced by factors such as the number of input and output ports, the type of connectors used, and the overall design of the component. Components with good connectivity are essential for ensuring reliable and efficient operation of electronic systems.
I2C, SPI, UART/USART - Supply Current-Max
Supply Current-Max refers to the maximum amount of current that an electronic component or circuit can draw from its power supply under specified operating conditions. It is a critical parameter that determines the power consumption and thermal performance of the device. Exceeding this limit can lead to overheating, potential damage, or failure of the component. Knowing the Supply Current-Max helps in designing circuits that ensure proper operation and reliability.
23.2mA - Bit Size
In electronic components, "Bit Size" refers to the number of bits that can be processed or stored by a particular component. A bit is the smallest unit of data in computing and can have a value of either 0 or 1. The Bit Size parameter is commonly used to describe the capacity or performance of components such as microprocessors, memory modules, and data buses. A larger Bit Size generally indicates a higher processing capability or storage capacity, allowing for more complex operations and larger amounts of data to be handled efficiently. It is an important specification to consider when selecting electronic components for specific applications that require certain levels of performance and data processing capabilities.
32 - Has ADC
Has ADC refers to the presence of an Analog-to-Digital Converter (ADC) in an electronic component. An ADC is a crucial component in many electronic devices as it converts analog signals, such as voltage or current, into digital data that can be processed by a digital system. Having an ADC allows the electronic component to interface with analog signals and convert them into a format that can be manipulated and analyzed digitally. This parameter is important for applications where analog signals need to be converted into digital form for further processing or control.
YES - DMA Channels
DMA (Direct Memory Access) Channels are a feature found in electronic components such as microcontrollers, microprocessors, and peripheral devices. DMA Channels allow data to be transferred directly between peripherals and memory without involving the CPU, thereby reducing the burden on the CPU and improving overall system performance. Each DMA Channel is typically assigned to a specific peripheral device or memory region, enabling efficient data transfer operations. The number of DMA Channels available in a system determines the concurrent data transfer capabilities and can vary depending on the specific hardware design. Overall, DMA Channels play a crucial role in optimizing data transfer efficiency and system performance in electronic devices.
YES - Data Bus Width
The data bus width in electronic components refers to the number of bits that can be transferred simultaneously between the processor and memory. It determines the amount of data that can be processed and transferred in a single operation. A wider data bus allows for faster data transfer speeds and improved overall performance of the electronic device. Common data bus widths include 8-bit, 16-bit, 32-bit, and 64-bit, with higher numbers indicating a larger capacity for data transfer. The data bus width is an important specification to consider when evaluating the speed and efficiency of a computer system or other electronic device.
32b - Number of Timers/Counters5
- Core Architecture
In electronic components, the term "Core Architecture" refers to the fundamental design and structure of the component's internal circuitry. It encompasses the arrangement of key components, such as processors, memory units, and input/output interfaces, within the device. The core architecture plays a crucial role in determining the component's performance, power efficiency, and overall capabilities. Different core architectures are optimized for specific applications and requirements, such as high-speed processing, low power consumption, or specialized functions. Understanding the core architecture of electronic components is essential for engineers and designers to select the most suitable components for their projects.
ARM - CPU Family
CPU Family refers to a classification of microprocessors that share a common architecture and design traits. It signifies a group of processors that are typically produced by the same manufacturer and have similar functionality and features. The CPU Family can encompass various models that may differ in performance, power consumption, and specific capabilities but retain a unified core design, allowing for compatibility with software and hardware. This classification helps users and developers to understand the performance characteristics and upgrade pathways of different CPU models within the same family.
CORTEX-M0 - Number of ADC Channels16
- Number of PWM Channels6
- Number of I2C Channels1
- Height1.05mm
- Length6.6mm
- Width4.5mm
- REACH SVHC
The parameter "REACH SVHC" in electronic components refers to the compliance with the Registration, Evaluation, Authorization, and Restriction of Chemicals (REACH) regulation regarding Substances of Very High Concern (SVHC). SVHCs are substances that may have serious effects on human health or the environment, and their use is regulated under REACH to ensure their safe handling and minimize their impact.Manufacturers of electronic components need to declare if their products contain any SVHCs above a certain threshold concentration and provide information on the safe use of these substances. This information allows customers to make informed decisions about the potential risks associated with using the components and take appropriate measures to mitigate any hazards.Ensuring compliance with REACH SVHC requirements is essential for electronics manufacturers to meet regulatory standards, protect human health and the environment, and maintain transparency in their supply chain. It also demonstrates a commitment to sustainability and responsible manufacturing practices in the electronics industry.
No SVHC - Radiation Hardening
Radiation hardening is the process of making electronic components and circuits resistant to damage or malfunction caused by high levels of ionizing radiation, especially for environments in outer space (especially beyond the low Earth orbit), around nuclear reactors and particle accelerators, or during nuclear accidents or nuclear warfare.
No - RoHS Status
RoHS means “Restriction of Certain Hazardous Substances” in the “Hazardous Substances Directive” in electrical and electronic equipment.
ROHS3 Compliant - Lead Free
Lead Free is a term used to describe electronic components that do not contain lead as part of their composition. Lead is a toxic material that can have harmful effects on human health and the environment, so the electronics industry has been moving towards lead-free components to reduce these risks. Lead-free components are typically made using alternative materials such as silver, copper, and tin. Manufacturers must comply with regulations such as the Restriction of Hazardous Substances (RoHS) directive to ensure that their products are lead-free and environmentally friendly.
Lead Free
Parts with Similar Specs
- ImagePart NumberManufacturerPackage / CaseNumber of PinsCore ArchitectureData Bus WidthNumber of I/OInterfaceMemory SizeSupply VoltageView Compare
STM32F030F4P6
20-TSSOP (0.173, 4.40mm Width)
20
ARM
32 b
15
I2C, SPI, UART, USART
16 kB
3.3 V
20-TSSOP (0.173, 4.40mm Width)
20
ARM
32 b
15
I2C, I2S, IrDA, LIN, SPI, USART
32 kB
3.3 V
20-TSSOP (0.173, 4.40mm Width)
20
ARM
32 b
15
I2C, I2S, IrDA, LIN, SPI, UART, USART
16 kB
3.3 V
20-TSSOP (0.173, 4.40mm Width)
20
ARM
32 b
15
I2C, SPI, USART, USB
32 kB
3.3 V
16-TSSOP (0.173, 4.40mm Width)
-
-
-
14
-
-
3 V
STM32F030F4P6 Functional Block Diagram


Functional Block Diagram
STM32F030F4P6 Power Supply Scheme

Power Supply Scheme
Filtering ceramic capacitors must be used to decouple each power supply pair (VDD/VSS, VDDA/VSSA, etc.). To ensure that the device works properly, these capacitors should be put as close as possible to, or below, the necessary pins on the underside of the PCB.
STM32F030F4P6 Current Consumption Measurement

Current Consumption Measurement
STM32F030F4P6 Applications
• Application Control
• User Interfaces
• Handheld Equipment
• A/V Receivers
• Digital TV
• PC Peripherals
• Gaming
• GPS Platforms
• Industrial Applications
• PLCs
• Inverters
• Printers
• Scanners
• Alarm systems
• Video intercoms
• HVACs
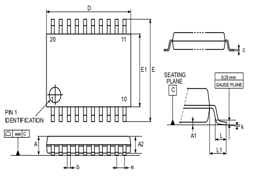
STM32F030F4P6 Package

Package
STM32F030F4P6 Manufacturer
STMicroelectronics, headquartered in Plan-les-Ouates, Switzerland, near Geneva, is a multinational electronics and semiconductors firm. The company was created in 1987 by the merger of two government-owned semiconductor companies: "Thomson Semiconductors" in France and "SGS Microelettronica" in Italy. It is known as "ST" and is the most profitable semiconductor chip producer in Europe. While the corporate headquarters and EMEA regional offices of STMicroelectronics are in Geneva, the holding company, STMicroelectronics N.V., is based in the Netherlands.
ST In situations where microelectronics has a positive impact on people's lives, microelectronics technology can be discovered. Automobiles and key fobs, big manufacturing machinery and data center power supplies, washing machines and hard drives, cellphones and toothbrushes all use ST chips with the newest developments. We help our clients make their devices smarter, more energy-efficient, connected, safer, and more secure.
Trend Analysis
Datasheet PDF
- Datasheets :
1.Is there any domestic ARM chip compatible with STM32F030F4P6?
Many domestic products, such as GD32F130F4P6 in GD, Zhongkexin.
2.Does STM32F030F4P6 have no ID?
Through the official software, the problem has been solved, and this chip does not have an ID.
3.How to do STM32F030F4P6 subtle delay?
A timer must be used for subtle delays. F030 is a 48M frequency. After dividing by 48, the frequency is 1MHz and the period is 1 microsecond. Use the timer to record this pulse. Assuming a delay of 10us, it will be generated after 10 times of recording. Interrupt, you can reach a 10us delay.
STR750Fxx, STR751Fxx, STR752Fxx, STR755Fxx Microcontrollers: Technical Overview and Specifications29 February 202491
STM32F091CC Microcontroller: Features, Pinout, and Datasheet13 January 20221594
UC3843 PWM Controller: Pinout, Datasheet and Uses16 August 202144504
LM741CN vs UA741CN : Which one is better?26 February 20229356
2N4401 VS 2N390425 February 20222148
NCV33164 Micropower Undervoltage Sensing Circuits: Features, Pinout and Datasheet10 March 2022400
L7812CV Voltage Regulator: Pinout, Datasheet, and Schematic Diagram05 July 202118008
ESP32S2 WiFi 802.11b/g/n Transceiver Module: Datasheet, Pinout, and Application13 January 20222427
European Chipmakers Experience Decline Following SMIC's Profit Slump20 November 20231674
Effect Of Target Physical Properties And Energetic Ions When Doping Thin-Body Semiconductor19 October 20221075
Humidity Sensor: Classification, Package and Application13 November 20253911
Active Electroacoustic Resonator-Silent Speaker10 November 20213783
VRLA Battery: Working Principle, Capacity and Maintenance12 March 20219533
SoftBank's Arm Gears Up for the Largest IPO of 2023 Riding the AI Wave07 September 20232273
What is Cloud Storage?07 October 20211748
Trusted Vibration Sensors for Homeowners and Industry Professionals17 July 2025528
STMicroelectronics
In Stock: 35682
United States
China
Canada
Japan
Russia
Germany
United Kingdom
Singapore
Italy
Hong Kong(China)
Taiwan(China)
France
Korea
Mexico
Netherlands
Malaysia
Austria
Spain
Switzerland
Poland
Thailand
Vietnam
India
United Arab Emirates
Afghanistan
Åland Islands
Albania
Algeria
American Samoa
Andorra
Angola
Anguilla
Antigua & Barbuda
Argentina
Armenia
Aruba
Australia
Azerbaijan
Bahamas
Bahrain
Bangladesh
Barbados
Belarus
Belgium
Belize
Benin
Bermuda
Bhutan
Bolivia
Bonaire, Sint Eustatius and Saba
Bosnia & Herzegovina
Botswana
Brazil
British Indian Ocean Territory
British Virgin Islands
Brunei
Bulgaria
Burkina Faso
Burundi
Cabo Verde
Cambodia
Cameroon
Cayman Islands
Central African Republic
Chad
Chile
Christmas Island
Cocos (Keeling) Islands
Colombia
Comoros
Congo
Congo (DRC)
Cook Islands
Costa Rica
Côte d’Ivoire
Croatia
Cuba
Curaçao
Cyprus
Czechia
Denmark
Djibouti
Dominica
Dominican Republic
Ecuador
Egypt
El Salvador
Equatorial Guinea
Eritrea
Estonia
Eswatini
Ethiopia
Falkland Islands
Faroe Islands
Fiji
Finland
French Guiana
French Polynesia
Gabon
Gambia
Georgia
Ghana
Gibraltar
Greece
Greenland
Grenada
Guadeloupe
Guam
Guatemala
Guernsey
Guinea
Guinea-Bissau
Guyana
Haiti
Honduras
Hungary
Iceland
Indonesia
Iran
Iraq
Ireland
Isle of Man
Israel
Jamaica
Jersey
Jordan
Kazakhstan
Kenya
Kiribati
Kosovo
Kuwait
Kyrgyzstan
Laos
Latvia
Lebanon
Lesotho
Liberia
Libya
Liechtenstein
Lithuania
Luxembourg
Macao(China)
Madagascar
Malawi
Maldives
Mali
Malta
Marshall Islands
Martinique
Mauritania
Mauritius
Mayotte
Micronesia
Moldova
Monaco
Mongolia
Montenegro
Montserrat
Morocco
Mozambique
Myanmar
Namibia
Nauru
Nepal
New Caledonia
New Zealand
Nicaragua
Niger
Nigeria
Niue
Norfolk Island
North Korea
North Macedonia
Northern Mariana Islands
Norway
Oman
Pakistan
Palau
Palestinian Authority
Panama
Papua New Guinea
Paraguay
Peru
Philippines
Pitcairn Islands
Portugal
Puerto Rico
Qatar
Réunion
Romania
Rwanda
Samoa
San Marino
São Tomé & Príncipe
Saudi Arabia
Senegal
Serbia
Seychelles
Sierra Leone
Sint Maarten
Slovakia
Slovenia
Solomon Islands
Somalia
South Africa
South Sudan
Sri Lanka
St Helena, Ascension, Tristan da Cunha
St. Barthélemy
St. Kitts & Nevis
St. Lucia
St. Martin
St. Pierre & Miquelon
St. Vincent & Grenadines
Sudan
Suriname
Svalbard & Jan Mayen
Sweden
Syria
Tajikistan
Tanzania
Timor-Leste
Togo
Tokelau
Tonga
Trinidad & Tobago
Tunisia
Turkey
Turkmenistan
Turks & Caicos Islands
Tuvalu
U.S. Outlying Islands
U.S. Virgin Islands
Uganda
Ukraine
Uruguay
Uzbekistan
Vanuatu
Vatican City
Venezuela
Wallis & Futuna
Yemen
Zambia
Zimbabwe










