TPS92515QDGQRQ1 LED Drivers: Equivalence, Datasheet, and Pinout
0.5mm PMIC Automotive, AEC-Q100 Series TPS92515 10 Pin 40V 10-TFSOP, 10-MSOP (0.118, 3.00mm Width) Exposed Pad









0.5mm PMIC Automotive, AEC-Q100 Series TPS92515 10 Pin 40V 10-TFSOP, 10-MSOP (0.118, 3.00mm Width) Exposed Pad
TPS92515QDGQRQ1 is a compact monolithic switching regulator integrating a low resistance N-Channel MOSFET. This passage is going to introduce TPS92515QDGQRQ1 from the perspectives of description, manufacturer, datasheet, pinout, circuit, and others.
- TPS92515QDGQRQ1 Description
- TPS92515QDGQRQ1 Feature
- TPS92515QDGQRQ1 CAD Models
- How to use TPS92515QDGQRQ1
- TPS92515QDGQRQ1 Application
- TPS92515QDGQRQ1 Manufacturer
- TPS92515QDGQRQ1 Alternatives
- TPS92515QDGQRQ1 Application Circuit
- TPS92515QDGQRQ1 Package outlone
- Specifications
- Trend Analysis
- Datasheet PDF
- Parts with Similar Specs
TPS92515QDGQRQ1 Description
TPS92515QDGQRQ1 LED Drivers from Texas Instruments are monolithic switching regulators with a low resistance N-Channel MOSFET integrated. The device is designed for high-brightness LED lighting applications that require efficiency, high bandwidth, PWM and/or analog dimming, and compactness. The regulator works by controlling peak current with a consistent off-time. The procedure is straightforward: after an off-time determined by the output voltage, and on-time begins. When the inductor peak current threshold is achieved, the on-time comes to an end. During the ON and OFF periods of a shunt FET dimming cycle, the TPS92515QDGQRQ1 device can be set to maintain a consistent peak-to-peak ripple. This is great for maintaining a linear response across the whole dimming range of shunt FETs.
TPS92515QDGQRQ1 Feature
• AEC-Q100 Grade 1 Qualified
• Integrated 290-mΩ (typ) Internal N-Channel FET
• Input Voltage Range:
– TPS92515x: 5.5 V to 42 V – TPS92515HVx: 5.5 V to 65 V – Operation Down to 5.15 V After Start-Up
• Low Offset High-side Peak Current Comparator
• Constant Average Current, up to 2 A • Inherent Cycle-by-Cycle Current Limit
• Multiple Dimming Methods
– 10,000:1 Shunt PWM Dimming Range
– 1000:1 PWM Dimming Range
– 200:1 Analog Dimming Range
• Simple Constant Off-time Control
– No Loop Compensation
– Fast Transient Response
• Thermally Enhanced HVSSOP Package
• Integrated Thermal Protection
TPS92515QDGQRQ1 CAD Models
Symbol

Footprint

3D Models

How to use TPS92515QDGQRQ1
The TPS92515QDGQRQ1 operates using a peak-current, constant OFF-time. Two states dictate
the high-side FET control. The switch turns on and stays on until the programmed peak current is reached. The peak current is controlled by monitoring the voltage across the sense resistor. When the voltage drop is higher than the programmed threshold, the peak current is reached, and the switch is turned OFF, which initiates the OFF-time period. A capacitor on the COFF pin is then charged through a resistor connected to the output. When the COFF pin voltage reaches the 1-V (typical) threshold, the OFF-time ends. The COFF pin capacitor resets and the main switch turns ON, and the next cycle begins.
TPS92515QDGQRQ1 Application
1. Industrial
Aerospace & defense/Appliances/Building automation/Electronic point of sale (EPOS)/Factory automation & control/Grid infrastructure/Industrial transport (non-car & non-light truck)/LightingMedical/Motor drives/Power delivery/Pro audio, video & signage/Test & measurement
2. Enterprise systems
Datacenter & enterprise computing/Enterprise machine/Enterprise projectors
3. Personal electronics
Connected peripherals & printers/Data storage/Gaming/Home theater & entertainment/Mobile phones/PC & notebooks/Portable electronics/Tablets/TV/Wearables (non-medical)
TPS92515QDGQRQ1 Manufacturer
Texas Instruments Incorporated (TI) is an American technology company based in Dallas, Texas, that designs and manufactures semiconductors and integrated circuits for electronic designers and manufacturers around the world. Based on sales volume, it is one of the top ten semiconductor companies in the world. Analog chips and embedded processors, which account for more than 80% of the company's revenue, are the company's main focus. TI also makes calculators, microcontrollers, and multi-core processors, as well as TI digital light processing technology and education technology. As of 2016, the company had 45,000 patents worldwide.
TPS92515QDGQRQ1 Alternatives
HV9918K7-G, LTC3202EDD, LT3474EFE-1#PBF, MAX16832CASA+, PAM2863ECR, LT1937ES5#TRMPBF, MAX16822AASA+, HV9967BMG-G, MCP1664T-E/OT, BD60910GU-E2
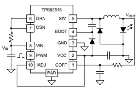
TPS92515QDGQRQ1 Application Circuit

TPS92515QDGQRQ1 Package outlone

Specifications
- TypeParameter
- Lifecycle Status
Lifecycle Status refers to the current stage of an electronic component in its product life cycle, indicating whether it is active, obsolete, or transitioning between these states. An active status means the component is in production and available for purchase. An obsolete status indicates that the component is no longer being manufactured or supported, and manufacturers typically provide a limited time frame for support. Understanding the lifecycle status is crucial for design engineers to ensure continuity and reliability in their projects.
ACTIVE (Last Updated: 6 days ago) - Factory Lead Time12 Weeks
- Mounting Type
The "Mounting Type" in electronic components refers to the method used to attach or connect a component to a circuit board or other substrate, such as through-hole, surface-mount, or panel mount.
Surface Mount - Package / Case
refers to the protective housing that encases an electronic component, providing mechanical support, electrical connections, and thermal management.
10-TFSOP, 10-MSOP (0.118, 3.00mm Width) Exposed Pad - Surface Mount
having leads that are designed to be soldered on the side of a circuit board that the body of the component is mounted on.
YES - Number of Pins10
- Operating Temperature
The operating temperature is the range of ambient temperature within which a power supply, or any other electrical equipment, operate in. This ranges from a minimum operating temperature, to a peak or maximum operating temperature, outside which, the power supply may fail.
-40°C~150°C TJ - Packaging
Semiconductor package is a carrier / shell used to contain and cover one or more semiconductor components or integrated circuits. The material of the shell can be metal, plastic, glass or ceramic.
Tape & Reel (TR) - Series
In electronic components, the "Series" refers to a group of products that share similar characteristics, designs, or functionalities, often produced by the same manufacturer. These components within a series typically have common specifications but may vary in terms of voltage, power, or packaging to meet different application needs. The series name helps identify and differentiate between various product lines within a manufacturer's catalog.
Automotive, AEC-Q100 - Pbfree Code
The "Pbfree Code" parameter in electronic components refers to the code or marking used to indicate that the component is lead-free. Lead (Pb) is a toxic substance that has been widely used in electronic components for many years, but due to environmental concerns, there has been a shift towards lead-free alternatives. The Pbfree Code helps manufacturers and users easily identify components that do not contain lead, ensuring compliance with regulations and promoting environmentally friendly practices. It is important to pay attention to the Pbfree Code when selecting electronic components to ensure they meet the necessary requirements for lead-free applications.
yes - Part Status
Parts can have many statuses as they progress through the configuration, analysis, review, and approval stages.
Active - Moisture Sensitivity Level (MSL)
Moisture Sensitivity Level (MSL) is a standardized rating that indicates the susceptibility of electronic components, particularly semiconductors, to moisture-induced damage during storage and the soldering process, defining the allowable exposure time to ambient conditions before they require special handling or baking to prevent failures
2 (1 Year) - Number of Terminations10
- TypeDC DC Regulator
- Applications
The parameter "Applications" in electronic components refers to the specific uses or functions for which a component is designed. It encompasses various fields such as consumer electronics, industrial automation, telecommunications, automotive, and medical devices. Understanding the applications helps in selecting the right components for a particular design based on performance, reliability, and compatibility requirements. This parameter also guides manufacturers in targeting their products to relevant markets and customer needs.
Automotive, Lighting - Terminal Position
In electronic components, the term "Terminal Position" refers to the physical location of the connection points on the component where external electrical connections can be made. These connection points, known as terminals, are typically used to attach wires, leads, or other components to the main body of the electronic component. The terminal position is important for ensuring proper connectivity and functionality of the component within a circuit. It is often specified in technical datasheets or component specifications to help designers and engineers understand how to properly integrate the component into their circuit designs.
DUAL - Terminal Form
Occurring at or forming the end of a series, succession, or the like; closing; concluding.
GULL WING - Number of Functions1
- Supply Voltage
Supply voltage refers to the electrical potential difference provided to an electronic component or circuit. It is crucial for the proper operation of devices, as it powers their functions and determines performance characteristics. The supply voltage must be within specified limits to ensure reliability and prevent damage to components. Different electronic devices have specific supply voltage requirements, which can vary widely depending on their design and intended application.
40V - Terminal Pitch
The center distance from one pole to the next.
0.5mm - Base Part Number
The "Base Part Number" (BPN) in electronic components serves a similar purpose to the "Base Product Number." It refers to the primary identifier for a component that captures the essential characteristics shared by a group of similar components. The BPN provides a fundamental way to reference a family or series of components without specifying all the variations and specific details.
TPS92515 - Number of Outputs1
- Quiescent Current
The quiescent current is defined as the current level in the amplifier when it is producing an output of zero.
1mA - Topology
In the context of electronic components, "topology" refers to the arrangement or configuration of the components within a circuit or system. It defines how the components are connected to each other and how signals flow between them. The choice of topology can significantly impact the performance, efficiency, and functionality of the electronic system. Common topologies include series, parallel, star, mesh, and hybrid configurations, each with its own advantages and limitations. Designers carefully select the appropriate topology based on the specific requirements of the circuit to achieve the desired performance and functionality.
Step-Down (Buck) - Internal Switch(s)
The term "Internal Switch(s)" in electronic components typically refers to a built-in mechanism within a device that allows for the control of electrical current flow. These internal switches can be used to turn circuits on or off, change the direction of current, or regulate the flow of electricity within the component. They are often designed to be controlled externally, either manually or automatically, to enable various functions or operations within the electronic device. Internal switches play a crucial role in the overall functionality and performance of electronic components by providing a means to manage and manipulate electrical signals effectively.
Yes - Dimming
Dimming is a feature in electronic components, such as LED lights or display screens, that allows the user to adjust the brightness level of the device. It is a method of controlling the amount of light output by the component, typically by varying the voltage or current supplied to it. Dimming can be achieved through various techniques, such as pulse-width modulation (PWM) or analog dimming. This feature is commonly used to save energy, create ambiance, or enhance visual comfort in different applications.
Analog, PWM - Number of Segments1
- Voltage - Supply (Max)
Voltage - Supply (Max) is a parameter in electronic components that specifies the maximum voltage that can be safely applied to the component for proper operation. This parameter is crucial for ensuring the component's longevity and preventing damage due to overvoltage conditions. Exceeding the maximum supply voltage can lead to component failure, reduced performance, or even permanent damage. Designers must carefully consider this parameter when selecting components and designing circuits to ensure reliable and safe operation within the specified voltage limits.
42V - Voltage - Supply (Min)
Voltage - Supply (Min) is a parameter in electronic components that specifies the minimum voltage required for the component to operate within its specified performance range. This parameter indicates the lowest voltage level that can be safely applied to the component without causing malfunctions or damage. It is crucial to ensure that the supply voltage provided to the component is equal to or higher than the specified minimum voltage to guarantee proper functionality and reliability. Failure to meet this requirement may result in erratic behavior, reduced performance, or even permanent damage to the component.
5.5V - Multiplexed Display Capability
Multiplexed Display Capability refers to the ability of an electronic component or system to control multiple display elements using fewer input/output lines. This is achieved by rapidly switching between different displays or segments, allowing for efficient communication and reduced wiring complexity. In multiplexed systems, each display is activated sequentially, creating the illusion of simultaneous display to the user. This capability is commonly utilized in devices like LED matrices and LCD screens to enhance functionality while conserving space and resources.
NO - Height1.1mm
- Length3mm
- Width3mm
- Thickness
Thickness in electronic components refers to the measurement of how thick a particular material or layer is within the component structure. It can pertain to various aspects, such as the thickness of a substrate, a dielectric layer, or conductive traces. This parameter is crucial as it impacts the electrical, mechanical, and thermal properties of the component, influencing its performance and reliability in electronic circuits.
1.02mm - RoHS Status
RoHS means “Restriction of Certain Hazardous Substances” in the “Hazardous Substances Directive” in electrical and electronic equipment.
ROHS3 Compliant - Lead Free
Lead Free is a term used to describe electronic components that do not contain lead as part of their composition. Lead is a toxic material that can have harmful effects on human health and the environment, so the electronics industry has been moving towards lead-free components to reduce these risks. Lead-free components are typically made using alternative materials such as silver, copper, and tin. Manufacturers must comply with regulations such as the Restriction of Hazardous Substances (RoHS) directive to ensure that their products are lead-free and environmentally friendly.
Lead Free
Trend Analysis
Datasheet PDF
- Datasheets :
Parts with Similar Specs
What’s the dimensions of TPS92515QDGQRQ1 ?
Height:1.1mm/Length:3mm/Thickness:1.02mm/Width:3mm
What are recommended for TPS92515QDGQRQ1 power supply?
The TPS92515QDGQRQ1 was developed with two main input source options in mind: direct from the battery or via the boost stage output. Ensure that the input voltage ripple requirements are met for both applications. The input ripple must not exceed 10% of the input voltage and must not exceed 2 V.
How many pins does TPS92515QDGQRQ1 have?
It has 10 pins.
Where does TPS92515QDGQRQ1 can be applied?
It can be applied in PC, home theater, printer, TV, and other personal electronics.
What’s the ideal operating conditions of TPS92515QDGQRQ1?
The max operating junction temperature is 150℃, and the input voltage is from 5.5-42v.
TL431CZ Automotive Adjustable Voltage Reference: Pinout, Datasheet, and Applications16 September 2021551
TCMT4600 Input Phototransister: Pinout, Datasheet, and Circuit16 March 2022774
2N5306 Transistor: NPN Darlington Transistor, Datasheet, Pinout21 December 20211636
SN74HC164N: Features, Applications, and Datasheet07 December 20231953
J111 JFET Transistor: J111 Datasheet, Pinout, Equivalent12 April 20226860
LM317LZ Voltage Regulator: Circuits, Pinout, and Datasheet14 January 20224446
Transistor PN2222A Silicon NPN Audio Amplifier: Pinout, Datasheet, and Package12 January 20223284
LTC6902CMS#PBF: Programmable Timer and Oscillator for Precision Timing Applications06 March 2024251
Three-Phase WBG Resonant Converter Integrated with PCB Winding Transformer20 October 20232163
Working Principle and Characteristics of Zener diodes20 October 202522635
7 Promising Semiconductor Stocks Amid U.S.-China Chip War18 September 20232631
European Chipmakers Experience Decline Following SMIC's Profit Slump20 November 20231660
Introduction to Flash Memory31 October 20257348
How many Transistors in a CPU?15 April 202562618
An Overview of Photoelectric Sensors27 October 20257783
Utmel Attends the PCIM Europe 2023– Excelling in Power Electronics20 June 20234885
Texas Instruments
In Stock: 6568
United States
China
Canada
Japan
Russia
Germany
United Kingdom
Singapore
Italy
Hong Kong(China)
Taiwan(China)
France
Korea
Mexico
Netherlands
Malaysia
Austria
Spain
Switzerland
Poland
Thailand
Vietnam
India
United Arab Emirates
Afghanistan
Åland Islands
Albania
Algeria
American Samoa
Andorra
Angola
Anguilla
Antigua & Barbuda
Argentina
Armenia
Aruba
Australia
Azerbaijan
Bahamas
Bahrain
Bangladesh
Barbados
Belarus
Belgium
Belize
Benin
Bermuda
Bhutan
Bolivia
Bonaire, Sint Eustatius and Saba
Bosnia & Herzegovina
Botswana
Brazil
British Indian Ocean Territory
British Virgin Islands
Brunei
Bulgaria
Burkina Faso
Burundi
Cabo Verde
Cambodia
Cameroon
Cayman Islands
Central African Republic
Chad
Chile
Christmas Island
Cocos (Keeling) Islands
Colombia
Comoros
Congo
Congo (DRC)
Cook Islands
Costa Rica
Côte d’Ivoire
Croatia
Cuba
Curaçao
Cyprus
Czechia
Denmark
Djibouti
Dominica
Dominican Republic
Ecuador
Egypt
El Salvador
Equatorial Guinea
Eritrea
Estonia
Eswatini
Ethiopia
Falkland Islands
Faroe Islands
Fiji
Finland
French Guiana
French Polynesia
Gabon
Gambia
Georgia
Ghana
Gibraltar
Greece
Greenland
Grenada
Guadeloupe
Guam
Guatemala
Guernsey
Guinea
Guinea-Bissau
Guyana
Haiti
Honduras
Hungary
Iceland
Indonesia
Iran
Iraq
Ireland
Isle of Man
Israel
Jamaica
Jersey
Jordan
Kazakhstan
Kenya
Kiribati
Kosovo
Kuwait
Kyrgyzstan
Laos
Latvia
Lebanon
Lesotho
Liberia
Libya
Liechtenstein
Lithuania
Luxembourg
Macao(China)
Madagascar
Malawi
Maldives
Mali
Malta
Marshall Islands
Martinique
Mauritania
Mauritius
Mayotte
Micronesia
Moldova
Monaco
Mongolia
Montenegro
Montserrat
Morocco
Mozambique
Myanmar
Namibia
Nauru
Nepal
New Caledonia
New Zealand
Nicaragua
Niger
Nigeria
Niue
Norfolk Island
North Korea
North Macedonia
Northern Mariana Islands
Norway
Oman
Pakistan
Palau
Palestinian Authority
Panama
Papua New Guinea
Paraguay
Peru
Philippines
Pitcairn Islands
Portugal
Puerto Rico
Qatar
Réunion
Romania
Rwanda
Samoa
San Marino
São Tomé & Príncipe
Saudi Arabia
Senegal
Serbia
Seychelles
Sierra Leone
Sint Maarten
Slovakia
Slovenia
Solomon Islands
Somalia
South Africa
South Sudan
Sri Lanka
St Helena, Ascension, Tristan da Cunha
St. Barthélemy
St. Kitts & Nevis
St. Lucia
St. Martin
St. Pierre & Miquelon
St. Vincent & Grenadines
Sudan
Suriname
Svalbard & Jan Mayen
Sweden
Syria
Tajikistan
Tanzania
Timor-Leste
Togo
Tokelau
Tonga
Trinidad & Tobago
Tunisia
Turkey
Turkmenistan
Turks & Caicos Islands
Tuvalu
U.S. Outlying Islands
U.S. Virgin Islands
Uganda
Ukraine
Uruguay
Uzbekistan
Vanuatu
Vatican City
Venezuela
Wallis & Futuna
Yemen
Zambia
Zimbabwe











