TS555 CMOS Timer: Datasheet, Application, Schematic
3V 555 Type, Timer/Oscillator (Single) Programmable Timers TS555 8 Pins 2.7MHz 3V 8-TSSOP (0.173, 4.40mm Width)









3V 555 Type, Timer/Oscillator (Single) Programmable Timers TS555 8 Pins 2.7MHz 3V 8-TSSOP (0.173, 4.40mm Width)
The TS555 is a single CMOS timer. This post will unlock more detailed information about TS555.

CMOS 555 Timer - TS555 vs NE555 Power Consumption
TS555 Pinout

TS555 Pinout
TS555 CAD Model
Symbol

TS555 Symbol
Footprint

TS555 Footprint
3D Model

TS555 3D Model
TS555 Description
The TS555 is a single CMOS timer which offers very low consumption (Icc(TYP) TS555 = 110µA at VCC=+5V versus Icc(TYP) NE555 = 3mA) and high frequency ff(max.) TS555 = 2.7MHz versus f(max.) NE555 = 0.1 MHz) Thus, either in Monostable or Astable mode, timing remains very accurate.
The TS555 provides reduced supply current spikes during output transitions, which enables the use of lower decoupling capacitors compared to those required by bipolar NE555. Timing capacitors can also be minimized due to high input impedance (1012Ω).
Specifications
- TypeParameter
- Mount
In electronic components, the term "Mount" typically refers to the method or process of physically attaching or fixing a component onto a circuit board or other electronic device. This can involve soldering, adhesive bonding, or other techniques to secure the component in place. The mounting process is crucial for ensuring proper electrical connections and mechanical stability within the electronic system. Different components may have specific mounting requirements based on their size, shape, and function, and manufacturers provide guidelines for proper mounting procedures to ensure optimal performance and reliability of the electronic device.
Surface Mount - Mounting Type
The "Mounting Type" in electronic components refers to the method used to attach or connect a component to a circuit board or other substrate, such as through-hole, surface-mount, or panel mount.
Surface Mount - Package / Case
refers to the protective housing that encases an electronic component, providing mechanical support, electrical connections, and thermal management.
8-TSSOP (0.173, 4.40mm Width) - Number of Pins8
- Weight4.535924g
- Operating Temperature
The operating temperature is the range of ambient temperature within which a power supply, or any other electrical equipment, operate in. This ranges from a minimum operating temperature, to a peak or maximum operating temperature, outside which, the power supply may fail.
-40°C~125°C - Packaging
Semiconductor package is a carrier / shell used to contain and cover one or more semiconductor components or integrated circuits. The material of the shell can be metal, plastic, glass or ceramic.
Tape & Reel (TR) - JESD-609 Code
The "JESD-609 Code" in electronic components refers to a standardized marking code that indicates the lead-free solder composition and finish of electronic components for compliance with environmental regulations.
e3 - Part Status
Parts can have many statuses as they progress through the configuration, analysis, review, and approval stages.
Obsolete - Moisture Sensitivity Level (MSL)
Moisture Sensitivity Level (MSL) is a standardized rating that indicates the susceptibility of electronic components, particularly semiconductors, to moisture-induced damage during storage and the soldering process, defining the allowable exposure time to ambient conditions before they require special handling or baking to prevent failures
1 (Unlimited) - Number of Terminations8
- ECCN Code
An ECCN (Export Control Classification Number) is an alphanumeric code used by the U.S. Bureau of Industry and Security to identify and categorize electronic components and other dual-use items that may require an export license based on their technical characteristics and potential for military use.
EAR99 - Type555 Type, Timer/Oscillator (Single)
- Terminal Finish
Terminal Finish refers to the surface treatment applied to the terminals or leads of electronic components to enhance their performance and longevity. It can improve solderability, corrosion resistance, and overall reliability of the connection in electronic assemblies. Common finishes include nickel, gold, and tin, each possessing distinct properties suitable for various applications. The choice of terminal finish can significantly impact the durability and effectiveness of electronic devices.
Matte Tin (Sn) - annealed - Max Power Dissipation
The maximum power that the MOSFET can dissipate continuously under the specified thermal conditions.
625mW - Voltage - Supply
Voltage - Supply refers to the range of voltage levels that an electronic component or circuit is designed to operate with. It indicates the minimum and maximum supply voltage that can be applied for the device to function properly. Providing supply voltages outside this range can lead to malfunction, damage, or reduced performance. This parameter is critical for ensuring compatibility between different components in a circuit.
2V~16V - Terminal Position
In electronic components, the term "Terminal Position" refers to the physical location of the connection points on the component where external electrical connections can be made. These connection points, known as terminals, are typically used to attach wires, leads, or other components to the main body of the electronic component. The terminal position is important for ensuring proper connectivity and functionality of the component within a circuit. It is often specified in technical datasheets or component specifications to help designers and engineers understand how to properly integrate the component into their circuit designs.
DUAL - Terminal Form
Occurring at or forming the end of a series, succession, or the like; closing; concluding.
GULL WING - Peak Reflow Temperature (Cel)
Peak Reflow Temperature (Cel) is a parameter that specifies the maximum temperature at which an electronic component can be exposed during the reflow soldering process. Reflow soldering is a common method used to attach electronic components to a circuit board. The Peak Reflow Temperature is crucial because it ensures that the component is not damaged or degraded during the soldering process. Exceeding the specified Peak Reflow Temperature can lead to issues such as component failure, reduced performance, or even permanent damage to the component. It is important for manufacturers and assemblers to adhere to the recommended Peak Reflow Temperature to ensure the reliability and functionality of the electronic components.
260 - Number of Functions1
- Supply Voltage
Supply voltage refers to the electrical potential difference provided to an electronic component or circuit. It is crucial for the proper operation of devices, as it powers their functions and determines performance characteristics. The supply voltage must be within specified limits to ensure reliability and prevent damage to components. Different electronic devices have specific supply voltage requirements, which can vary widely depending on their design and intended application.
3V - Terminal Pitch
The center distance from one pole to the next.
0.65mm - Frequency
In electronic components, the parameter "Frequency" refers to the rate at which a signal oscillates or cycles within a given period of time. It is typically measured in Hertz (Hz) and represents how many times a signal completes a full cycle in one second. Frequency is a crucial aspect in electronic components as it determines the behavior and performance of various devices such as oscillators, filters, and communication systems. Understanding the frequency characteristics of components is essential for designing and analyzing electronic circuits to ensure proper functionality and compatibility with other components in a system.
2.7MHz - Time@Peak Reflow Temperature-Max (s)
Time@Peak Reflow Temperature-Max (s) refers to the maximum duration that an electronic component can be exposed to the peak reflow temperature during the soldering process, which is crucial for ensuring reliable solder joint formation without damaging the component.
10 - Base Part Number
The "Base Part Number" (BPN) in electronic components serves a similar purpose to the "Base Product Number." It refers to the primary identifier for a component that captures the essential characteristics shared by a group of similar components. The BPN provides a fundamental way to reference a family or series of components without specifying all the variations and specific details.
TS555 - Pin Count
a count of all of the component leads (or pins)
8 - Supply Voltage-Min (Vsup)
The parameter "Supply Voltage-Min (Vsup)" in electronic components refers to the minimum voltage level required for the component to operate within its specified performance range. This parameter indicates the lowest voltage that can be safely applied to the component without risking damage or malfunction. It is crucial to ensure that the supply voltage provided to the component meets or exceeds this minimum value to ensure proper functionality and reliability. Failure to adhere to the specified minimum supply voltage may result in erratic behavior, reduced performance, or even permanent damage to the component.
2V - Number of Channels1
- Operating Supply Current
Operating Supply Current, also known as supply current or quiescent current, is a crucial parameter in electronic components that indicates the amount of current required for the device to operate under normal conditions. It represents the current drawn by the component from the power supply while it is functioning. This parameter is important for determining the power consumption of the component and is typically specified in datasheets to help designers calculate the overall power requirements of their circuits. Understanding the operating supply current is essential for ensuring proper functionality and efficiency of electronic systems.
65μA - Nominal Supply Current
Nominal current is the same as the rated current. It is the current drawn by the motor while delivering rated mechanical output at its shaft.
65μA - Power Dissipation
the process by which an electronic or electrical device produces heat (energy loss or waste) as an undesirable derivative of its primary action.
625mW - Propagation Delay
the flight time of packets over the transmission link and is limited by the speed of light.
100 ns - Quiescent Current
The quiescent current is defined as the current level in the amplifier when it is producing an output of zero.
400μA - Turn On Delay Time
Turn-on delay, td(on), is the time taken to charge the input capacitance of the device before drain current conduction can start.
100 ns - High Level Output Current
High-level Output Current IOH The current flowing into the output at a specified high- level voltage. Low-level Output Current IOL The current flowing into the output at a specified low- level output voltage.
-10mA - Low Level Output Current
The current into the output terminal with input conditions applied that, according to the product specification, will establish a low level at the output.
50mA - Height1mm
- Length3mm
- Width4.4mm
- Radiation Hardening
Radiation hardening is the process of making electronic components and circuits resistant to damage or malfunction caused by high levels of ionizing radiation, especially for environments in outer space (especially beyond the low Earth orbit), around nuclear reactors and particle accelerators, or during nuclear accidents or nuclear warfare.
No - RoHS Status
RoHS means “Restriction of Certain Hazardous Substances” in the “Hazardous Substances Directive” in electrical and electronic equipment.
ROHS3 Compliant - Lead Free
Lead Free is a term used to describe electronic components that do not contain lead as part of their composition. Lead is a toxic material that can have harmful effects on human health and the environment, so the electronics industry has been moving towards lead-free components to reduce these risks. Lead-free components are typically made using alternative materials such as silver, copper, and tin. Manufacturers must comply with regulations such as the Restriction of Hazardous Substances (RoHS) directive to ensure that their products are lead-free and environmentally friendly.
Lead Free
Parts with Similar Specs
TS555 Features
Very low power consumption: 110 µA typ at VCC 90 µa typ at VCC 3 V
High maximum astable frequency of 2.7 MHz
Pin-to-pin functionally-compatible with bipolar NE555
Wide voltage range: +16 V
Supply current spikes reduced during output transitions
Output compatible with TTL, CMOS and logic MOS
How to use TS555
Timing remains accurate in both monostable and astable modes.
In the monostable mode, the timer operates like a one-shot generator. Referring to the circuit below, the external capacitor is initially held discharged by a transistor inside the timer.

TS555 Monostable Operation
When the circuit is connected as shown below (pin 2 and 6 connected) it triggers itself and free runs as a multivibrator. The external capacitor charges through RA and RB and discharges through RB only. Thus the duty cycle may be precisely set by the ratio of these two resistors.
In the astable mode of operation, C charges and discharges between 1/3 VCC and 2/3 VCC. As in the triggered mode, the charge and discharge times and therefore frequency, are independent of the supply voltage.

TS555 Astable Operation
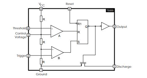
TS555 Block Diagram

TS555 Block Diagram
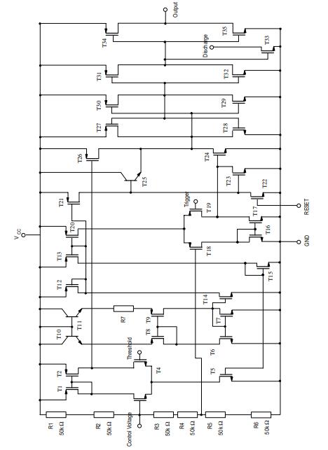
TS555 Schematic Diagram

TS555 Schematic Diagram
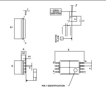
TS555 Package

TS555 Package

TS555 Dimensions
TS555 Manufacturer
ST believes the future should not be in the labs of a few, but in the hands of the many and ST believes in open ecosystems and a partnership approach. ST provides easy-to-use software development tools, design kits, and support educational initiatives to make our technologies accessible to more engineers and enthusiasts today.
At ST, we are creators of technology. And our technology starts with you.
Datasheet PDF
- Datasheets :
Popularity by Region
What is TS555?
The TS555 is a single CMOS timer which offers very low consumption (Icc(TYP) TS555 = 110µA at VCC=+5V versus Icc(TYP) NE555 = 3mA) and high frequency ff(max.) TS555 = 2.7MHz versus f(max.) NE555 = 0.1 MHz) Thus, either in Monostable or Astable mode, timing remains very accurate. The TS555 provides reduced supply current spikes during output transitions, which enables the use of lower decoupling capacitors compared to those required by bipolar NE555. Timing capacitors can also be minimized due to high input impedance (1012Ω).
What modes does TS555 have?
It has two modes which are monostable mode and astable mode.
What difference is between TS555 and NE555?
The TS555 provides reduced supply current spikes during output transitions, which enable the use of lower decoupling capacitors compared to those required by bipolar NE555. With the high input impedance (1012), timing capacitors can also be minimized. And it is pin-to-pin functionally compatible with bipolar NE555.
STM6601 Push Button Controller: Push Button On/Off Circuit, Datasheet21 January 20221875
CR1632 Battery: Equivalent, Pinout and Application03 September 202154103
How STMicroelectronics BCP53-16 Became a PNP Favorite19 August 2025142
Best Practices for Yageo RC0402FR-070RL Zero Ohm Use20 August 2025381
A Comprehensive Guide to LTC6905MPS5#TRPBF Programmable Timer and Oscillator06 March 2024154
OPA2134 VS TL072[Video]: What are the differences between them?14 April 20226905
IRF4905 P-Channel MOSFET: Datasheet pdf, Pinout and Equivalents13 December 202115097
PIC16F676 Microcontroller: Features, Pinout, and Datasheet19 November 202112737
Introduction to Flash Memory31 October 20257504
What Is the Future of Brain-like Computing?26 April 2022972
Gartner: Hysis Revenue Plunges 81%, Samsung Holds on to Semiconductor Leadership15 April 2022742
Review of IoT-Based Smart Home Security Systems- Part 128 March 20243488
Electric Car Rechargeable Batteries: How Long Do They Last?13 April 20233644
Use the Renesas AE-CLOUD2 to Send GPS Data to the Google Cloud IoT15 November 20191247
Facial Recognition: Features, Working and Applications02 September 20218775
Real-time Cloud Analytics in Semiconductor Manufacturing01 November 20221160
STMicroelectronics
In Stock: 980
United States
China
Canada
Japan
Russia
Germany
United Kingdom
Singapore
Italy
Hong Kong(China)
Taiwan(China)
France
Korea
Mexico
Netherlands
Malaysia
Austria
Spain
Switzerland
Poland
Thailand
Vietnam
India
United Arab Emirates
Afghanistan
Åland Islands
Albania
Algeria
American Samoa
Andorra
Angola
Anguilla
Antigua & Barbuda
Argentina
Armenia
Aruba
Australia
Azerbaijan
Bahamas
Bahrain
Bangladesh
Barbados
Belarus
Belgium
Belize
Benin
Bermuda
Bhutan
Bolivia
Bonaire, Sint Eustatius and Saba
Bosnia & Herzegovina
Botswana
Brazil
British Indian Ocean Territory
British Virgin Islands
Brunei
Bulgaria
Burkina Faso
Burundi
Cabo Verde
Cambodia
Cameroon
Cayman Islands
Central African Republic
Chad
Chile
Christmas Island
Cocos (Keeling) Islands
Colombia
Comoros
Congo
Congo (DRC)
Cook Islands
Costa Rica
Côte d’Ivoire
Croatia
Cuba
Curaçao
Cyprus
Czechia
Denmark
Djibouti
Dominica
Dominican Republic
Ecuador
Egypt
El Salvador
Equatorial Guinea
Eritrea
Estonia
Eswatini
Ethiopia
Falkland Islands
Faroe Islands
Fiji
Finland
French Guiana
French Polynesia
Gabon
Gambia
Georgia
Ghana
Gibraltar
Greece
Greenland
Grenada
Guadeloupe
Guam
Guatemala
Guernsey
Guinea
Guinea-Bissau
Guyana
Haiti
Honduras
Hungary
Iceland
Indonesia
Iran
Iraq
Ireland
Isle of Man
Israel
Jamaica
Jersey
Jordan
Kazakhstan
Kenya
Kiribati
Kosovo
Kuwait
Kyrgyzstan
Laos
Latvia
Lebanon
Lesotho
Liberia
Libya
Liechtenstein
Lithuania
Luxembourg
Macao(China)
Madagascar
Malawi
Maldives
Mali
Malta
Marshall Islands
Martinique
Mauritania
Mauritius
Mayotte
Micronesia
Moldova
Monaco
Mongolia
Montenegro
Montserrat
Morocco
Mozambique
Myanmar
Namibia
Nauru
Nepal
New Caledonia
New Zealand
Nicaragua
Niger
Nigeria
Niue
Norfolk Island
North Korea
North Macedonia
Northern Mariana Islands
Norway
Oman
Pakistan
Palau
Palestinian Authority
Panama
Papua New Guinea
Paraguay
Peru
Philippines
Pitcairn Islands
Portugal
Puerto Rico
Qatar
Réunion
Romania
Rwanda
Samoa
San Marino
São Tomé & Príncipe
Saudi Arabia
Senegal
Serbia
Seychelles
Sierra Leone
Sint Maarten
Slovakia
Slovenia
Solomon Islands
Somalia
South Africa
South Sudan
Sri Lanka
St Helena, Ascension, Tristan da Cunha
St. Barthélemy
St. Kitts & Nevis
St. Lucia
St. Martin
St. Pierre & Miquelon
St. Vincent & Grenadines
Sudan
Suriname
Svalbard & Jan Mayen
Sweden
Syria
Tajikistan
Tanzania
Timor-Leste
Togo
Tokelau
Tonga
Trinidad & Tobago
Tunisia
Turkey
Turkmenistan
Turks & Caicos Islands
Tuvalu
U.S. Outlying Islands
U.S. Virgin Islands
Uganda
Ukraine
Uruguay
Uzbekistan
Vanuatu
Vatican City
Venezuela
Wallis & Futuna
Yemen
Zambia
Zimbabwe







