Analog Devices AD8343-EVALZEvaluation Board For AD8343
Description
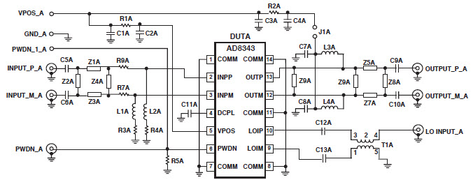
The Analog Devices AD8343-EVALZ Evaluation Board is designed to evaluate the performance of the AD8343 5V, 2.4GHz Up/Down Conversion Mixer. This board is ideal for use in communications and telecom applications. It features a wide range of features, including a low noise amplifier, a low pass filter, a high pass filter, and a power detector. The board also includes a USB interface for easy connection to a PC. The board is designed to provide a comprehensive evaluation of the AD8343 mixer, allowing users to quickly and easily evaluate its performance.
Specifications
Analog Devices technical specifications, attributes, parameters and parts with similar specifications to Analog Devices .
- TypeParameter
- RoHSCompliant
- Evaluation KitYes
- Radiation HardeningNo
- Lead FreeLead Free
0 Similar Products Remaining
Associated Products
| Part Number | Manufacturer | Description | Stock | RFQ |
|---|---|---|---|---|
| Analog Devices Inc. | IC VREF SERIES 2.5V TSOT23-5 | 10454 | BUY | |
| Analog Devices Inc. | IC AMP VGA DC-COUPLED GP 8-LFCSP | 6226 | BUY |


Product
Brand
Articles
Tools












