Analog Devices Inc. DC2035ALTC5551 DOWNCONVERTING DEMO
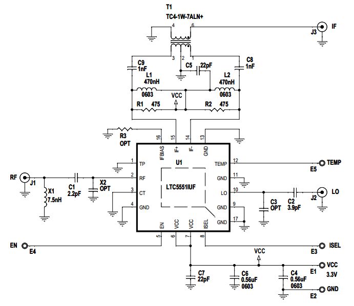
The Analog Devices DC2035A-A Demo Board is a powerful tool for automotive and transportation applications. It features the LTC5551 300MHz to 3.5GHz Ultra-High Dynamic Range Down-Converting Mixer, which provides excellent performance in a wide range of applications. The board is designed to provide a complete solution for testing and evaluating the performance of the LTC5551 mixer. It includes a wide range of features such as a low-noise amplifier, a low-noise voltage regulator, and a wide range of test points for easy access to the mixer's performance. The board also includes a variety of connectors for easy connection to external test equipment. The DC2035A-A Demo Board is an ideal solution for automotive and transportation applications that require high performance and reliability.
- TypeParameter
- MfrAnalog Devices Inc.
- PackageBulk
- Product StatusActive
- For Use With/Related ProductsLTC5551
- Factory Pack QuantityFactory Pack Quantity1
- ManufacturerAnalog Devices Inc.
- BrandAnalog Devices
- Tool Is For Evaluation OfLTC5551
- RoHSDetails
- Series-
- PackagingBulk
- TypeMixer, Downconversion
- SubcategoryDevelopment Tools
- Frequency300MHz ~ 3.5GHz
- Supplied ContentsBoard(s)
- Product TypeRF Development Tools
- ProductDemonstration Boards
- Product CategoryRF Development Tools


Product
Brand
Articles
Tools









