Analog Devices DC449A-Aemote sensing of the regulated supply’s positive and negative output terminals as required in high current applications. The RUN/SS pin provides soft
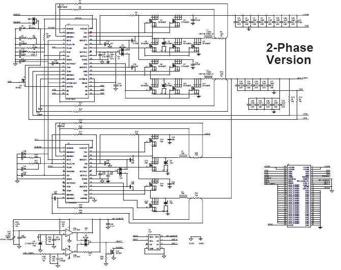
The Analog Devices DC449A-A Demo Board is a powerful and versatile tool for testing and evaluating the performance of the LTC3719EG 12Vin, 45Aout 2-Phase VRM. This board is designed for use with AMD Desktop (Hammer Processor) computers and peripherals, and provides a comprehensive suite of features for testing and optimizing the performance of the VRM. The board includes a wide range of adjustable parameters, including output voltage, current, and frequency, as well as a variety of monitoring and protection features. The board also includes a graphical user interface for easy setup and configuration. With the DC449A-A Demo Board, users can quickly and easily evaluate the performance of the LTC3719EG VRM and optimize it for their specific application.


Product
Brand
Articles
Tools




