Analog Devices EVAL-AD2S1205CBZEvaluation Board For AD2S1205
Description
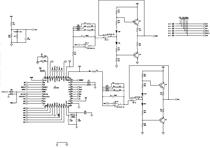
The Analog Devices EVAL-AD2S1205CBZ is an evaluation board for the AD2S1200, a 12-bit, ADC for automotive and transportation applications. This board is designed to evaluate the performance of the AD2S1200 in a variety of automotive and transportation applications. It features a wide range of input and output connectors, as well as a variety of test points and jumpers for easy evaluation. The board also includes a USB interface for easy connection to a PC for data logging and analysis. The EVAL-AD2S1205CBZ is an ideal tool for evaluating the performance of the AD2S1200 in automotive and transportation applications.


Product
Brand
Articles
Tools









