Analog Devices EVAL-ADF70XXMB2Others Controller Board for ADF70XX Dev. Pltfrm
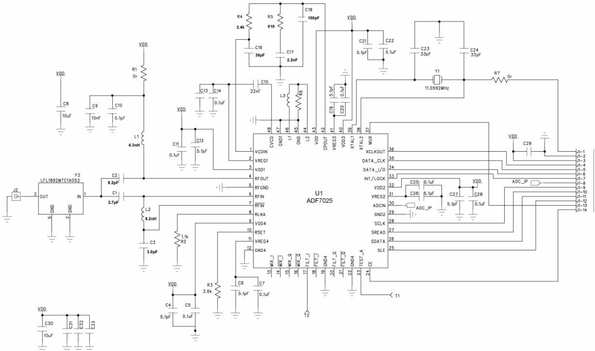
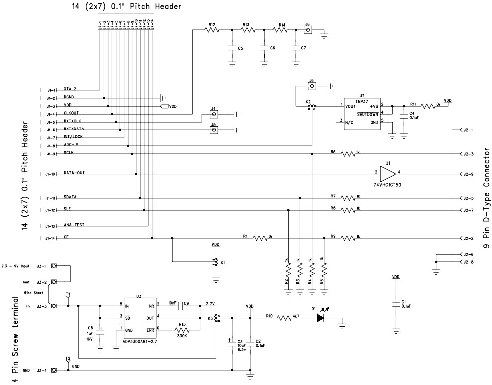
The Analog Devices EVAL-ADF70XXMB2 RF Mother Board + EVAL-ADF7025DB1 RF Module is an industrial, scientific and medical (ISM) band transceiver evaluation board based on the ADF7025 ISM Band Transceiver. It is designed to provide a comprehensive platform for evaluating the performance of the ADF7025 transceiver in a variety of applications. The board includes a range of features such as a USB interface, a range of antenna connectors, and a range of test points for monitoring and debugging. The board also includes a range of software tools for configuring and controlling the transceiver, as well as for monitoring and analyzing its performance. The board is suitable for use in a variety of applications, including wireless sensor networks, industrial automation, and medical device communications.


Product
Brand
Articles
Tools




