Analog Devices EVAL-ADG824EBZEvaluation Kit For 0.5 OHM CMOS 1.65 V To 3.6 V Dual SPDT/2 To 1 Mux In Mini LFCSP Package
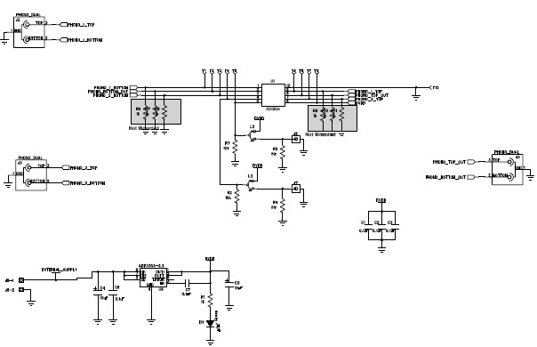
The Analog Devices EVAL-ADG824EBZ is an evaluation board for the Dual SPDT Analog Switch for Cellular Phone, Consumer Electronics, and Industrial Applications. This board is designed to evaluate the performance of the ADG824, a dual single-pole double-throw (SPDT) analog switch. It features two independent SPDT switches with low on-resistance and low charge injection. The board also includes a power supply, a voltage regulator, and a reference voltage circuit. The board is designed to be used with a variety of test equipment, such as oscilloscopes, signal generators, and logic analyzers. It is ideal for testing and evaluating the performance of the ADG824 in a variety of applications, including cellular phones, consumer electronics, and industrial applications.
- TypeParameter
- Number of Pins0
- RoHSCompliant
- Resistance500 mΩ
- Operating Supply Voltage3.6 V
- Evaluation KitYes
- Lead FreeContains Lead
| Part Number | Manufacturer | Description | Stock | RFQ |
|---|---|---|---|---|
| Analog Devices Inc. | ANALOG DEVICES - ADF7021BCPZ - RF Transceiver, 80Mhz to 950Mhz, 2FSK, 3FSK, 4FSK, MSK, 32.8Kbps, 2.3V to 3.6V, LFCSP-48 | 20 | RFQ |


Product
Brand
Articles
Tools







