Analog Devices Inc. EVAL-ADG888EBZANALOG DEVICES EVAL-ADG888EBZADG888EBZ EVALUATION MODULE
Description
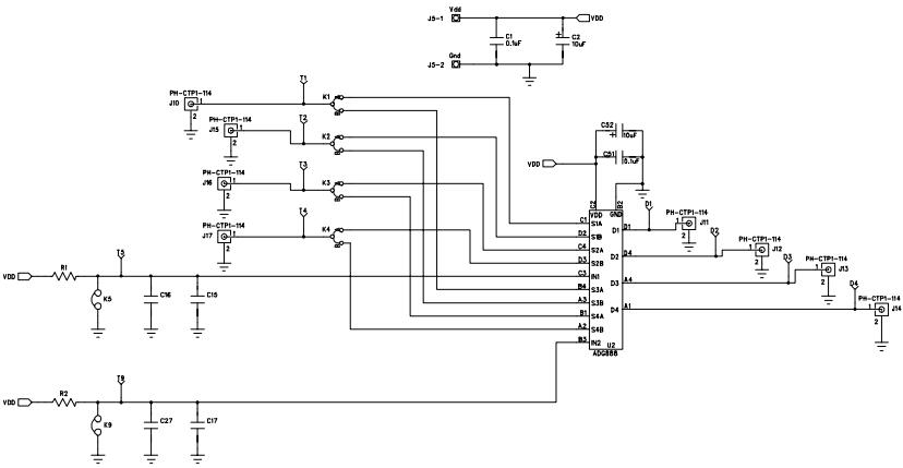
The Analog Devices EVAL-ADG888EBZ is an evaluation board for the ADG888 CMOS dual DPDT switch in the WLCSP package. This board is designed to evaluate the performance of the ADG888 switch in audio applications. It features two independent DPDT switches with a low on-resistance of 0.5Ω and a low off-leakage current of 0.1nA. The board also includes a power supply, a ground plane, and a test point for each switch. The board is ideal for evaluating the performance of the ADG888 switch in audio applications such as headphone switching, speaker switching, and microphone switching.
Specifications
Analog Devices Inc. technical specifications, attributes, parameters and parts with similar specifications to Analog Devices Inc. .
- TypeParameter
- Lifecycle StatusPRODUCTION (Last Updated: 3 weeks ago)
- Factory Lead Time8 Weeks
- Package / CaseModule
- Number of Pins0
- PackagingBulk
- Part StatusActive
- Moisture Sensitivity Level (MSL)1 (Unlimited)
- TypeInterface
- Max Operating Temperature125°C
- Min Operating Temperature-40°C
- Base Part NumberADG888
- FunctionAnalog Switch
- Operating Supply Voltage5.5V
- Utilized IC / PartADG888
- Supplied ContentsBoard(s)
- Evaluation KitYes
- Primary Attributes2 x DPDT Switch
- REACH SVHCNo SVHC
- Radiation HardeningNo
- RoHS StatusROHS3 Compliant
- Lead FreeContains Lead
0 Similar Products Remaining
Technical Documents
Associated Products
| Part Number | Manufacturer | Description | Stock | RFQ |
|---|---|---|---|---|
| Analog Devices Inc. | IC, PLL SYNTHESIZER, 32LFCSP - More Details | 5309 | BUY | |
| Analog Devices Inc. | IC FREQUENCY SYNTH 32LFCSP-WQ | 1200 | BUY |


Product
Brand
Articles
Tools














