Analog Devices Inc. EVAL-ADGS1409SDZEVALUATION BOARD
Description
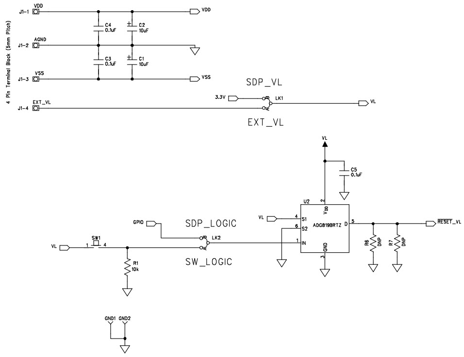
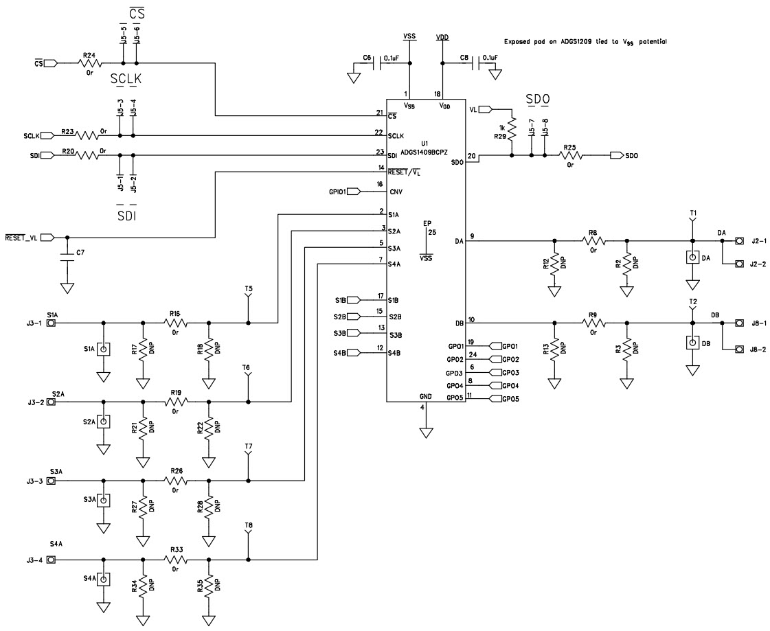
The Analog Devices EVAL-ADGS1409SDZ Evaluation Board is designed to evaluate the ADGS1409 SPI Interface, 4-ohm RON, ±15 V/+12 V/±5 V, 1.8V Logic Control, 8:1/Dual 4:1 Muxes, Audio Switch. This evaluation board is a great tool for testing and evaluating the performance of the ADGS1409. It features a 4-ohm RON, ±15 V/+12 V/±5 V, 1.8V Logic Control, 8:1/Dual 4:1 Muxes, and Audio Switch. The board also includes a USB interface for easy connection to a PC. The board is designed to provide a comprehensive evaluation of the ADGS1409 and its features. It is an ideal tool for engineers and designers who need to evaluate the performance of the ADGS1409.
Specifications
Analog Devices Inc. technical specifications, attributes, parameters and parts with similar specifications to Analog Devices Inc. .
- TypeParameter
- Factory Lead Time8 Weeks
- Part StatusActive
- Moisture Sensitivity Level (MSL)1 (Unlimited)
- TypeInterface
- Function4:1 Multiplexer
- Utilized IC / PartADGS1409
- Supplied ContentsBoard(s)
- Primary Attributes2-Channel (Dual)
- Secondary AttributesSPI Interface
- RoHS StatusROHS3 Compliant
0 Similar Products Remaining
Technical Documents
Associated Products
| Part Number | Manufacturer | Description | Stock | RFQ |
|---|---|---|---|---|
| Analog Devices, Inc. | 0 | RFQ | ||
| Analog Devices Inc. | SPI INTERFACE LOW RON DIFF 4:1 M | 34 | BUY | |
| Analog Devices, Inc. | 1-CHANNEL, SGL POLE DOUBLE THROW SWITCH, PDSO6, PLASTIC, SOT-23, 6 PIN | 0 | RFQ | |
| Analog Devices Inc. | ANALOG DEVICES ADG819BRMZAnalogue Switch, Quad Channel, SPDT, 1 Channels, 0.5 ohm, 1.8V to 5.5V, MSOP, 8 Pins | 106 | RFQ | |
| Analog Devices Inc. | IC SWITCH SPDT SOT23-6 | 200 | RFQ | |
| Analog Devices Inc. | IC SWITCH SPDT 6WLCSP | 5000 | BUY | |
| Analog Devices Inc. | ANALOG DEVICES ADG819BRTZ-500RL7Analogue Switch, SPDT, 1 Channels, 0.6 ohm, 1.8V to 5.5V, SOT-23, 6 Pins | 2500 | RFQ | |
| Analog Devices Inc. | Analog Switch Single SPDT Automotive 8-Pin MSOP T/R | 19 | RFQ | |
| Analog Devices Inc. | IC SWITCH SPDT SOT23-6 | 7095 | BUY | |
| Microchip Technology | MICROCHIP - 24LC32A-I/MS - EEPROM, 32 Kbit, 4K x 8bit, Serial I2C (2-Wire), 400 kHz, MSOP, 8 Pins | 4 | RFQ | |
| Analog Devices Inc. | SPI INTERFACE LOW RON DIFF 4:1 M | 700 | RFQ |
Load more


Product
Brand
Articles
Tools























