Analog Devices Inc. EVAL-ADG854EBZBOARD EVAL FOR ADG854
Description
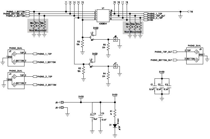
The Analog Devices EVAL-ADG854EBZ is an evaluation board designed for evaluating the ADG854, a dual SPDT/2:1 Mux in a mini LFCSP package. This board is capable of operating between 1.8 and 5.5 volts and is ideal for audio switching applications. It features a wide range of features such as a low on-resistance of 0.2 ohms, low power consumption of 0.5 mW, and a low signal-to-noise ratio of -90 dB. The board also includes a wide range of test points and connectors for easy evaluation and testing. The board is also RoHS compliant and is designed to meet the requirements of the European Union's Restriction of Hazardous Substances Directive.
Specifications
Analog Devices Inc. technical specifications, attributes, parameters and parts with similar specifications to Analog Devices Inc. .
- TypeParameter
- Lifecycle StatusPRODUCTION (Last Updated: 2 weeks ago)
- Factory Lead Time8 Weeks
- Package / CaseModule
- Number of Pins0
- Part StatusActive
- Moisture Sensitivity Level (MSL)1 (Unlimited)
- TypeInterface
- Base Part NumberADG854
- FunctionAnalog Switch
- Operating Supply Voltage5.5V
- Utilized IC / PartADG854
- Supplied ContentsBoard(s)
- Evaluation KitYes
- Primary Attributes2 x SPDT Analog Switch
- Secondary Attributes1.8V ~ 5.5V Supply
- REACH SVHCNo SVHC
- RoHS StatusNon-RoHS Compliant
- Lead FreeContains Lead
0 Similar Products Remaining
Technical Documents
Associated Products
| Part Number | Manufacturer | Description | Stock | RFQ |
|---|---|---|---|---|
| Analog Devices Inc. | ANALOG DEVICES - ADUM7641CRQZ - DIGITAL ISOLATOR, 6-CHANNEL, 20QSOP | 1 | BUY | |
| Analog Devices Inc. | Digital Isolator 20-Pin QSOP T/R | 6 | RFQ | |
| Analog Devices Inc. | DGTL ISO 1KV 6CH GEN PURP 20QSOP | 3 | BUY | |
| Analog Devices Inc. | Digital Isolator 20-Pin QSOP T/R | 0 | RFQ |


Product
Brand
Articles
Tools














