Analog Devices Inc. EVAL-ADG772EBZBOARD EVALUATION FOR ADG772
Description
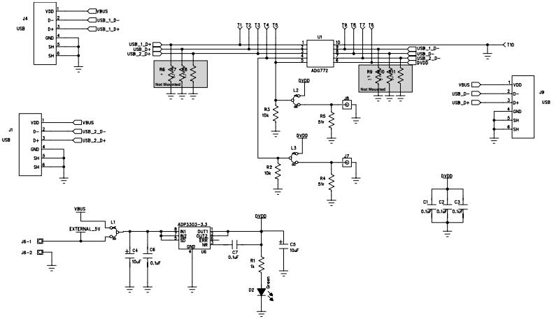
The Analog Devices EVAL-ADG772EBZ Evaluation Board is designed to evaluate the performance of the ADG772 CMOS Low Power Dual 2:1 Mux/Demux USB 2.0 (480 Mbps)/USB 1.1 (12 Mbps), Audio/Video Switch. This evaluation board is a complete solution for evaluating the ADG772 switch, and includes all the necessary components to evaluate the switch’s performance. The board includes a USB 2.0 (480 Mbps) and USB 1.1 (12 Mbps) port, as well as an audio/video port. The board also includes a power supply, a USB cable, and a set of jumpers for configuring the switch. The board is designed to be used with the ADG772 switch, and is an ideal solution for evaluating the performance of the switch.
Specifications
Analog Devices Inc. technical specifications, attributes, parameters and parts with similar specifications to Analog Devices Inc. .
- TypeParameter
- Lifecycle StatusPRODUCTION (Last Updated: 1 month ago)
- Factory Lead Time8 Weeks
- Package / CaseModule
- Number of Pins0
- PackagingBulk
- Part StatusActive
- Moisture Sensitivity Level (MSL)1 (Unlimited)
- TypeInterface
- Max Operating Temperature85°C
- Min Operating Temperature-40°C
- Base Part NumberADG772
- FunctionAnalog Switch
- Operating Supply Voltage12V
- InterfaceUSB
- Utilized IC / PartADG772
- Supplied ContentsBoard(s)
- Evaluation KitYes
- REACH SVHCNo SVHC
- RoHS StatusROHS3 Compliant
- Lead FreeContains Lead
0 Similar Products Remaining
Technical Documents


Product
Brand
Articles
Tools













