Analog Devices Inc. EVAL-ADGS1408SDZEVALUATION BOARD
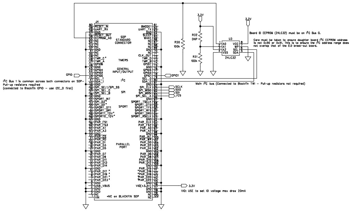
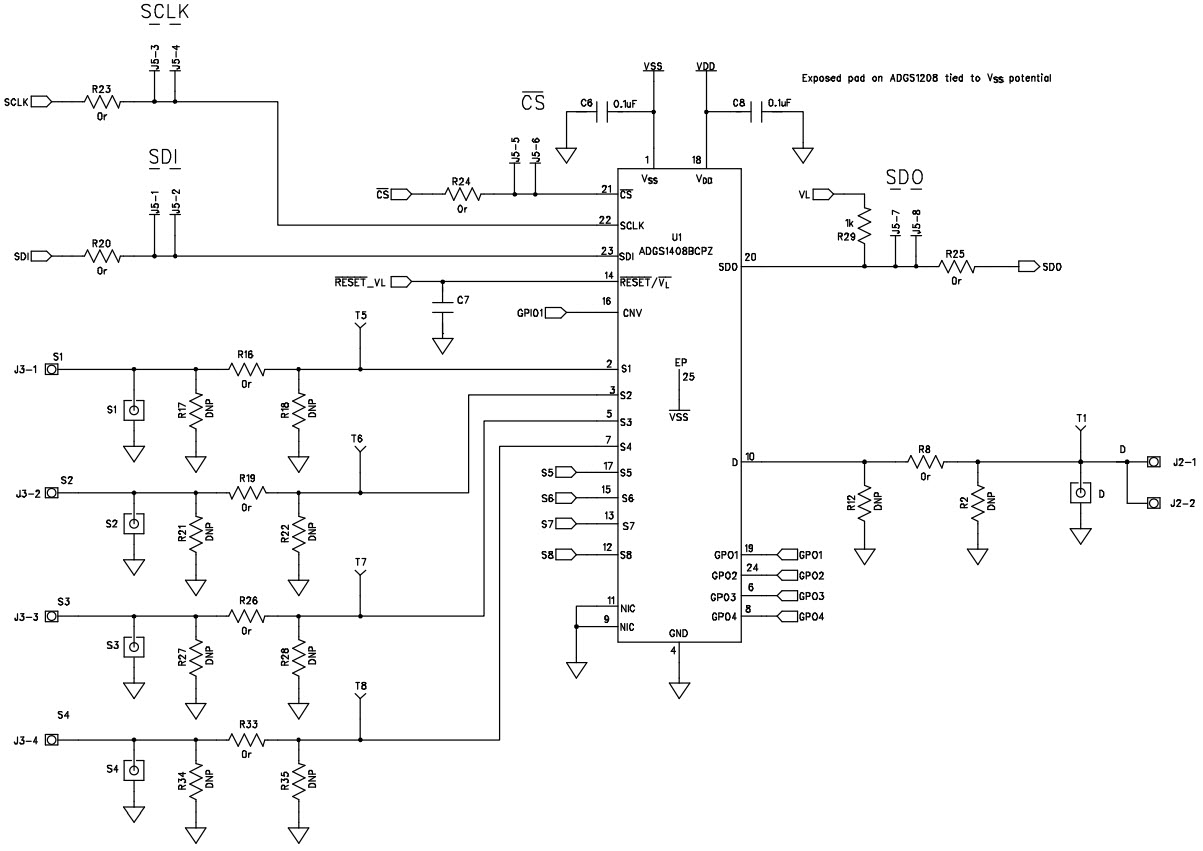
The Analog Devices EVAL-ADGS1408SDZ Evaluation Board is designed to evaluate the ADGS1408 SPI Interface, 4-ohm RON, ±15 V/+12 V/±5 V, 1.8V Logic Control, 8:1/Dual 4:1 Muxes, Audio Switch. This evaluation board is a great tool for testing and evaluating the performance of the ADGS1408. It features a 4-ohm RON, ±15 V/+12 V/±5 V, 1.8V Logic Control, 8:1/Dual 4:1 Muxes, and Audio Switch. The board also includes a USB-to-SPI interface, allowing for easy connection to a PC for programming and testing. The board also includes a variety of test points and connectors for easy evaluation of the ADGS1408. The board is designed to be used with the ADGS1408 Evaluation Software, which provides a graphical user interface for programming and testing the ADGS1408.
- TypeParameter
- Factory Lead Time8 Weeks
- Part StatusActive
- Moisture Sensitivity Level (MSL)1 (Unlimited)
- TypeInterface
- Function8:1 Multiplexer
- Utilized IC / PartADGS1408
- Supplied ContentsBoard(s)
- Primary Attributes1-Channel (Single)
- Secondary AttributesSPI Interface
- RoHS StatusROHS3 Compliant
| Part Number | Manufacturer | Description | Stock | RFQ |
|---|---|---|---|---|
| Analog Devices, Inc. | 0 | RFQ | ||
| Analog Devices Inc. | SPI INTERFACE LOW RON 8:1 MUX, 1 | 34 | BUY | |
| Analog Devices, Inc. | 1-CHANNEL, SGL POLE DOUBLE THROW SWITCH, PDSO6, PLASTIC, SOT-23, 6 PIN | 0 | RFQ | |
| Analog Devices Inc. | ANALOG DEVICES ADG819BRMZAnalogue Switch, Quad Channel, SPDT, 1 Channels, 0.5 ohm, 1.8V to 5.5V, MSOP, 8 Pins | 106 | RFQ | |
| Analog Devices Inc. | IC SWITCH SPDT SOT23-6 | 200 | RFQ | |
| Analog Devices Inc. | IC SWITCH SPDT 6WLCSP | 5000 | BUY | |
| Analog Devices Inc. | ANALOG DEVICES ADG819BRTZ-500RL7Analogue Switch, SPDT, 1 Channels, 0.6 ohm, 1.8V to 5.5V, SOT-23, 6 Pins | 2500 | RFQ | |
| Analog Devices Inc. | Analog Multiplxer Single 8: 1 24-Pin LFCSP EP Tray | 152 | RFQ | |
| Analog Devices Inc. | Analog Switch Single SPDT Automotive 8-Pin MSOP T/R | 19 | RFQ | |
| Analog Devices Inc. | IC SWITCH SPDT SOT23-6 | 7095 | BUY | |
| Microchip Technology | MICROCHIP - 24LC32A-I/MS - EEPROM, 32 Kbit, 4K x 8bit, Serial I2C (2-Wire), 400 kHz, MSOP, 8 Pins | 4 | RFQ |


Product
Brand
Articles
Tools























