Analog Devices Inc. EVAL-ADG884EBZANALOG DEVICES EVAL-ADG884EBZADG884EBZ EVALUATION MODULE
Description
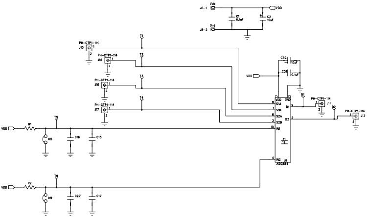
The Analog Devices EVAL-ADG884EBZ Evaluation Board is designed to evaluate the performance of the ADG884 Dual 2:1 Mux/SPDT Audio Switch. This board features two independent 2:1 multiplexers/SPDT switches, each with a single-pole double-throw (SPDT) switch and two independent control inputs. The board also includes a power supply, a ground plane, and a set of test points for easy evaluation of the switch performance. The board is designed to operate from a single +5V supply and is suitable for use in audio applications. The board is also RoHS compliant and is designed to meet the requirements of the European Union's Restriction of Hazardous Substances (RoHS) Directive.
Specifications
Analog Devices Inc. technical specifications, attributes, parameters and parts with similar specifications to Analog Devices Inc. .
- TypeParameter
- Lifecycle StatusPRODUCTION (Last Updated: 3 weeks ago)
- Factory Lead Time8 Weeks
- Package / CaseModule
- Number of Pins0
- PackagingBulk
- Part StatusActive
- Moisture Sensitivity Level (MSL)1 (Unlimited)
- TypeInterface
- Max Operating Temperature85°C
- Min Operating Temperature-40°C
- Base Part NumberADG884
- FunctionAnalog Switch
- Operating Supply Voltage5.5V
- Utilized IC / PartADG884
- Supplied ContentsBoard(s)
- Evaluation KitYes
- Primary Attributes2 x SPDT Analog Switch
- REACH SVHCNo SVHC
- RoHS StatusROHS3 Compliant
- Lead FreeContains Lead
0 Similar Products Remaining
Technical Documents
Associated Products
| Part Number | Manufacturer | Description | Stock | RFQ |
|---|---|---|---|---|
| Analog Devices Inc. | LVDS Interface IC MLVDS Xcvr,FD,200M Type 1 Rx,EnhancedESD | 60000 | BUY | |
| Analog Devices Inc. | ANALOG DEVICES ADN4693EBRZ LVDS Driver, Full Duplex, LVDS Transceiver, 130 ps, 24 mA, -40 C, 85 C, 3 V | 20 | BUY |


Product
Brand
Articles
Tools














