Analog Devices EVAL-ADM1075EBZ350W Hot Swap Evaluation kit using ADM1075-1
Description
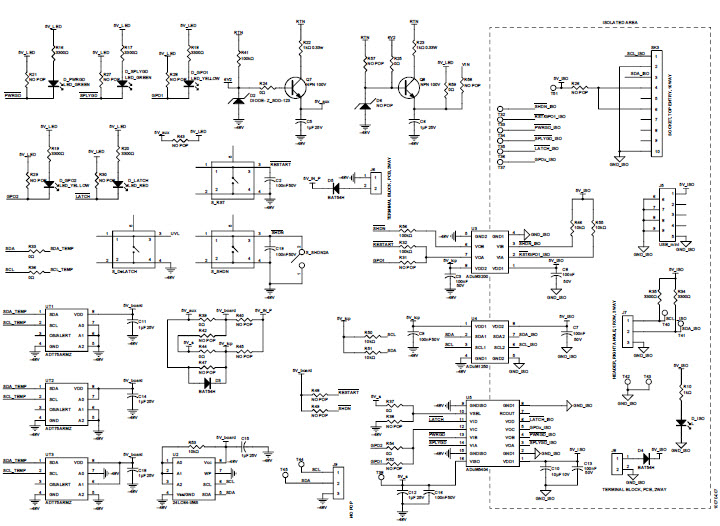
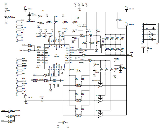
The Analog Devices EVAL-ADM1075EBZ is a -48V Hot-Swap Controller for Central Office Switch, Computers and Peripherals. It is designed to provide a safe and reliable power supply for hot-swap applications. The controller features a wide input voltage range of -48V to +48V, and is capable of controlling up to 8 hot-swap channels. It also features a wide range of protection features, including over-voltage, over-current, and short-circuit protection. The controller also has a built-in temperature sensor to monitor the temperature of the system. The EVAL-ADM1075EBZ is a highly reliable and efficient solution for hot-swap applications.


Product
Brand
Articles
Tools










