Linear Technology/Analog Devices DC786ABOARD EVAL DEMO LTC4260
Description
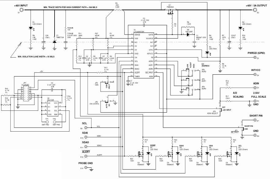
The Analog Devices DC786A-A, LTC4260CGN Demo Board is a 200W positive 48V hot-swap controller with current and voltage monitoring. It is designed to provide reliable power control for computers and peripherals. The board features a wide input voltage range of 4.5V to 60V, adjustable current limit, and adjustable voltage limit. It also has a built-in over-temperature protection and over-current protection. The board is capable of monitoring both current and voltage, and can be used to control the power supply of a computer or peripheral. It is an ideal solution for applications that require reliable power control.
Specifications
Linear Technology/Analog Devices technical specifications, attributes, parameters and parts with similar specifications to Linear Technology/Analog Devices .
- TypeParameter
- Lifecycle StatusPRODUCTION (Last Updated: 3 weeks ago)
- Factory Lead Time8 Weeks
- Number of Pins0
- Published2004
- Part StatusActive
- Moisture Sensitivity Level (MSL)1 (Unlimited)
- TypePower Management
- FunctionHot Swap Controller
- Operating Supply Voltage72V
- Utilized IC / PartLTC4260
- Supplied ContentsBoard(s)
- Evaluation KitYes
- Primary Attributes200W, 36 ~ 72V
- EmbeddedNo
- Secondary AttributesI2C Interface
- FeaturesI2C
- REACH SVHCNo SVHC
- RoHS StatusNon-RoHS Compliant
0 Similar Products Remaining
Technical Documents


Product
Brand
Articles
Tools












