Linear Technology/Analog Devices DC1054A/BDC1054A WITH DC1054B - LTC4242 D
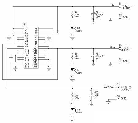
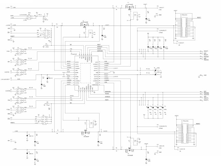
The Analog Devices DC1054A-B LTC4242 Demo Board is a dual port, PCI Express Hot-Swap Controller designed for computers and peripherals. It is a versatile and powerful tool for testing and evaluating the performance of PCI Express Hot-Swap controllers. The board features two independent ports, each with its own power supply, allowing for simultaneous testing of two different devices. It also includes a variety of features such as over-current protection, hot-swap control, and power sequencing. The board is designed to be used with a variety of operating systems, including Windows, Linux, and Mac OS X. With its robust design and features, the DC1054A-B LTC4242 Demo Board is an ideal solution for testing and evaluating the performance of PCI Express Hot-Swap controllers.
- TypeParameter
- Factory Lead Time8 Weeks
- Part StatusActive
- Moisture Sensitivity Level (MSL)1 (Unlimited)
- TypePower Management
- FunctionHot Swap Controller
- Utilized IC / PartLTC4242
- Supplied ContentsBoard(s)
- RoHS StatusROHS3 Compliant
| Part Number | Manufacturer | Description | Stock | RFQ |
|---|---|---|---|---|
| Analog Devices, Inc. | 0 | RFQ |


Product
Brand
Articles
Tools











