Analog Devices Inc. AD8280-EVALZANALOG DEVICES AD8280-EVALZ HYRBID BATTERY EVAL BOARD
Description
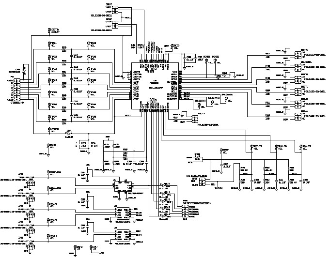
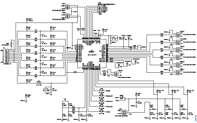
The Analog Devices AD8280-EVALZ evaluation board is designed to evaluate the AD8280, a complete back-up monitor for lithium ion battery monitoring. This board integrates multiple voltage and temperature input channels, allowing for accurate monitoring of automotive and transportation battery systems. The board features a wide input voltage range, low quiescent current, and a wide temperature range, making it suitable for a variety of applications. The board also includes a graphical user interface, allowing for easy configuration and monitoring of the system. The AD8280-EVALZ evaluation board is an ideal solution for automotive and transportation battery monitoring applications.
Specifications
Analog Devices Inc. technical specifications, attributes, parameters and parts with similar specifications to Analog Devices Inc. .
- TypeParameter
- Lifecycle StatusPRODUCTION (Last Updated: 3 weeks ago)
- Factory Lead Time8 Weeks
- Number of Pins0
- Part StatusActive
- Moisture Sensitivity Level (MSL)2 (1 Year)
- TypePower Management
- Max Operating Temperature85°C
- Min Operating Temperature-40°C
- Base Part NumberAD8280
- FunctionBattery Monitor
- Operating Supply Voltage5V
- Operating Supply Current15mA
- Nominal Supply Current15mA
- Quiescent Current7.5mA
- Slew Rate450 V/μs
- Common Mode Rejection Ratio100 dB
- Utilized IC / PartAD8280
- Supplied ContentsBoard(s)
- Input Offset Voltage (Vos)2mV
- Gain Bandwidth Product30MHz
- Evaluation KitYes
- Power Supply Rejection Ratio (PSRR)90dB
- Settling Time80 ns
- Input Capacitance1.5pF
- Primary AttributesMonitor 3 ~ 6 Cells with 2 Temperature Sensors
- EmbeddedNo
- Secondary AttributesAdjustable Overvoltage, Undervoltage and Overtemperature Thresholds
- REACH SVHCNo SVHC
- RoHS StatusROHS3 Compliant
- Lead FreeContains Lead
0 Similar Products Remaining
Technical Documents
Associated Products
| Part Number | Manufacturer | Description | Stock | RFQ |
|---|---|---|---|---|
| Analog Devices Inc. | ANALOG DEVICES ADUM1210BRZ Digital Isolator, Dual, 2 Channel, 50 ns, 2.7 V, 5.5 V, SOIC, 8 Pins | 5828 | BUY | |
| Analog Devices Inc. | ANALOG DEVICES - ADUM5240ARZ - Digital Isolator, Dual, 2 Channel, 70 ns, 2.7 V, 4 V, SOIC, 8 Pins | 8000 | RFQ | |
| Analog Devices Inc. | DGTL ISO 2.5KV GEN PURP 8SOIC | 5276 | RFQ |


Product
Brand
Articles
Tools














