Linear Technology/Analog Devices DC1835ABD DEMO LTC6803-4 REQ. DC590B
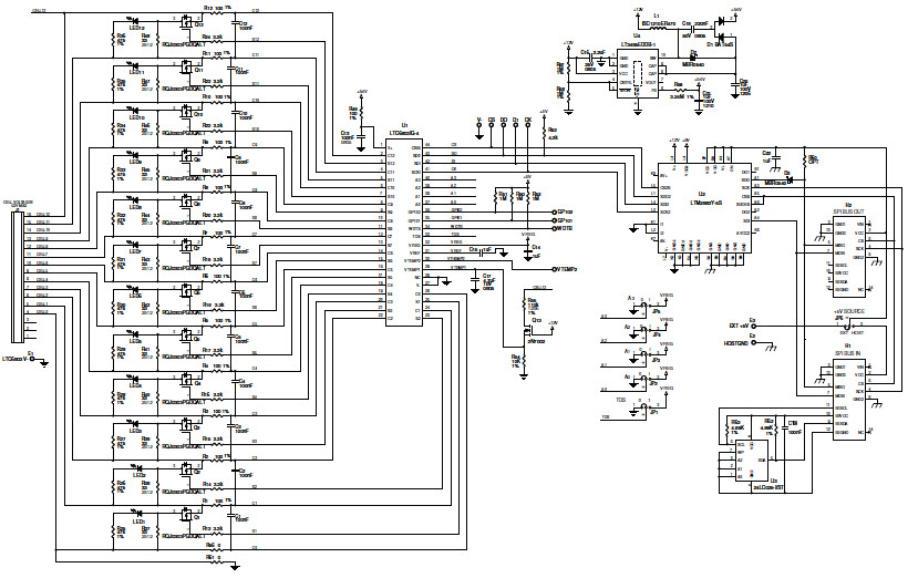
The Analog Devices DC1835A-A, LTC6803-4 Demo Board, Battery Monitor, Automotive and Transportation is a powerful and versatile tool for monitoring and managing the performance of automotive and transportation batteries. It features a high-precision, low-power, multi-channel battery monitor with a wide range of features, including a wide input voltage range, high accuracy, and low power consumption. The board also includes a variety of other features, such as a temperature sensor, a voltage regulator, and a current sense amplifier. The board is designed to be used in a variety of applications, including automotive, transportation, and industrial applications. It is also compatible with a variety of communication protocols, such as CAN, LIN, and I2C. The board is designed to be easy to use and configure, and it is capable of providing detailed information about the performance of the battery.
- TypeParameter
- Lifecycle StatusPRODUCTION (Last Updated: 1 month ago)
- Factory Lead Time8 Weeks
- Number of Pins0
- Part StatusActive
- Moisture Sensitivity Level (MSL)1 (Unlimited)
- TypePower Management
- FunctionBattery Monitor
- Utilized IC / PartLTC6803-4
- Supplied ContentsBoard(s)
- RoHS StatusROHS3 Compliant
| Part Number | Manufacturer | Description | Stock | RFQ |
|---|---|---|---|---|
| Analog Devices | Battery Monitoring Li-Ion Automotive 44-Pin SSOP Tube | 632 | BUY | |
| Analog Devices | Battery Monitoring Li-Ion Automotive 44-Pin SSOP T/R | 5030 | RFQ | |
| Microchip Technology | MICROCHIP - 24LC025-I/ST - SERIAL EEPROM, 2KBIT, 400KHZ, TSSOP-8 | 25 | RFQ |


Product
Brand
Articles
Tools













