Linear Technology/Analog Devices DC1331DLTC6802-1 (REQUIRES DC590) NEW D
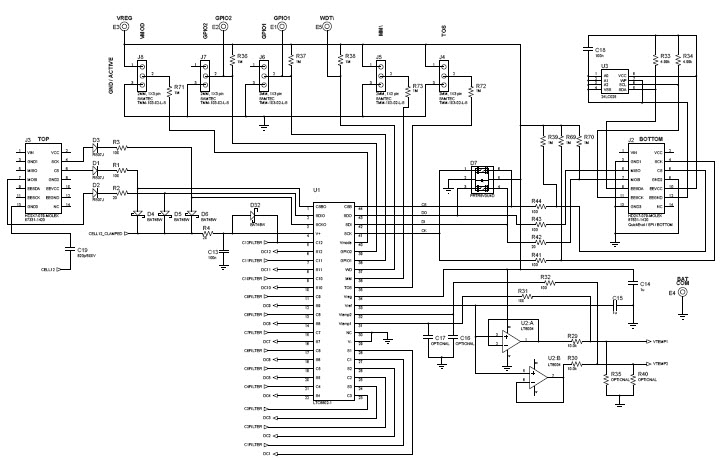
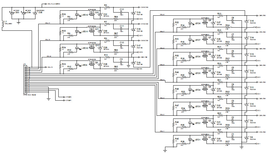
The Analog Devices DC1331D-D, LTC6802-1 Demo Board, Battery Monitor, Instrumentation and Measurement is a powerful and versatile tool for monitoring and measuring battery performance. It features a DC1331D-D LTC6802-1 microcontroller, which is capable of monitoring up to 12 cells in series. The board also includes a variety of analog and digital inputs and outputs, allowing for a wide range of measurements and monitoring. The board is designed to be used with a variety of battery chemistries, including Li-Ion, NiMH, and Lead Acid. It also includes a variety of features such as over-voltage protection, under-voltage protection, and temperature monitoring. The board is also capable of providing detailed information about the battery's performance, such as voltage, current, and temperature. This makes it an ideal tool for battery monitoring and measurement.
- TypeParameter
- Factory Lead Time8 Weeks
- Part StatusActive
- Moisture Sensitivity Level (MSL)Not Applicable
- TypePower Management
- FunctionBattery Monitor
- Utilized IC / PartLTC6802-1
- Supplied ContentsBoard(s)
- RoHS StatusROHS3 Compliant
| Part Number | Manufacturer | Description | Stock | RFQ |
|---|---|---|---|---|
| Microchip Technology | EEPROM Serial-I2C 2K-bit 256 x 8 3.3V/5V 8-Pin PDIP Tube | 4520 | BUY | |
| Microchip Technology | 24LC025 Series 2 Kb I2C 2 Wire (256 x 8) 2.5 V Serial EEPROM SMT - SOIC-8 | 14 | BUY | |
| Microchip Technology | IC EEPROM 2K I2C 400KHZ SOT23-6 | 9052 | BUY | |
| Microchip Technology | EEPROM Serial-I2C 2K-bit 256 x 8 3.3V/5V 8-Pin MSOP Tube | 3566 | RFQ | |
| Microchip Technology | EEPROM Serial-I2C 2K-bit 256 x 8 3.3V/5V 8-Pin TSSOP Tube | 27 | RFQ | |
| Microchip Technology | Microchip 24LC025-I/SN Serial EEPROM Memory; 2kbit; 1000ns; 2.5 to 5.5V 8-Pin SOIC | 2 | BUY | |
| Microchip Technology | IC EEPROM 2K I2C 400KHZ 8TDFN | 0 | RFQ | |
| Analog Devices, Inc. | LT6004 - Dual 1.6V, 1μA Precision Rail-to-Rail Input and Output Op Amp | 0 | RFQ |


Product
Brand
Articles
Tools


















