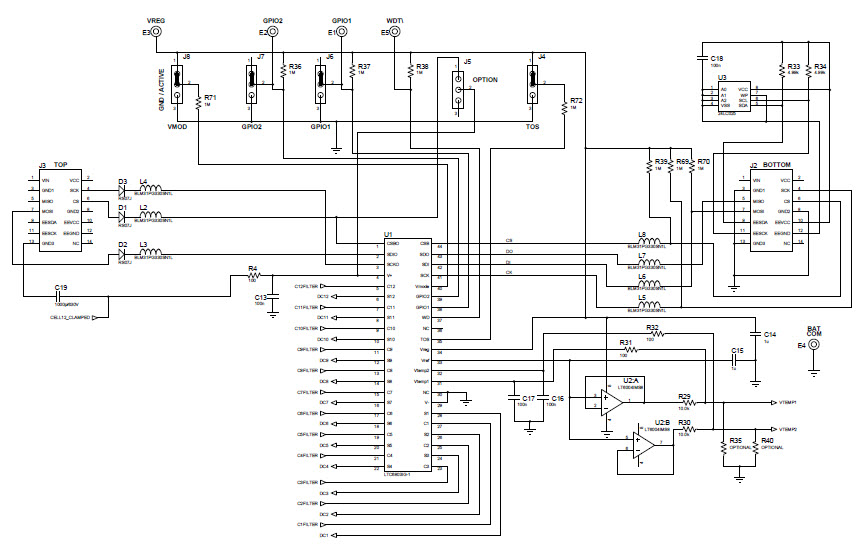
Linear Technology/Analog Devices DC1651ABOARD DEMO FOR LTC6803-1
The Analog Devices DC1651A-A, LTC6803-1 Demo Board, Battery Monitor, Automotive and Transportation is a powerful and versatile tool for monitoring and managing the performance of automotive and transportation batteries. It features a high-precision, low-power, multi-channel battery monitor with a wide range of features, including a wide input voltage range, high accuracy, and low power consumption. The board also includes a variety of communication protocols, including CAN, I2C, and SPI, allowing for easy integration into existing systems. The board also includes a variety of safety features, such as over-voltage and over-temperature protection, as well as a built-in watchdog timer. The board is designed to be used in a variety of applications, including automotive, transportation, and industrial applications.
- TypeParameter
- Lifecycle StatusPRODUCTION (Last Updated: 3 weeks ago)
- Factory Lead Time8 Weeks
- Number of Pins0
- Published2010
- Part StatusActive
- Moisture Sensitivity Level (MSL)1 (Unlimited)
- TypePower Management
- FunctionBattery Monitor
- Utilized IC / PartLTC6803-1
- Supplied ContentsBoard(s)
- Length37mm
- REACH SVHCNo SVHC
- RoHS StatusROHS3 Compliant
| Part Number | Manufacturer | Description | Stock | RFQ |
|---|---|---|---|---|
| Microchip Technology | 24LC025 Series 2 Kb I2C 2 Wire (256 x 8) 2.5 V Serial EEPROM SMT - SOIC-8 | 0 | RFQ | |
| Microchip Technology | IC EEPROM 2K I2C 400KHZ 8DFN | 0 | RFQ | |
| Microchip Technology | EEPROM Serial-I2C 2K-bit 256 x 8 3.3V/5V 8-Pin MSOP Tube | 0 | RFQ | |
| Microchip Technology | EEPROM Serial-I2C 2K-bit 256 x 8 3.3V/5V 8-Pin MSOP Tube | 0 | RFQ | |
| Microchip Technology | EEPROM Serial-I2C 2K-bit 256 x 8 3.3V/5V 8-Pin TSSOP Tube | 0 | RFQ | |
| Microchip Technology | IC EEPROM 2K I2C 400KHZ 8TSSOP | 0 | RFQ | |
| Microchip Technology | Microchip 24LC025-I/SN Serial EEPROM Memory; 2kbit; 1000ns; 2.5 to 5.5V 8-Pin SOIC | 0 | RFQ | |
| Microchip Technology | EEPROM Serial-I2C 2K-bit 256 x 8 3.3V/5V 8-Pin PDIP Tube | 0 | RFQ | |
| Microchip Technology | EEPROM Serial-I2C 2K-bit 256 x 8 3.3V/5V 8-Pin TDFN EP T/R | 0 | RFQ | |
| Microchip Technology | IC EEPROM 2K I2C 400KHZ 8TDFN | 0 | RFQ |


Product
Brand
Articles
Tools





















