Analog Devices Inc. AD9125-M5372-EBZANALOG DEVICES AD9125-M5372-EBZ16 BIT DUAL SIGNAL PROC DAC EVAL
Description
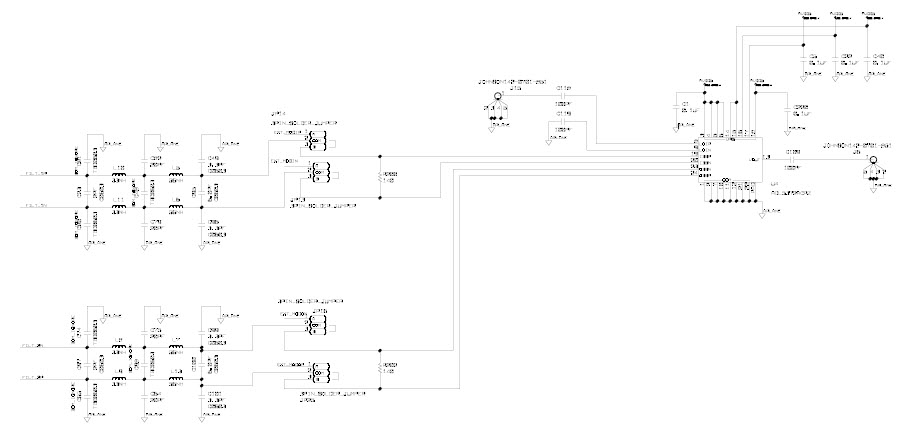
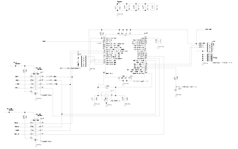
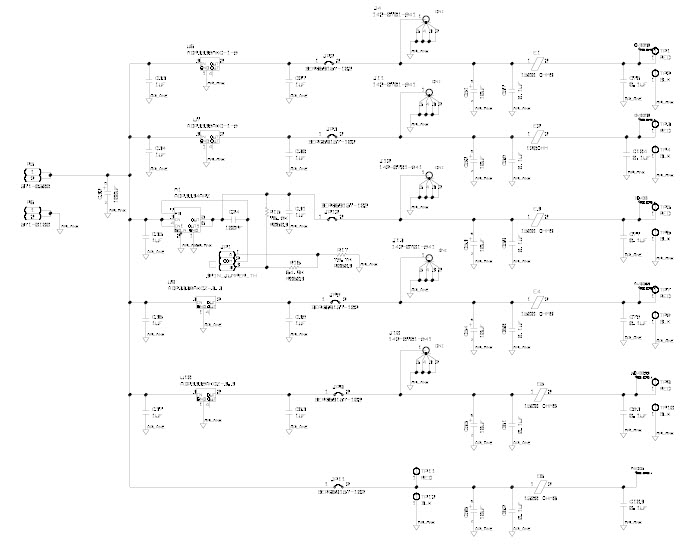
The Analog Devices AD9125-M5372-EBZ Evaluation Board is designed for use with the AD9125 Dual, 16-Bit, 1 GSPS, TxDAC+ Digital-to-Analog Converter. This evaluation board provides a platform for evaluating the performance of the AD9125 in a variety of applications. It features a wide range of input and output connectors, allowing for easy connection to computers and peripherals. The board also includes a variety of test points and jumpers for easy configuration and testing. The AD9125-M5372-EBZ Evaluation Board is an ideal tool for evaluating the performance of the AD9125 in a variety of applications.
Specifications
Analog Devices Inc. technical specifications, attributes, parameters and parts with similar specifications to Analog Devices Inc. .
- TypeParameter
- Lifecycle StatusPRODUCTION (Last Updated: 3 weeks ago)
- Factory Lead Time8 Weeks
- Number of Pins0
- PackagingBulk
- SeriesTxDAC+®
- Part StatusActive
- Moisture Sensitivity Level (MSL)2 (1 Year)
- Max Operating Temperature85°C
- Min Operating Temperature-40°C
- Base Part NumberAD9125
- Operating Supply Voltage5V
- InterfaceSPI, USB
- Power Dissipation1.1W
- Number of Bits16
- Min Input Voltage1.2V
- Max Input Voltage1.2V
- Utilized IC / PartAD9125, ADLM5372
- Supplied ContentsBoard(s)
- Data InterfaceSPI
- Resolution2 B
- Sampling Rate1 Gsps
- Evaluation KitYes
- Settling Time20ns
- Sampling Rate (Per Second)1G
- Number of Converters2
- Conversion Rate1 Gsps
- Number of DAC Channels2
- DAC TypeCurrent
- REACH SVHCNo SVHC
- RoHS StatusROHS3 Compliant
- Lead FreeContains Lead
0 Similar Products Remaining
Technical Documents
Associated Products
| Part Number | Manufacturer | Description | Stock | RFQ |
|---|---|---|---|---|
| Analog Devices Inc. | IC QUADRA MOD 1.5/2.5GHZ 24LFCSP | 6450 | RFQ | |
| Analog Devices Inc. | Clock Generator 64-Pin LFCSP EP Tray | 0 | RFQ | |
| Analog Devices Inc. | ANALOG DEVICES - ADG3304BRUZ - Voltage Level Translator, 4 Input, 6 ns, 1.15 V to 5.5 V, TSSOP-14 | 0 | RFQ | |
| Microchip Technology | IC MCU 8BIT 32KB FLASH 44QFN | 6 | RFQ | |
| Microchip Technology | Clock Fanout Buffer 4-OUT 16-Pin QFN EP | 35 | RFQ | |
| Analog Devices Inc. | IC CLOCK GEN 2.5GHZ VCO 64-LFCSP | 1 | RFQ | |
| Abracon LLC | CRYSTAL 20.0000MHZ 10PF SMD | 14650 | RFQ |


Product
Brand
Articles
Tools

























