Analog Devices Inc. AD9125-M5375-EBZANALOG DEVICES AD9125-M5375-EBZEvaluation Board for AD9125 DAC with ADL5375 Broadband Quadrature Modulator
Description
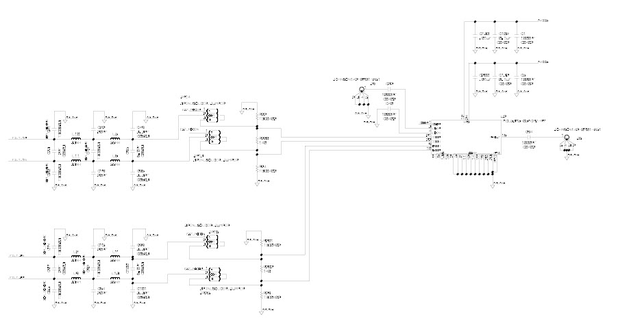
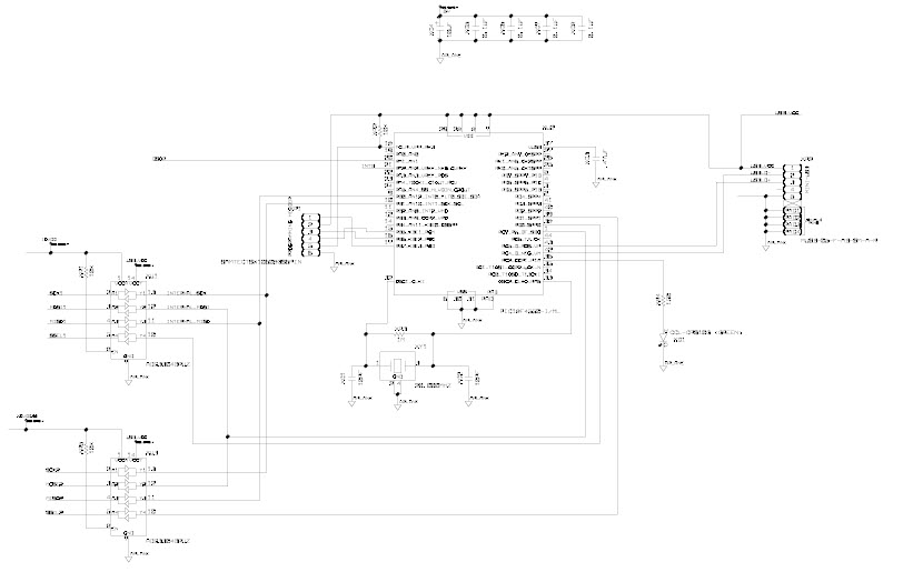
The Analog Devices AD9125-M5375-EBZ Evaluation Board is designed to evaluate the performance of the AD9125 Dual, 16-Bit, 1 GSPS, TxDAC+ Digital-to-Analog Converter. This evaluation board is ideal for use in a variety of applications, including communications, medical imaging, and industrial automation. It features a wide range of features, including a high-speed, low-noise, low-power design, a wide input range, and a wide output range. The board also includes a variety of connectors and test points for easy connection to external devices. The board is compatible with a variety of computers and peripherals, making it an ideal choice for a wide range of applications.
Specifications
Analog Devices Inc. technical specifications, attributes, parameters and parts with similar specifications to Analog Devices Inc. .
- TypeParameter
- Factory Lead Time8 Weeks
- Lifecycle StatusPRODUCTION (Last Updated: 1 month ago)
- Number of Pins0
- SeriesTxDAC+®
- PackagingBulk
- Part StatusActive
- Moisture Sensitivity Level (MSL)2 (1 Year)
- Max Operating Temperature85°C
- Min Operating Temperature-40°C
- Base Part NumberAD9125
- Operating Supply Voltage5V
- InterfaceSPI, USB
- Power Dissipation1.1W
- Number of Bits16
- Min Input Voltage1.2V
- Max Input Voltage1.2V
- Utilized IC / PartAD9125, ADLM5375
- Supplied ContentsBoard(s)
- Data InterfaceSPI
- Resolution2 B
- Sampling Rate1 Gsps
- Evaluation KitYes
- Settling Time20ns
- Sampling Rate (Per Second)1G
- Number of Converters2
- Conversion Rate1 Gsps
- Number of DAC Channels2
- DAC TypeCurrent
- RoHS StatusROHS3 Compliant
- REACH SVHCNo SVHC
- Lead FreeContains Lead
0 Similar Products Remaining
Technical Documents
Associated Products
| Part Number | Manufacturer | Description | Stock | RFQ |
|---|---|---|---|---|
| Analog Devices Inc. | Clock Generator 64-Pin LFCSP EP Tray | 0 | RFQ | |
| Analog Devices Inc. | IC XLATOR 4CH 1.2/5.5V 14TSSOP | 50 | BUY | |
| Analog Devices Inc. | IC MOD QUAD 400MHZ-6GHZ 24LFCSP | 1000 | RFQ | |
| Microchip Technology | IC CLK BUFFER 1:4 2GHZ 16MLF | 1735 | BUY | |
| Analog Devices Inc. | ANALOG DEVICES - ADG3304BRUZ - Voltage Level Translator, 4 Input, 6 ns, 1.15 V to 5.5 V, TSSOP-14 | 0 | RFQ | |
| Microchip Technology | IC MCU 8BIT 32KB FLASH 44QFN | 6 | RFQ | |
| Microchip Technology | Clock Fanout Buffer 4-OUT 16-Pin QFN EP | 35 | RFQ | |
| Abracon LLC | CRYSTAL 20.0000MHZ 10PF SMD | 14650 | RFQ |


Product
Brand
Articles
Tools

























