Analog Devices Inc. ADP5360CB-EVALZADP5360 WLCSP EVALUATION BOARD
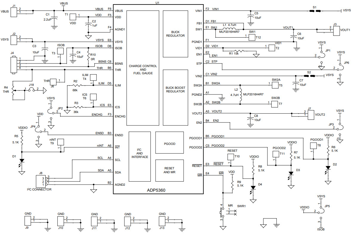
The Analog Devices ADP5360CB-EVALZ Evaluation Kit is designed to evaluate the ADP5360 Advanced Battery Management PMIC with Ultralow IQ Buck and Buck Boost for medical and healthcare applications. This evaluation kit includes a fully assembled and tested ADP5360CB-EVALZ board, a USB cable, and a user guide. The ADP5360CB-EVALZ board features a wide input voltage range of 2.7V to 5.5V, and a wide output voltage range of 0.8V to 5.5V. It also features a low quiescent current of only 1.2uA, and a high efficiency of up to 95%. The board is designed to provide a complete solution for battery management, including charging, discharging, and monitoring. It also features a wide range of protection features, such as over-voltage, over-current, and short-circuit protection. The ADP5360CB-EVALZ Evaluation Kit is ideal for evaluating the performance of the ADP5360 Advanced Battery Management PMIC for medical and healthcare applications.
- TypeParameter
- Factory Lead Time8 Weeks
- Part StatusActive
- Moisture Sensitivity Level (MSL)1 (Unlimited)
- TypePower Management
- FunctionBattery Charger
- Utilized IC / PartADP5360
- Supplied ContentsBoard(s)
- Secondary AttributesGraphical User Interface
- RoHS StatusROHS3 Compliant
| Part Number | Manufacturer | Description | Stock | RFQ |
|---|---|---|---|---|
| Microchip Technology | IC REG LDO 3.3V 0.15A SOT223-3 | 36588 | BUY | |
| Microchip Technology | IC PWR MONITOR 2CH 1PH 28QFN | 1600 | BUY |


Product
Brand
Articles
Tools



















