Analog Devices Inc. DC2122ALTC3859ALEUHF DEMO BOARD - 4.5V
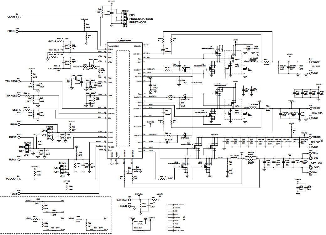
The Analog Devices DC2122A-A Demonstration Board is a versatile platform for evaluating the performance of the LTC3859ALEUHF Triple Output Synchronous Step-Up, Dual Step-Down Supply. This board is designed for automotive and transportation applications, and features a wide input voltage range of 4.5V to 40V. It provides three regulated outputs, with adjustable output voltages of up to 24V. The board also includes a wide range of protection features, such as over-voltage, over-current, and short-circuit protection. The board is also equipped with a graphical user interface, allowing users to easily configure and monitor the board's performance. The DC2122A-A is an ideal solution for evaluating the performance of the LTC3859ALEUHF in automotive and transportation applications.
- TypeParameter
- MfrAnalog Devices Inc.
- PackageBox
- Product StatusActive
- Base Product NumberDC2122
- Factory Pack QuantityFactory Pack Quantity1
- ManufacturerAnalog Devices Inc.
- BrandAnalog Devices
- Tool Is For Evaluation OfLTC3859ALEUHF
- RoHSDetails
- Voltage-Input4.5V ~ 36V
- Series-
- PackagingBulk
- TypeVoltage Regulator - Switching Regulator
- SubcategoryDevelopment Tools
- Output Voltage4.9 V to 10.2 V
- Output Current0 A to 7 A
- Current - Output-
- Voltage - Output5V, 8.5V, 10V
- Frequency - Switching350kHz
- Utilized IC / PartLTC3859AL
- Supplied ContentsBoard(s)
- Product TypePower Management IC Development Tools
- Board TypeFully Populated
- Main PurposeDC/DC, Step Up or Down
- Outputs and Type3, Non-Isolated
- Regulator TopologyBoost, Buck
- ProductDemonstration Boards
- Input Voltage4.5 V to 36 V
- Product CategoryPower Management IC Development Tools


Product
Brand
Articles
Tools





