Analog Devices Inc. EV-AD5415/49SDZANALOG DEVICES EV-AD5415/49SDZ AD5415/49SDZ EVALUATION MODULE
Description
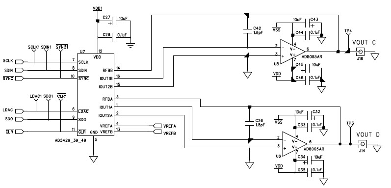
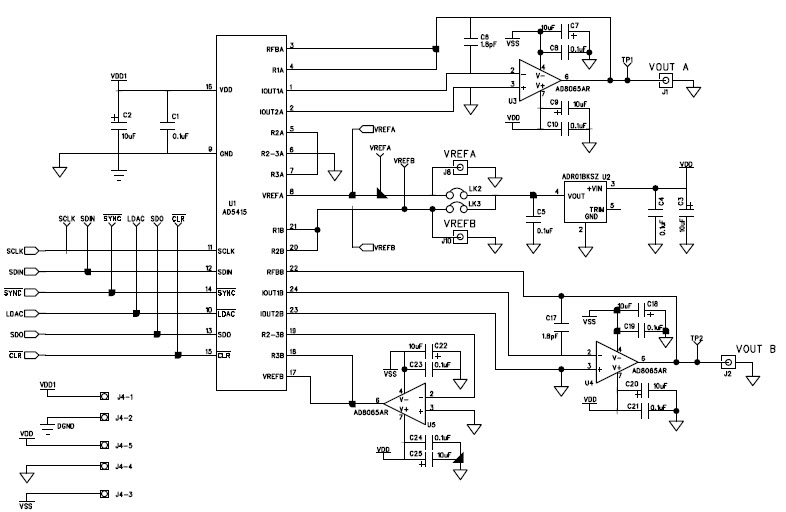
The Analog Devices EV-AD5415/49SDZ is an evaluating board for the AD5415 Serial Input, Dual-Channel Current Output DAC, Instrumentation and Measurement Amplifier. This board is designed to provide a platform for evaluating the performance of the AD5415 in a variety of applications. It features two independent current outputs, each with a range of 0 to 20 mA, and a serial input interface for programming the output current. The board also includes a precision voltage reference, a low-noise power supply, and a set of test points for monitoring the performance of the device. The EV-AD5415/49SDZ is an ideal solution for evaluating the performance of the AD5415 in instrumentation and measurement applications.
Specifications
Analog Devices Inc. technical specifications, attributes, parameters and parts with similar specifications to Analog Devices Inc. .
- TypeParameter
- Lifecycle StatusPRODUCTION (Last Updated: 1 week ago)
- Factory Lead Time8 Weeks
- Package / CaseModule
- Number of Pins0
- PackagingBox
- Part StatusActive
- Moisture Sensitivity Level (MSL)1 (Unlimited)
- Max Operating Temperature125°C
- Min Operating Temperature-40°C
- Operating Supply Voltage5.5V
- InterfaceSPI, Serial
- Number of Bits12
- Utilized IC / PartAD5415, AD5449
- Supplied ContentsBoard(s)
- Data InterfaceDSP, MICROWIRE™, QSPI™, Serial, SPI™
- Resolution1.5 B
- Sampling Rate2.47 Msps
- Evaluation KitYes
- Sampling Rate (Per Second)2.47M
- Number of DAC Channels4
- DAC TypeCurrent
- REACH SVHCNo SVHC
- RoHS StatusROHS3 Compliant
- Lead FreeContains Lead
0 Similar Products Remaining
Technical Documents
Associated Products
| Part Number | Manufacturer | Description | Stock | RFQ |
|---|---|---|---|---|
| Analog Devices Inc. | IC OPAMP VFB 145MHZ RRO SOT23-5 | 6857 | RFQ | |
| Analog Devices Inc. | IC DAC DUAL 12BIT MULT 16TSSOP | 3000 | RFQ | |
| Microchip Technology | MICROCHIP - 24LC64-I/MS - SERIAL EEPROM, 64KBIT, 400KHZ, MSOP-8 | 0 | RFQ | |
| Analog Devices Inc. | OP Amp Single Volt Fdbk R-R O/P ±12V/24V 8-Pin SOIC N T/R | 534 | RFQ | |
| Analog Devices Inc. | ANALOG DEVICES AD8065ARZOperational Amplifier, Single, 145 MHz, 1 Amplifier, 180 V/s, 5V to 24V, SOIC, 8 Pins | 9942 | RFQ | |
| Analog Devices Inc. | ANALOG DEVICES - AD5449YRUZ - Digital to Analogue Converter, Dual, 12 bit, 2.47 MSPS, Serial, 2.5V to 5.5V, TSSOP, 16 Pins | 15 | RFQ | |
| Analog Devices Inc. | ANALOG DEVICES AD8065ARTZ-R2Operational Amplifier, Single, 145 MHz, 1 Amplifier, 180 V/s, 5V to 24V, SOT-23, 5 Pins | 978 | RFQ | |
| Analog Devices Inc. | IC VREF SERIES 10V SC70 | 10000 | RFQ | |
| Analog Devices Inc. | Operational Amplifiers - Op Amps High Perf 145 MHz | 2357 | RFQ | |
| Analog Devices Inc. | IC DAC DUAL 12BIT MULT 16TSSOP | 6000 | RFQ | |
| Analog Devices Inc. | IC DAC 12BIT DUAL MULT 24-TSSOP | 825 | BUY |
Load more


Product
Brand
Articles
Tools



















