Analog Devices Inc. EVAL-AD2S1200SDZEvaluation Board For The AD2S1200/AD2S1205 Resolver-to-Digital Converters
Description
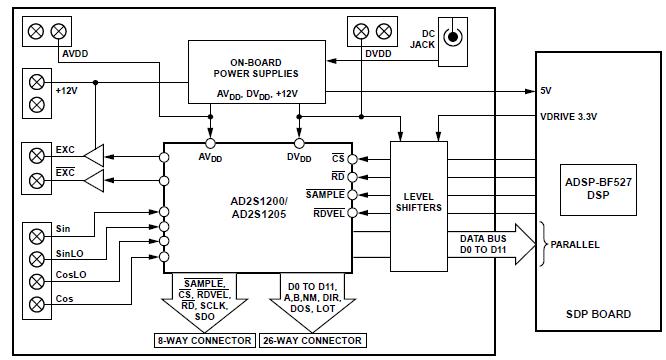
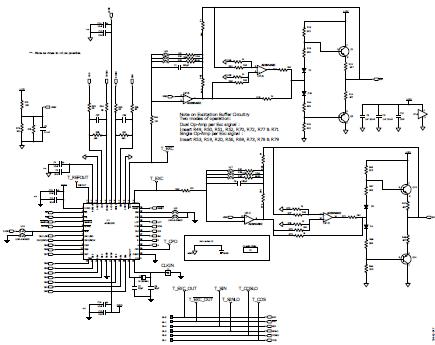
The Analog Devices EVAL-AD2S1200SDZ Evaluation Board is designed to evaluate the performance of the AD2S1200 Resolver-to-Digital Converters. This board is ideal for automotive and transportation applications, as it provides a reliable and accurate solution for measuring angular position and velocity. The board features a wide input voltage range of 4.5V to 28V, and is capable of providing a resolution of up to 16 bits. It also includes a variety of features such as a low-noise amplifier, a low-pass filter, and a temperature sensor. The board is easy to use and provides a comprehensive evaluation platform for the AD2S1200 Resolver-to-Digital Converters.
Specifications
Analog Devices Inc. technical specifications, attributes, parameters and parts with similar specifications to Analog Devices Inc. .
- TypeParameter
- Lifecycle StatusPRODUCTION (Last Updated: 3 weeks ago)
- Factory Lead Time8 Weeks
- Package / CaseModule
- Number of Pins0
- PackagingBulk
- Part StatusActive
- Moisture Sensitivity Level (MSL)1 (Unlimited)
- TypeInterface
- Base Part NumberAD2S12
- FunctionResolver-to-Digital
- Operating Supply Voltage5V
- InterfaceParallel, Serial
- Utilized IC / PartAD2S1200
- Supplied ContentsBoard(s), Power Supply
- Resolution1.5 B
- Evaluation KitYes
- Primary AttributesGraphical User Interface (GUI)
- EmbeddedNo
- REACH SVHCUnknown
- RoHS StatusROHS3 Compliant
- Lead FreeContains Lead
0 Similar Products Remaining
Technical Documents
Associated Products
| Part Number | Manufacturer | Description | Stock | RFQ |
|---|---|---|---|---|
| Analog Devices Inc. | Resolver to Digital 12-Bit Parallel/Serial (3-Wire, SPI) ±22arcmin 44-Pin LQFP | 500 | BUY | |
| Analog Devices Inc. | ANALOG DEVICES - ADG3308BRUZ - Voltage Level Translator, Bidirectional, 8 Input, 6 ns, 60 Mbps, 1.15 V to 5.5 V, TSSOP-20 | 10 | RFQ | |
| Analog Devices Inc. | IC TRNSLTR BIDIRECTIONAL 20LFCSP | 33 | BUY | |
| Analog Devices Inc. | IC XLATOR 8CH 1.2-5.5V 20-WLCSP | 1859 | RFQ | |
| Microchip Technology | MICROCHIP - 24LC32A-I/MS - EEPROM, 32 Kbit, 4K x 8bit, Serial I2C (2-Wire), 400 kHz, MSOP, 8 Pins | 4 | RFQ | |
| Analog Devices Inc. | Level Translator 20-Pin TSSOP T/R | 772 | RFQ | |
| Analog Devices Inc. | ANALOG DEVICES ADP1621ARMZ-R7 IC, PWM STEP-UP CONVERTER CTRL, MSOP-10 | 25 | RFQ | |
| Analog Devices Inc. | ANALOG DEVICES AD8664ARZOperational Amplifier, QUAD, 4 MHz, 4 Amplifier, 3.5 V/s, 5V to 16V, SOIC, 14 Pins | 30 | RFQ | |
| Analog Devices Inc. | ANALOG DEVICES - AD2S1200YSTZ - IC, 12BIT ADC, REF OSC, SMD, 2S1200 | 10086 | RFQ | |
| Analog Devices Inc. | IC TRNSLTR BIDIRECTIONAL 20WLCSP | 18 | BUY | |
| Analog Devices Inc. | IC TRNSLTR BIDIRECTIONAL 20TSSOP | 875 | BUY | |
| Analog Devices Inc. | IC TRNSLTR BIDIRECTIONAL 20LFCSP | 5000 | BUY |
Load more


Product
Brand
Articles
Tools
































