Analog Devices Inc. EVAL-AD7175-8SDZEVAL BOARD AD7175-8
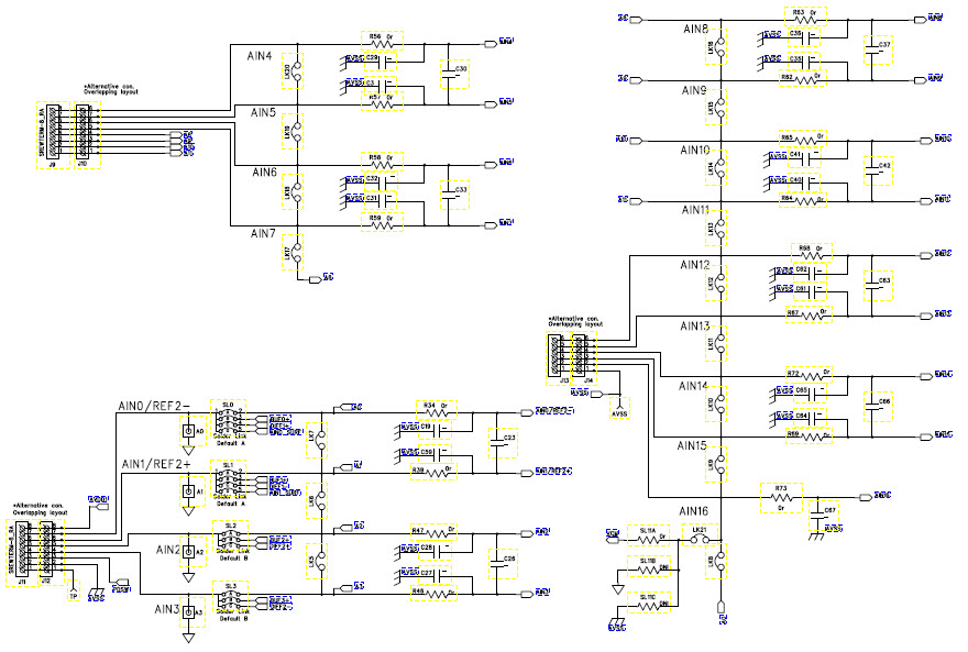
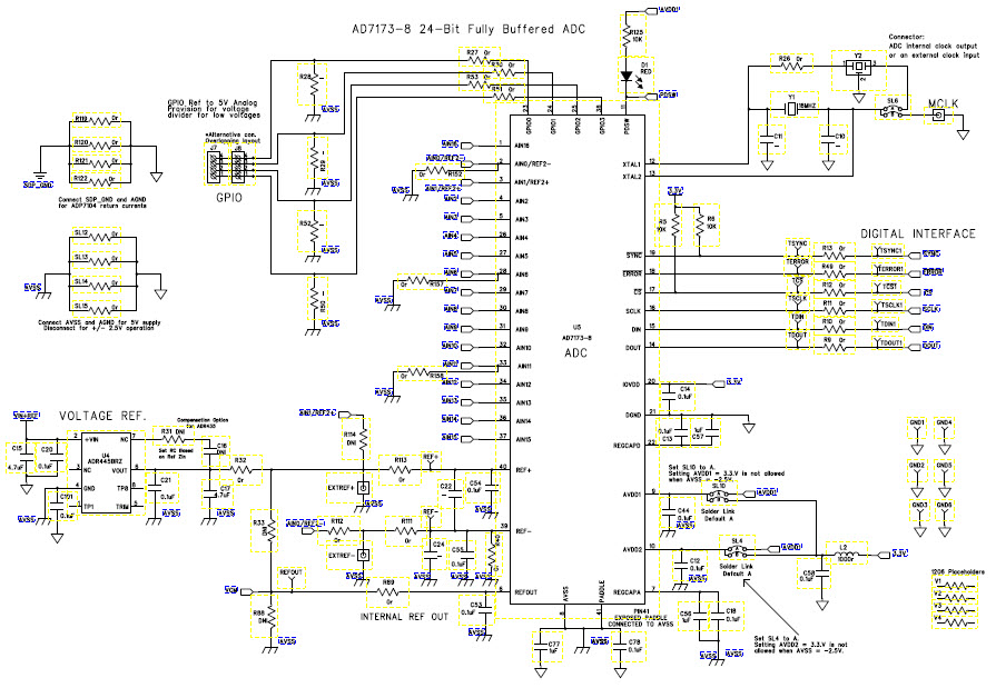
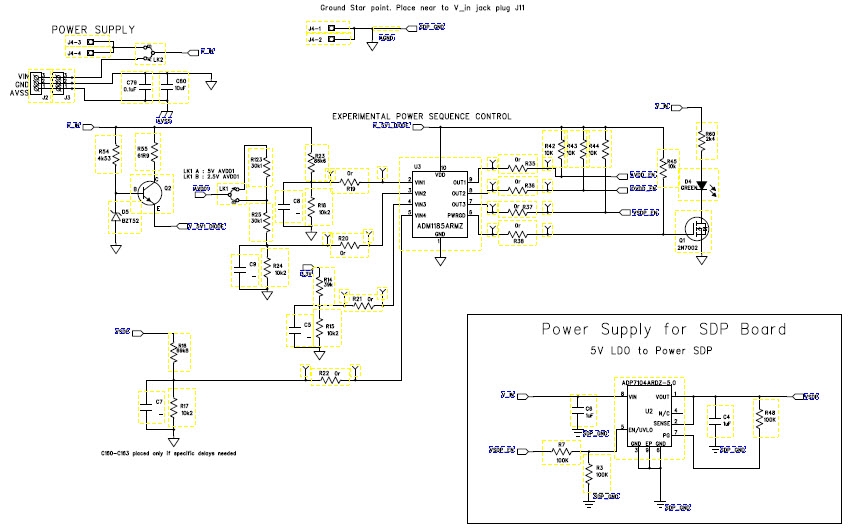
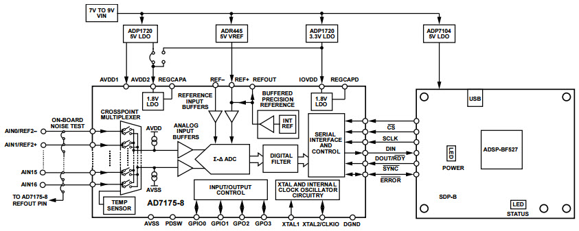
The EVAL-AD7175-8SDZ Evaluation Kit from Analog Devices is designed to evaluate the AD7175-8 24-bit, 250 kSPS, sigma-delta ADC with 20 us settling and integrated analog input buffers, instrumentation and measurement amplifier. The kit includes a USB-based evaluation board, a software package, and a user guide. The evaluation board features a USB-based interface, a power supply, and a variety of connectors for connecting to external devices. The software package includes a GUI, a library of example programs, and a library of source code. The user guide provides detailed instructions for setting up and using the evaluation board. The AD7175-8 is a high-performance, low-power, 24-bit sigma-delta ADC with integrated analog input buffers, instrumentation and measurement amplifier, and 20 us settling time. It is ideal for applications such as industrial process control, medical instrumentation, and data acquisition.
- TypeParameter
- Lifecycle StatusPRODUCTION (Last Updated: 1 week ago)
- Factory Lead Time8 Weeks
- Number of Pins0
- PackagingBox
- Part StatusActive
- Moisture Sensitivity Level (MSL)1 (Unlimited)
- Base Part NumberAD7175
- InterfaceParallel
- Number of Bits24
- Utilized IC / PartAD7175-8
- Supplied ContentsBoard(s), Power Supply
- Data InterfaceParallel
- Sampling Rate250 ksps
- Evaluation KitYes
- Sampling Rate (Per Second)250k
- Number of A/D Converters1
- Input Range±VREF
- Power (Typ) @ Conditions105mW @ 250kSPS
- REACH SVHCNo SVHC
- RoHS StatusROHS3 Compliant
- Lead FreeContains Lead
| Part Number | Manufacturer | Description | Stock | RFQ |
|---|---|---|---|---|
| Analog Devices Inc. | AMP, DIFF, LOW PWR, 260MHZ, 16LFCSP | 3000 | RFQ | |
| Analog Devices Inc. | IC OPAMP DIFF 260MHZ 16LFCSP | 0 | RFQ | |
| Analog Devices Inc. | ANALOG DEVICES - AD8656ARZ - AMPLIF. O.,DOPPIO CMOS BASSO RUMORE,8656 | 0 | RFQ | |
| Analog Devices Inc. | ANALOG DEVICES AD8475ARMZ Differential Amplifier, Selectable Gain, 1 Amplifiers, 150 MHz, -40 C, 85 C | 7 | RFQ | |
| Analog Devices Inc. | ANALOG DEVICES - ADP1720ARMZ-R7 - LINEAR REG 0.05A 1.225V TO 5V 8MSOP | 10 | BUY | |
| Analog Devices Inc. | SP Amp DIFF AMP Single R-R O/P 7V 16-Pin LFCSP EP T/R | 0 | RFQ | |
| Analog Devices Inc. | IC REG LINEAR 5V 500MA 8SOIC | 2 | RFQ | |
| Analog Devices Inc. | ANALOG DEVICES - ADP1720ARMZ-5-R7 - LDO VOLTAGE REGULATOR, 5V, 50mA, MSOP-8 | 25 | RFQ | |
| Analog Devices Inc. | ANALOG DEVICES ADP1720ARMZ-3.3-R7LDO VOLTAGE REGULATOR, 3.3V, 50mA, MSOP- | 0 | RFQ | |
| Analog Devices Inc. | ANALOG DEVICES ADR445BRZ Voltage Reference, Ultralow Noise, Series - Fixed, ADR445 Series, 5V, NSOIC-8 | 0 | RFQ | |
| Microchip Technology | MICROCHIP - 24LC32A-I/MS - EEPROM, 32 Kbit, 4K x 8bit, Serial I2C (2-Wire), 400 kHz, MSOP, 8 Pins | 4 | RFQ |


Product
Brand
Articles
Tools


























