Analog Devices Inc. EVAL-AD7176-2SDZBOARD EVAL FOR AD7176-2
Description
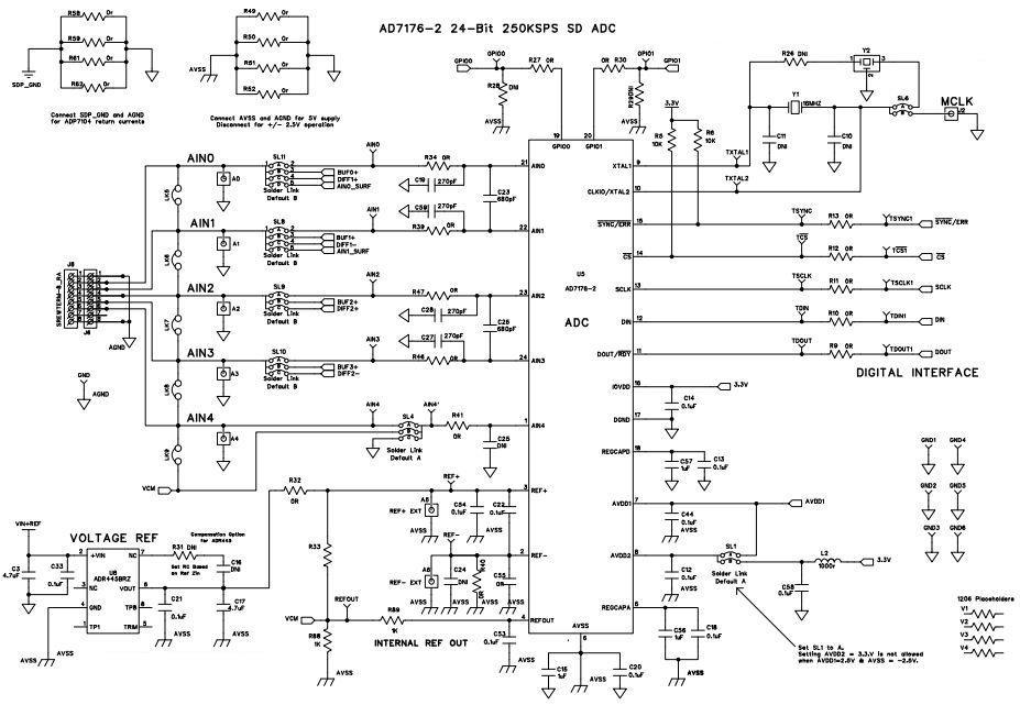
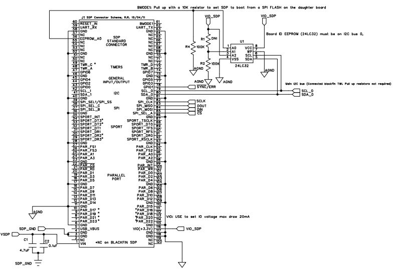
The Analog Devices EVAL-AD7176-2SDZ Evaluation Board is designed to evaluate the performance of the AD7176-2, a 24-bit, 250 kSPS Sigma-Delta Analog to Digital Converter. This board is designed for industrial temperature range applications and features a wide range of features, including a low power consumption, high accuracy, and a wide input range. The board also includes a variety of connectors and jumpers to facilitate easy connection to external components. The board also includes a USB interface for easy connection to a PC for data acquisition and control. The board is ideal for applications such as industrial process control, medical instrumentation, and data acquisition.
Specifications
Analog Devices Inc. technical specifications, attributes, parameters and parts with similar specifications to Analog Devices Inc. .
- TypeParameter
- Lifecycle StatusPRODUCTION (Last Updated: 3 days ago)
- Factory Lead Time8 Weeks
- Number of Pins0
- PackagingBox
- Part StatusActive
- Moisture Sensitivity Level (MSL)1 (Unlimited)
- Max Operating Temperature105°C
- Min Operating Temperature-40°C
- Base Part NumberAD7176
- Operating Supply Voltage5V
- InterfaceSPI, Serial
- Number of Bits24
- Utilized IC / PartAD7176-2
- Supplied ContentsBoard(s)
- Data InterfaceDSP, MICROWIRE™, QSPI™, Serial, SPI™
- Resolution3 B
- Sampling Rate250 ksps
- Evaluation KitYes
- Sampling Rate (Per Second)250k
- Number of A/D Converters1
- Input Range±VREF
- Power (Typ) @ Conditions42.5mW @ 250kSPS
- REACH SVHCNo SVHC
- RoHS StatusROHS3 Compliant
- Lead FreeLead Free
0 Similar Products Remaining
Technical Documents
Associated Products
| Part Number | Manufacturer | Description | Stock | RFQ |
|---|---|---|---|---|
| Diodes Incorporated | IC BUFFER NON-INVERT 6V 14SO | 0 | RFQ | |
| Diodes Incorporated | IC INVERTER GATE HEX 14TSSOP | 0 | RFQ | |
| Analog Devices Inc. | ANALOG DEVICES - AD8606ARMZ-REEL - Operational Amplifier, Dual, 2 Amplifier, 10 MHz, 5 V/µs, 2.7V to 5.5V, MSOP, 8 Pins | 5373 | RFQ | |
| Analog Devices Inc. | IC OPAMP GP 10MHZ RRO 8SOIC | 0 | RFQ | |
| Diodes Incorporated | IC BUFFER NON-INVERTING 14TSSOP | 0 | RFQ | |
| Nexperia USA Inc. | IC BUFFER NON-INVERT 6V 14SO | 0 | RFQ | |
| Nexperia USA Inc. | IC BUFFER NON-INVERT 6V 14TSSOP | 0 | RFQ | |
| Toshiba | 60 | BUY |


Product
Brand
Articles
Tools




























