Analog Devices Inc. EVAL-AD7194EBZ8-CHANNEL, 4.8 KHZ, ULTRALOW NOISE,24-BIT SIGMA-DELTA ADC WITH PGA
Description
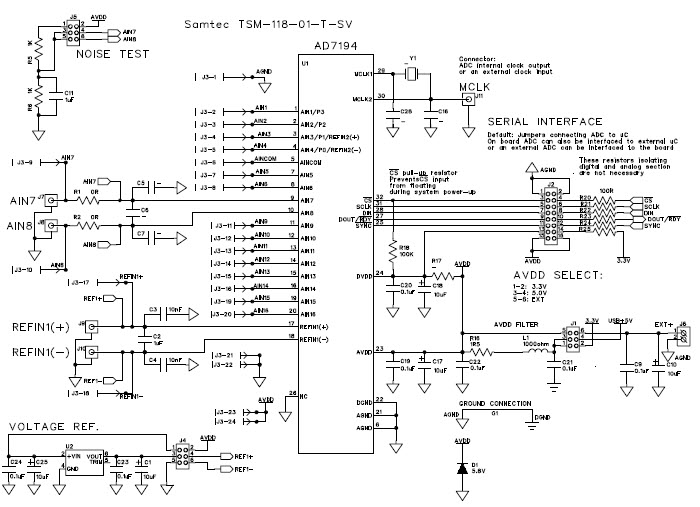
The Analog Devices EVAL-AD7194EBZ is an evaluation board for the AD7194, a 4.8 kHz, ultra low noise, 24-bit sigma-delta analog-to-digital converter (ADC). This board is designed for instrumentation and measurement applications, and features a low-noise amplifier, a precision voltage reference, and a temperature sensor. The board also includes a USB interface for easy connection to a PC, and a graphical user interface (GUI) for configuration and data acquisition. The AD7194 is capable of achieving a noise floor of -120 dBV, and a dynamic range of up to 94 dB. The board is ideal for applications such as audio, vibration, and pressure sensing.
Specifications
Analog Devices Inc. technical specifications, attributes, parameters and parts with similar specifications to Analog Devices Inc. .
- TypeParameter
- Factory Lead Time8 Weeks
- Lifecycle StatusPRODUCTION (Last Updated: 4 weeks ago)
- Package / CaseModule
- Number of Pins0
- PackagingBox
- Part StatusActive
- Moisture Sensitivity Level (MSL)1 (Unlimited)
- Max Operating Temperature105°C
- Min Operating Temperature-40°C
- Base Part NumberAD7194
- Operating Supply Voltage5.25V
- InterfaceSPI, Serial
- Number of Bits24
- Utilized IC / PartAD7194
- Supplied ContentsBoard(s), Cable(s)
- Data InterfaceDSP, MICROWIRE™, QSPI™, Serial, SPI™
- Resolution3 B
- Evaluation KitYes
- Number of A/D Converters1
- RoHS StatusROHS3 Compliant
- Radiation HardeningNo
- REACH SVHCNo SVHC
- Lead FreeContains Lead
0 Similar Products Remaining
Technical Documents
Associated Products
| Part Number | Manufacturer | Description | Stock | RFQ |
|---|---|---|---|---|
| Analog Devices, Inc. | 0 | RFQ | ||
| Analog Devices Inc. | IC VREF SERIES 0.04% 8SOIC | 13199 | RFQ | |
| Analog Devices Inc. | V-Ref Precision 2.5V 10mA 8-Pin SOIC N T/R | 7 | RFQ | |
| Analog Devices Inc. | IC ADC 24BIT SPI 4.8KHZ 32LFCSP | 100 | BUY | |
| Analog Devices Inc. | IC ADC 24BIT SPI 4.8KHZ 32LFCSP | 35 | BUY | |
| Analog Devices, Inc. | 1049 | RFQ | ||
| KYOCERA | Range:-10°C to 70°C; Crystal Mounting Type:SMD; Crystal Case Type:5mm x 3.2mm; No. of Pins:2; SVHC:No SVHC (20-Jun-2011); Accuracy:± 50ppm; Frequency | 0 | RFQ | |
| Analog Devices Inc. | ANALOG DEVICES AD7194BCPZAnalogue to Digital Converter, 24 bit, 4.8 kSPS, LFCSP | 1000 | RFQ |


Product
Brand
Articles
Tools
















