Analog Devices Inc. EVAL-AD7708EBZBOARD EVAL FOR AD7708
Description
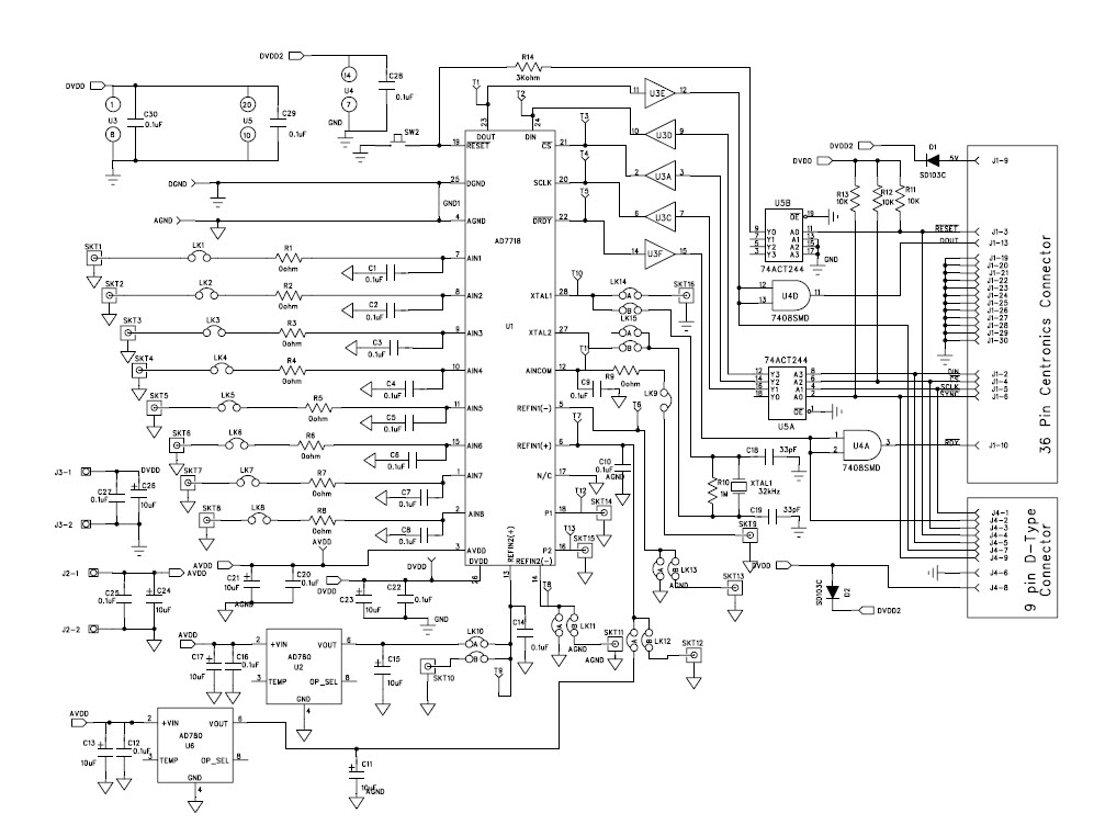
The Analog Devices EVAL-AD7708EBZ Evaluation Board is a versatile tool for evaluating the performance of the AD7708, a 1.365KSPS, 16-bit, sigma delta Analog to Digital Converter (ADC) with an industrial temperature range. This board features a wide range of features, including a low-noise, low-power design, a wide input voltage range, and a high-speed serial interface. The board also includes a variety of test points and connectors for easy connection to external components. The board is ideal for applications such as industrial process control, medical instrumentation, and data acquisition.
Specifications
Analog Devices Inc. technical specifications, attributes, parameters and parts with similar specifications to Analog Devices Inc. .
- TypeParameter
- Lifecycle StatusLAST TIME BUY (Last Updated: 3 weeks ago)
- Package / CaseModule
- Number of Pins0
- PackagingBox
- Part StatusNot For New Designs
- Moisture Sensitivity Level (MSL)1 (Unlimited)
- Max Operating Temperature85°C
- Min Operating Temperature-40°C
- Base Part NumberAD7708
- Operating Supply Voltage5.25V
- InterfaceSPI, Serial
- Number of Bits16
- Utilized IC / PartAD7708
- Supplied ContentsBoard(s)
- Data InterfaceSerial
- Resolution2 B
- Sampling Rate1.37 ksps
- Evaluation KitYes
- Sampling Rate (Per Second)1.37k
- Number of A/D Converters1
- Input Range±2.5V
- Power (Typ) @ Conditions3.84mW @ 3V
- REACH SVHCNo SVHC
- RoHS StatusROHS3 Compliant
- Lead FreeContains Lead
0 Similar Products Remaining
Technical Documents
Associated Products
| Part Number | Manufacturer | Description | Stock | RFQ |
|---|---|---|---|---|
| ON Semiconductor | IC BUF NON-INVERT 5.5V 20TSSOP | 5 | BUY | |
| Texas Instruments | IC GATE AND 4CH 2-INP 14-SOIC | 0 | RFQ | |
| Omron Electronics Inc-EMC Div | OMRON ELECTRONIC COMPONENTS B3W-1000SWITCH, SPST-NO, 0.05A, 24VDC, THT | 7173 | RFQ | |
| Analog Devices Inc. | ANALOG DEVICES AD780ANZ Voltage Reference, High Precision, Series - Programmable, AD780 Series, 2.5V, 3V, DIP-8 | 1000 | RFQ | |
| Texas Instruments | IC GATE AND 4CH 2-INP 14-SOIC | 986 | BUY |


Product
Brand
Articles
Tools











