Analog Devices Inc. EVAL-AD7718EBZANALOG DEVICES EVAL-AD7718EBZ AD7718EBZ EVALUATION MODULE
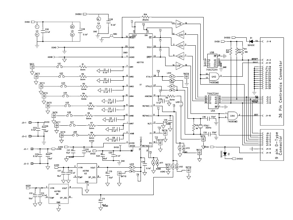
The Analog Devices EVAL-AD7718EBZ Evaluation Board is a versatile tool for evaluating the performance of the AD7718, an 8/10-channel, 24-bit sigma delta Analog to Digital Converter (ADC) with an industrial temperature range. This board is designed to provide a complete platform for evaluating the performance of the AD7718 in a variety of applications. It features a wide range of input and output connectors, as well as a variety of on-board components to facilitate the evaluation of the AD7718. The board also includes a USB interface for easy connection to a PC, allowing for easy configuration and data acquisition. The EVAL-AD7718EBZ Evaluation Board is an ideal tool for evaluating the performance of the AD7718 in industrial, automotive, and medical applications.
- TypeParameter
- Lifecycle StatusPRODUCTION (Last Updated: 3 weeks ago)
- Factory Lead Time8 Weeks
- Package / CaseModule
- Number of Pins0
- PackagingBulk
- Part StatusActive
- Moisture Sensitivity Level (MSL)1 (Unlimited)
- Max Operating Temperature85°C
- Min Operating Temperature-40°C
- Base Part NumberAD7718
- Operating Supply Voltage5.25V
- InterfaceSPI, Serial
- Operating Supply Current1.28mA
- Number of Bits24
- Utilized IC / PartAD7718
- Supplied ContentsBoard(s)
- Data InterfaceSerial
- Resolution3 B
- Sampling Rate1.37 ksps
- Evaluation KitYes
- Sampling Rate (Per Second)1.37k
- Number of A/D Converters1
- Input Range±2.5V
- Power (Typ) @ Conditions3.84mW @ 3V
- REACH SVHCNo SVHC
- RoHS StatusROHS3 Compliant
- Lead FreeContains Lead
| Part Number | Manufacturer | Description | Stock | RFQ |
|---|---|---|---|---|
| Texas Instruments | IC GATE AND 4CH 2-INP 14-SOIC | 0 | RFQ | |
| Analog Devices Inc. | ANALOG DEVICES AD780ANZ Voltage Reference, High Precision, Series - Programmable, AD780 Series, 2.5V, 3V, DIP-8 | 1000 | RFQ | |
| ON Semiconductor | IC BUF NON-INVERT 5.5V 20TSSOP | 5 | BUY | |
| Texas Instruments | IC GATE AND 4CH 2-INP 14-SOIC | 986 | BUY | |
| Analog Devices Inc. | 10-Channel Single ADC Delta-Sigma 1.365ksps 24-bit Serial 28-Pin TSSOP Tube | 565 | BUY |


Product
Brand
Articles
Tools











