Analog Devices Inc. EVAL-AD7760EDZANALOG DEVICES EVAL-AD7760EDZ EVAL BOARD 2.5MSPS 18/20 BIT ADC I.C.
Description
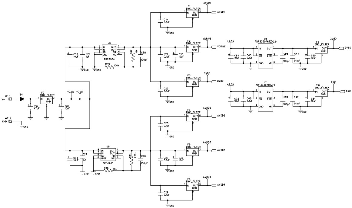
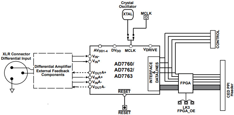
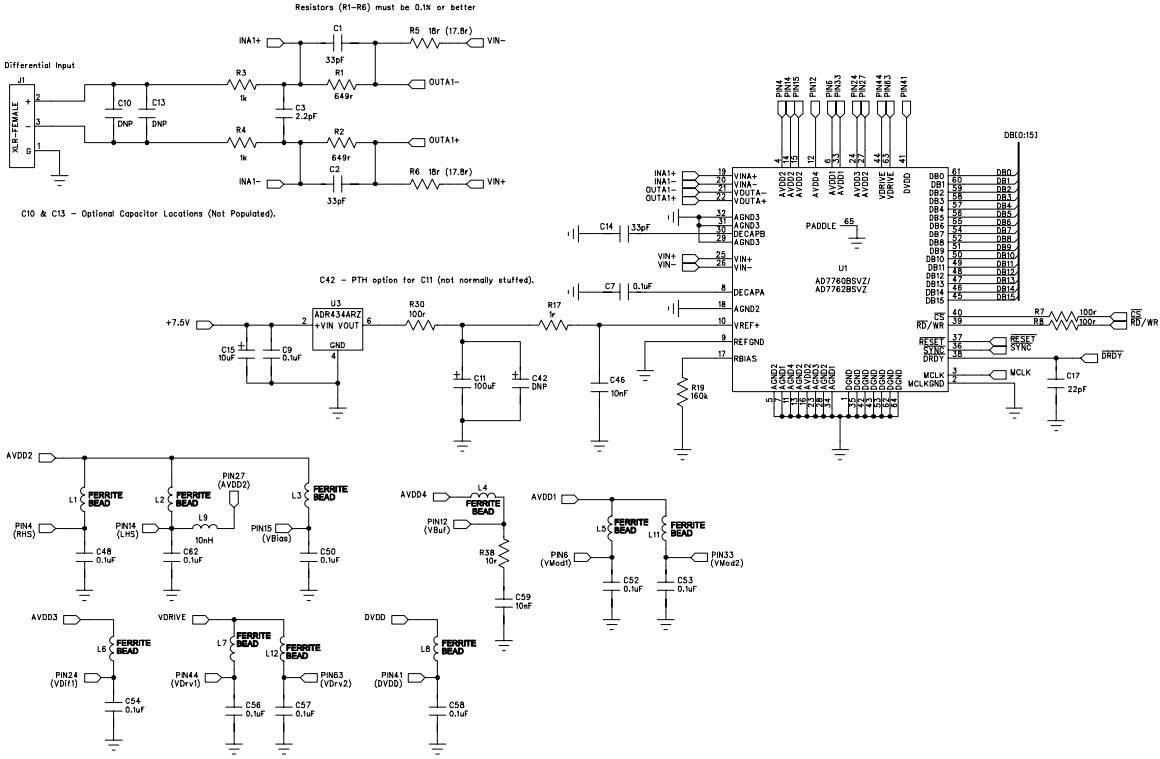
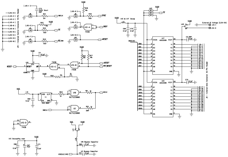
The Analog Devices EVAL-AD7760EDZ is an evaluation board for the AD7760, a 24-bit, 2.5 MSPS analog-to-digital converter (ADC). It is designed to be used with the EVAL-CED1Z Converter Development Board, an instrumentation and measurement system. The EVAL-AD7760EDZ board provides a complete platform for evaluating the performance of the AD7760 ADC. It includes a power supply, a reference voltage, and a variety of connectors for connecting to the EVAL-CED1Z board. The board also includes a variety of test points and jumpers for configuring the ADC for different applications. The EVAL-AD7760EDZ board is an ideal platform for evaluating the performance of the AD7760 ADC and for developing custom applications.
Specifications
Analog Devices Inc. technical specifications, attributes, parameters and parts with similar specifications to Analog Devices Inc. .
- TypeParameter
- Lifecycle StatusPRODUCTION (Last Updated: 3 months ago)
- Factory Lead Time8 Weeks
- Package / Case100
- Number of Pins64
- PackagingBox
- Part StatusActive
- Moisture Sensitivity Level (MSL)1 (Unlimited)
- Max Operating Temperature85°C
- Min Operating Temperature-40°C
- Base Part NumberAD7760
- Operating Supply Voltage5.25V
- InterfaceParallel
- Number of Bits24
- Utilized IC / PartAD7760
- Supplied ContentsBoard(s)
- Data InterfaceParallel
- Resolution3 B
- Sampling Rate2.5 Msps
- Evaluation KitYes
- Sampling Rate (Per Second)2.5M
- Number of A/D Converters1
- Input Range±3.25Vpp
- Power (Typ) @ Conditions958mW @ 2.5MSPS
- REACH SVHCNo SVHC
- Radiation HardeningNo
- RoHS StatusROHS3 Compliant
- Lead FreeContains Lead
0 Similar Products Remaining
Technical Documents
Associated Products
| Part Number | Manufacturer | Description | Stock | RFQ |
|---|---|---|---|---|
| Analog Devices Inc. | IC SUPERVISOR MPU 2.32V SC70-4 | 33 | RFQ | |
| Analog Devices Inc. | IC ADC 24BIT SIGMA-DELTA 64TQFP | 0 | RFQ | |
| Analog Devices Inc. | IC ADC 24BIT SIGMA-DELTA 64TQFP | 0 | RFQ | |
| Analog Devices Inc. | V REF, 6.1-18V, 4.096V, 0.12%, 8SOIC | 0 | RFQ | |
| Analog Devices Inc. | Voltage References 4.096V w/Crnt Sink & Srce Capability | 10 | BUY | |
| Analog Devices Inc. | ANALOG DEVICES AD7762BSVZ Analogue to Digital Converter, 24 bit, 625 kSPS, 2.5 V, 5 V, TQFP | 0 | RFQ | |
| Analog Devices Inc. | ANALOG DEVICES - AD7760BSVZ - ADC, 24BIT, 2.5MSPS, PARALEL, 64TQFP | 0 | RFQ |


Product
Brand
Articles
Tools























