Analog Devices Inc. EVAL-AD7785EBZBOARD EVALUATION FOR AD7785
Description
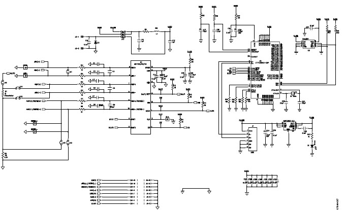
The Analog Devices EVAL-AD7785EBZ is an evaluation board for the AD7785, a 20-bit, 470SPS, 3-channel analog-to-digital converter (ADC) designed for thermocouple, medical, and healthcare applications. It features a wide input range of ±10V, a low noise floor of -90dB, and a high signal-to-noise ratio of 95dB. The board also includes a temperature sensor, a reference voltage, and a power supply. It is designed to be used with the AD7785 evaluation software, which provides a graphical user interface for configuring and testing the ADC. The board is ideal for applications requiring high accuracy and precision, such as medical and healthcare applications.
Specifications
Analog Devices Inc. technical specifications, attributes, parameters and parts with similar specifications to Analog Devices Inc. .
- TypeParameter
- Lifecycle StatusPRODUCTION (Last Updated: 1 month ago)
- Factory Lead Time8 Weeks
- Package / CaseModule
- Number of Pins0
- PackagingBox
- Part StatusActive
- Moisture Sensitivity Level (MSL)1 (Unlimited)
- Max Operating Temperature105°C
- Min Operating Temperature-40°C
- Base Part NumberAD7785
- Operating Supply Voltage5.25V
- InterfaceSPI, Serial
- Number of Bits20
- Utilized IC / PartAD7785
- Supplied ContentsBoard(s), Cable(s)
- Data InterfaceSerial
- Resolution2.5 B
- Sampling Rate470 sps
- Evaluation KitYes
- Sampling Rate (Per Second)470
- Number of A/D Converters1
- Input Range±VREF
- REACH SVHCNo SVHC
- RoHS StatusROHS3 Compliant
- Lead FreeContains Lead
0 Similar Products Remaining
Technical Documents
Associated Products
| Part Number | Manufacturer | Description | Stock | RFQ |
|---|---|---|---|---|
| Analog Devices Inc. | ANALOG DEVICES ADF7024BCPZ RF TRANSCEIVER, 862-928MHZ, LFCSP-32 | 244 | RFQ |


Product
Brand
Articles
Tools












