Analog Devices Inc. EVAL-AD7879-1EBZANALOG DEVICES EVAL-AD7879-1EBZAD7879-1, TOUCH SCREEN, EVAL BOARD
Description
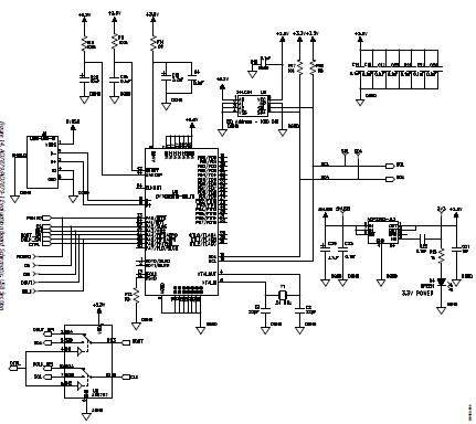
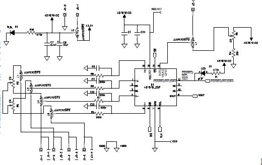
The Analog Devices EVAL-AD7879-1EBZ is an evaluation board for the AD7879 resistive touch screen controller. It is designed for use in consumer electronics applications, such as mobile phones, tablets, and other handheld devices. The board features a 4-wire resistive touch screen interface, a 3.3V power supply, and a USB interface for programming and debugging. It also includes a set of test points for measuring the touch screen signals. The board is designed to be used with the AD7879 controller, which provides a low-power, low-cost solution for resistive touch screen applications.
Specifications
Analog Devices Inc. technical specifications, attributes, parameters and parts with similar specifications to Analog Devices Inc. .
- TypeParameter
- Lifecycle StatusPRODUCTION (Last Updated: 1 week ago)
- Factory Lead Time8 Weeks
- MountCable
- Number of Pins0
- PackagingBulk
- Part StatusActive
- Moisture Sensitivity Level (MSL)1 (Unlimited)
- TypeInterface
- Max Operating Temperature85°C
- Min Operating Temperature-40°C
- Base Part NumberAD7879
- FunctionTouch Screen Controller
- Operating Supply Voltage3.6V
- InterfaceSPI
- Utilized IC / PartAD7879-1
- Supplied ContentsBoard(s), Cable(s), Accessories
- Resolution1.5 B
- Evaluation KitYes
- Primary Attributes4-Wire Resistive
- EmbeddedNo
- Secondary AttributesGraphical User Interface, USB Interface
- REACH SVHCNo SVHC
- Radiation HardeningNo
- RoHS StatusROHS3 Compliant
- Lead FreeContains Lead
0 Similar Products Remaining
Technical Documents
Associated Products
| Part Number | Manufacturer | Description | Stock | RFQ |
|---|---|---|---|---|
| Microchip Technology | 24LC64 Series 64-Kbit (8 K x 8) 400 kHz I2C Serial EEPROM - SOIJ-8 | 0 | RFQ | |
| Microchip Technology | IC EEPROM 64K I2C 400KHZ 8DIP | 0 | RFQ | |
| Analog Devices Inc. | ANALOG DEVICES - AD7879-1ACPZ-500R7 - ADC, 12BIT, 3.6V, 105KSPS, I2C, 16LFCSP | 0 | RFQ | |
| Analog Devices Inc. | Sar Analog To Digital Converter Adc, 12 Bit, 105Ksps, Lfcsp-16, Full Reel | 0 | RFQ | |
| Microchip Technology | EEPROM Serial-I2C 64K-bit 8K x 8 3.3V/5V Automotive 8-Pin MSOP Tube | 0 | RFQ | |
| Microchip Technology | MICROCHIP - 24LC64-I/MS - SERIAL EEPROM, 64KBIT, 400KHZ, MSOP-8 | 0 | RFQ | |
| Microchip Technology | MICROCHIP - 24LC64-E/SN - SERIAL EEPROM, 64KBIT, 400KHZ, SOIC-8 | 0 | BUY | |
| Microchip Technology | 64K 8KX8 2.5V SER EE EXT | 0 | RFQ |


Product
Brand
Articles
Tools



















