Analog Devices Inc. EVAL-ADF7020DBZ3BOARD EVAL ADF7020 433-445MHZ
Description
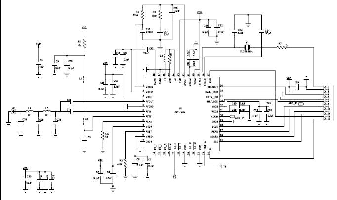
The Analog Devices EVAL-ADF7020DBZ3 Evaluation Board is designed to evaluate the performance of the ADF7020 ISM Band Transceiver. This board is ideal for industrial, scientific, and medical (ISM) applications. It features a wide range of features, including a low-power, low-cost, high-performance transceiver, a wide range of frequency bands, and a wide range of modulation schemes. The board also includes a variety of test points and connectors for easy evaluation and testing. The board is also designed to be compatible with a variety of development tools, including the Analog Devices VisualDSP++ and the Analog Devices ADF7020 Evaluation Kit.
Specifications
Analog Devices Inc. technical specifications, attributes, parameters and parts with similar specifications to Analog Devices Inc. .
- TypeParameter
- Lifecycle StatusPRODUCTION (Last Updated: 1 month ago)
- Factory Lead Time8 Weeks
- Package / CaseModule
- Number of Pins0
- PackagingBulk
- Part StatusActive
- Moisture Sensitivity Level (MSL)1 (Unlimited)
- TypeTransceiver, ASK
- Max Operating Temperature85°C
- Min Operating Temperature-40°C
- Frequency426MHz~445MHz
- Base Part NumberADF7020
- Operating Supply Voltage3.6V
- Supplied ContentsBoard(s), Accessories
- Evaluation KitYes
- REACH SVHCNo SVHC
- Radiation HardeningNo
- RoHS StatusROHS3 Compliant
- Lead FreeContains Lead
0 Similar Products Remaining
Technical Documents
Associated Products
| Part Number | Manufacturer | Description | Stock | RFQ |
|---|---|---|---|---|
| Analog Devices Inc. | ANALOG DEVICES ADF7020BCPZ TRANSCEIVER, ASK/FSK, SMD, LFCSP-48 | 486 | BUY | |
| Analog Devices Inc. | RF Transceiver ASK/FSK 2.5V/3.3V 48-Pin LFCSP EP T/R | 354 | BUY | |
| Analog Devices | RF Transceiver ASK/FSK 2.5V/3.3V 48-Pin LFCSP EP T/R | 0 | RFQ |


Product
Brand
Articles
Tools






