Analog Devices Inc. EVAL-ADM1170EBZANALOG DEVICES EVAL-ADM1170EBZADM1170, HOT SWAP CNTLR, EVAL BOARD
Description
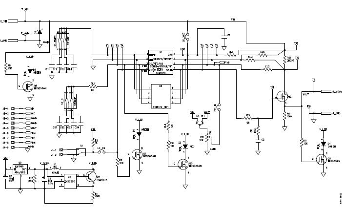
The Analog Devices EVAL-ADM1170EBZ Evaluation Board is designed to allow for easy evaluation of the ADM1170 Industrial System Monitor. This board provides a convenient platform for testing and evaluating the features and performance of the ADM1170. It includes a variety of connectors and jumpers to allow for easy connection to the ADM1170 and other components. The board also includes a power supply and a USB interface for programming and debugging. The EVAL-ADM1170EBZ Evaluation Board is an ideal tool for quickly and easily evaluating the ADM1170 Industrial System Monitor.
Specifications
Analog Devices Inc. technical specifications, attributes, parameters and parts with similar specifications to Analog Devices Inc. .
- TypeParameter
- Lifecycle StatusPRODUCTION (Last Updated: 4 months ago)
- Factory Lead Time8 Weeks
- MountPCB
- Number of Pins0
- Part StatusActive
- Moisture Sensitivity Level (MSL)1 (Unlimited)
- TypePower Management
- Base Part NumberADM1170
- FunctionHot Swap Controller
- Utilized IC / PartADM1170
- Supplied ContentsBoard(s)
- Evaluation KitYes
- REACH SVHCNo SVHC
- Radiation HardeningNo
- RoHS StatusROHS3 Compliant
- Lead FreeContains Lead
0 Similar Products Remaining
Technical Documents
Associated Products
| Part Number | Manufacturer | Description | Stock | RFQ |
|---|---|---|---|---|
| Diodes Incorporated | DIODES INC. ZXSC300E5TA IC, LED DRIVER, SMD, SOT-23-5, 300 | 500 | BUY | |
| Analog Devices Inc. | HOT SWAP CONTROLLER, 1.6V - 16.5V, TSOT-8 - More Details | 0 | RFQ | |
| Texas Instruments | IC REG LIN POS ADJ 1.5A DDPAK | 0 | RFQ | |
| Analog Devices Inc. | IC CTRLR HOTSWAP 16.5V TSOT-23-8 | 0 | RFQ |


Product
Brand
Articles
Tools


















