Linear Technology/Analog Devices DC1243ADEMO BOARD FOR LTC4215-1
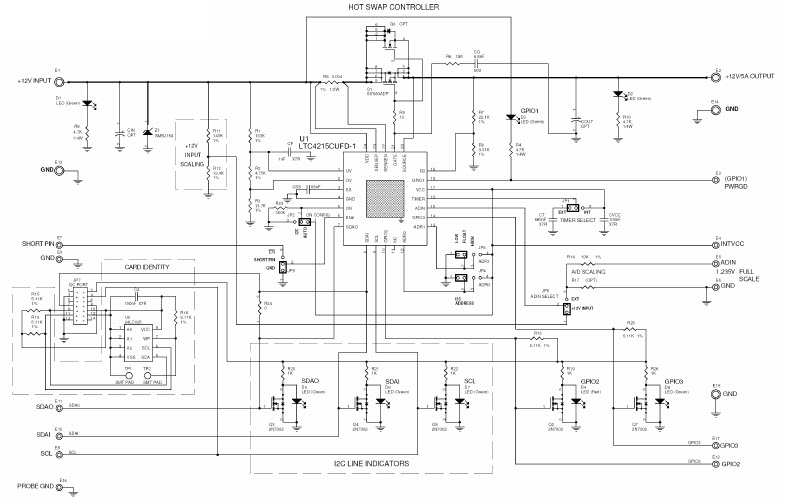
The Analog Devices DC1243A-A, LTC4215-1 Demo Board is a hot-swap controller with advanced features for communications and telecom applications. It features an integrated ADC and three GPIOs for monitoring and controlling power supply voltages. It also includes a communications interface for connecting to external devices. The board is designed to provide a safe and reliable power supply for telecom and communications systems. It is capable of monitoring and controlling power supply voltages, as well as providing protection against over-voltage, over-current, and over-temperature conditions. The board also includes a communications interface for connecting to external devices. The board is designed to provide a safe and reliable power supply for telecom and communications systems.
- TypeParameter
- Lifecycle StatusPRODUCTION (Last Updated: 3 months ago)
- Factory Lead Time8 Weeks
- Number of Pins0
- Published2008
- Part StatusActive
- Moisture Sensitivity Level (MSL)1 (Unlimited)
- TypePower Management
- Base Part NumberLTC4215
- FunctionHot Swap Controller
- Utilized IC / PartLTC4215-1
- Supplied ContentsBoard(s)
- Evaluation KitYes
- Secondary AttributesOn-Board LEDs
- FeaturesI2C
- REACH SVHCNo SVHC
- RoHS StatusROHS3 Compliant
| Part Number | Manufacturer | Description | Stock | RFQ |
|---|---|---|---|---|
| Microchip Technology | EEPROM Serial-I2C 2K-bit 256 x 8 3.3V/5V 8-Pin PDIP Tube | 4520 | BUY | |
| Microchip Technology | IC EEPROM 2K I2C 400KHZ SOT23-6 | 5000 | RFQ | |
| Microchip Technology | IC EEPROM 2KBIT 400KHZ 8TSSOP | 200 | RFQ | |
| Microchip Technology | IC EEPROM 2K I2C 400KHZ SOT23-6 | 9052 | BUY | |
| Microchip Technology | EEPROM Serial-I2C 2K-bit 256 x 8 3.3V/5V 8-Pin MSOP Tube | 1175 | RFQ | |
| Microchip Technology | EEPROM Serial-I2C 2K-bit 256 x 8 3.3V/5V 8-Pin MSOP Tube | 3566 | RFQ | |
| Microchip Technology | EEPROM Serial-I2C 2K-bit 256 x 8 3.3V/5V 8-Pin TSSOP Tube | 27 | RFQ | |
| Microchip Technology | EEPROM Serial-I2C 2K-bit 256 x 8 3.3V/5V 8-Pin TSSOP Tube | 27 | RFQ | |
| Microchip Technology | 24LC025 Series 2 Kb I2C 2 Wire (256 x 8) 2.5 V Serial EEPROM - PDIP-8 | 1652 | BUY | |
| Microchip Technology | EEPROM Serial-I2C 2K-bit 256 x 8 3.3V/5V 8-Pin SOIC N T/R | 27 | RFQ | |
| Microchip Technology | EEPROM Serial-I2C 2K-bit 256 x 8 3.3V/5V 8-Pin TSSOP T/R | 27 | RFQ |


Product
Brand
Articles
Tools















