Linear Technology/Analog Devices DC874ADEMO BOARD FOR LTC4215
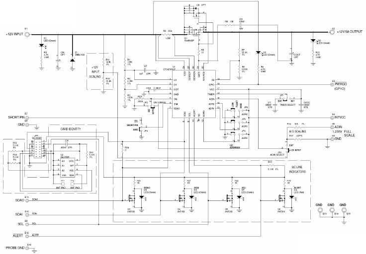
The Analog Devices DC874A-A, DC874A Evaluation Kit is a comprehensive development platform for the LTC4215 Hot-Swap controller with 8-bit ADC and I2C interface. This kit provides a complete solution for evaluating the performance of the LTC4215 Hot-Swap controller, allowing users to quickly and easily test and debug their designs. The kit includes a DC874A-A evaluation board, a DC874A-A power supply board, and a DC874A-A I2C interface board. The evaluation board features an 8-bit ADC, I2C interface, and a variety of other features, such as a power-on reset circuit, a power-on LED, and a power-on switch. The power supply board provides a regulated 5V supply for the evaluation board, and the I2C interface board allows for easy communication between the evaluation board and a host computer. The kit also includes a comprehensive user guide, which provides detailed instructions on how to use the kit and how to evaluate the performance of the LTC4215 Hot-Swap controller.
- TypeParameter
- Lifecycle StatusPRODUCTION (Last Updated: 1 month ago)
- Factory Lead Time8 Weeks
- Number of Pins0
- Published2006
- Part StatusActive
- Moisture Sensitivity Level (MSL)1 (Unlimited)
- TypePower Management
- FunctionHot Swap Controller
- Utilized IC / PartLTC4215
- Supplied ContentsBoard(s)
- Evaluation KitYes
- EmbeddedNo
- Secondary AttributesOn-Board LEDs
- RoHS StatusROHS3 Compliant
| Part Number | Manufacturer | Description | Stock | RFQ |
|---|---|---|---|---|
| Microchip Technology | EEPROM Serial-I2C 2K-bit 256 x 8 3.3V/5V 8-Pin PDIP Tube | 4520 | BUY | |
| Microchip Technology | IC EEPROM 2K I2C 400KHZ 8SOIC | 10000 | RFQ | |
| Microchip Technology | IC EEPROM 2K I2C 400KHZ 8SOIC | 910 | RFQ | |
| Microchip Technology | EEPROM Serial-I2C 2K-bit 256 x 8 3.3V/5V 8-Pin MSOP Tube | 1175 | RFQ | |
| Microchip Technology | EEPROM Serial-I2C 2K-bit 256 x 8 3.3V/5V 8-Pin TSSOP Tube | 27 | RFQ | |
| Microchip Technology | EEPROM Serial-I2C 2K-bit 256 x 8 3.3V/5V 8-Pin PDIP Tube | 0 | RFQ | |
| Microchip Technology | EEPROM Serial-I2C 2K-bit 256 x 8 3.3V/5V 8-Pin MSOP Tube | 619 | RFQ | |
| Microchip Technology | 24LC025 Series 2 Kb I2C 2 Wire (256 x 8) 2.5 V Serial EEPROM - PDIP-8 | 1652 | BUY | |
| Microchip Technology | EEPROM Serial-I2C 2K-bit 256 x 8 3.3V/5V 8-Pin SOIC N T/R | 27 | RFQ | |
| Microchip Technology | EEPROM Serial-I2C 2K-bit 256 x 8 3.3V/5V 8-Pin TDFN EP T/R | 27 | BUY | |
| Microchip Technology | IC EEPROM 2K I2C 400KHZ 8DFN | 35 | RFQ | |
| Microchip Technology | MICROCHIP - 24LC025-I/ST - SERIAL EEPROM, 2KBIT, 400KHZ, TSSOP-8 | 25 | RFQ |


Product
Brand
Articles
Tools


















