Linear Technology/Analog Devices DC998ADEMO BOARD FOR LTC4261
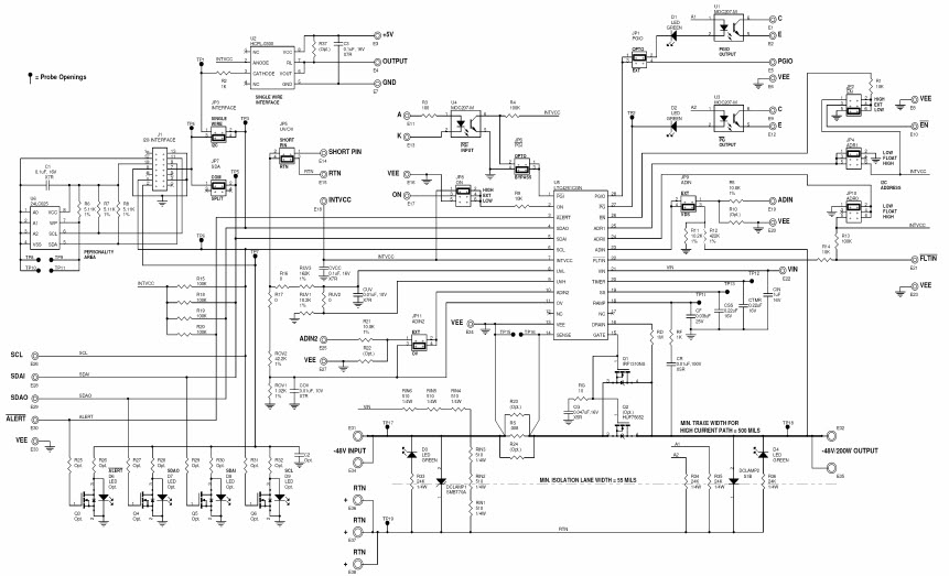
The Analog Devices DC998A-A, LTC4261CGN Demo Board is a Negative Hot-Swap controller with ADC and I2C monitoring, Communications and Telecom. It is designed to provide a safe and reliable way to connect and disconnect power to a system. The board features a LTC4261CGN Negative Hot-Swap controller with an integrated ADC and I2C monitoring, communications and telecom. The board also includes a power supply, a voltage regulator, and a current sense resistor. The board is designed to provide a safe and reliable way to connect and disconnect power to a system. It is ideal for applications such as telecom, communications, and industrial systems. The board is also designed to provide a high level of protection against over-voltage, over-current, and short-circuit conditions.
- TypeParameter
- Lifecycle StatusPRODUCTION (Last Updated: 3 weeks ago)
- Factory Lead Time8 Weeks
- Number of Pins0
- Published2006
- Part StatusActive
- Moisture Sensitivity Level (MSL)1 (Unlimited)
- TypePower Management
- Base Part NumberLTC4261
- FunctionHot Swap Controller
- Utilized IC / PartLTC4261
- Supplied ContentsBoard(s)
- Evaluation KitYes
- EmbeddedNo
- Secondary AttributesOn-Board LEDs
- RoHS StatusROHS3 Compliant
| Part Number | Manufacturer | Description | Stock | RFQ |
|---|---|---|---|---|
| Microchip Technology | IC EEPROM 2K I2C 400KHZ 8SOIC | 10000 | RFQ | |
| Microchip Technology | 24LC025 Series 2 Kb I2C 2 Wire (256 x 8) 2.5 V Serial EEPROM SMT - SOIC-8 | 14 | BUY | |
| Microchip Technology | IC EEPROM 2K I2C 400KHZ 8TSSOP | 0 | RFQ | |
| Microchip Technology | Microchip 24LC025-I/SN Serial EEPROM Memory; 2kbit; 1000ns; 2.5 to 5.5V 8-Pin SOIC | 2 | BUY | |
| Microchip Technology | EEPROM Serial-I2C 2K-bit 256 x 8 3.3V/5V 8-Pin PDIP Tube | 0 | RFQ | |
| Microchip Technology | EEPROM Serial-I2C 2K-bit 256 x 8 3.3V/5V 8-Pin MSOP Tube | 619 | RFQ | |
| Microchip Technology | EEPROM Serial-I2C 2K-bit 256 x 8 3.3V/5V 8-Pin MSOP T/R | 27 | RFQ | |
| Microchip Technology | EEPROM Serial-I2C 2K-bit 256 x 8 3.3V/5V 8-Pin SOIC N T/R | 27 | RFQ | |
| Microchip Technology | EEPROM Serial-I2C 2K-bit 256 x 8 3.3V/5V 8-Pin TSSOP T/R | 27 | RFQ | |
| Microchip Technology | IC EEPROM 2K I2C 400KHZ 8TDFN | 0 | RFQ | |
| Microchip Technology | IC EEPROM 2K I2C 400KHZ 8DFN | 35 | RFQ |


Product
Brand
Articles
Tools

















