Linear Technology/Analog Devices DC116A-ALTC1421CSW DEMO BOARD: TWO POSIT
Description
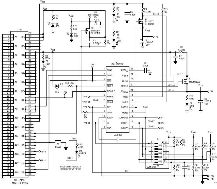
The Analog Devices DC116A-A, LTC1421CSW Demo Board is a hot-swap power sequencing circuit designed to provide reliable power sequencing for communications and telecom applications. It features a low-power, low-voltage, low-noise, and low-cost design that is ideal for powering up and down multiple devices in a system. The board includes a LTC1421CSW Hot-Swap controller, which provides a simple and reliable way to sequence power up and down in a system. The board also includes a communications and telecom interface, allowing for easy integration into existing systems. The board is designed to provide a safe and reliable power sequencing solution for communications and telecom applications.
Specifications
Linear Technology/Analog Devices technical specifications, attributes, parameters and parts with similar specifications to Linear Technology/Analog Devices .
- TypeParameter
- Factory Lead Time8 Weeks
- Part StatusActive
- Moisture Sensitivity Level (MSL)1 (Unlimited)
- TypePower Management
- FunctionHot Swap Controller
- Utilized IC / PartLTC1421
- Supplied ContentsBoard(s)
- Secondary AttributesOn-Board LEDs, Test Points
- RoHS StatusROHS3 Compliant
0 Similar Products Remaining
Technical Documents
Associated Products
| Part Number | Manufacturer | Description | Stock | RFQ |
|---|---|---|---|---|
| APEM Inc. | SWITCH TACTILE SPST-NO 0.05A 12V | 614 | BUY | |
| APEM Inc. | Switch DIP OFF ON SPST 8 Recessed Slide 0.025A 24VDC Gull Wing 2000Cycles/SwitchCycles 2.54mm SMD T/R | 248 | BUY | |
| APEM Inc. | SWITCH TACTILE SPST-NO 0.05A 12V | 445 | BUY | |
| APEM Inc. | SWITCH SLIDE DIP SPST 25MA 24V | 1050 | BUY |


Product
Brand
Articles
Tools











