Analog Devices Inc. EVAL-ADM3050EEBZADM3050E EVALUATION BOARD
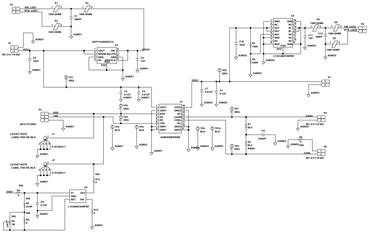
The Analog Devices EVAL-ADM3050EEBZ Evaluation Board is designed to evaluate the performance of the ADM3050E 5.7kV rms, Signal Isolated, Basic CAN FD Transceiver for industrial automation applications. This evaluation board features a wide range of features, including a CAN FD transceiver, a CAN FD transceiver with a 5.7kV rms signal isolation, a CAN FD transceiver with a 5.7kV rms signal isolation and a CAN FD transceiver with a 5.7kV rms signal isolation and a CAN FD transceiver with a 5.7kV rms signal isolation and a CAN FD transceiver with a 5.7kV rms signal isolation and a CAN FD transceiver with a 5.7kV rms signal isolation and a CAN FD transceiver with a 5.7kV rms signal isolation and a CAN FD transceiver with a 5.7kV rms signal isolation and a CAN FD transceiver with a 5.7kV rms signal isolation and a CAN FD transceiver with a 5.7kV rms signal isolation and a CAN FD transceiver with a 5.7kV rms signal isolation and a CAN FD transceiver with a 5.7kV rms signal isolation and a CAN FD transceiver with a 5.7kV rms signal isolation and a CAN FD transceiver with a 5.7kV rms signal isolation and a CAN FD transceiver with a 5.7kV rms signal isolation and a CAN FD transceiver with a 5.7kV rms signal isolation and a CAN FD transceiver with a 5.7kV rms signal isolation and a CAN FD transceiver with a 5.7kV rms signal isolation and a CAN FD transceiver with a 5.7kV rms signal isolation and a CAN FD
- TypeParameter
- Factory Lead Time8 Weeks
- SeriesIsoPower®, iCoupler®
- Part StatusActive
- Moisture Sensitivity Level (MSL)1 (Unlimited)
- TypeInterface
- FunctionCANbus
- Utilized IC / PartADM3050E
- Supplied ContentsBoard(s)
- Primary AttributesIsolated
- RoHS StatusROHS3 Compliant
| Part Number | Manufacturer | Description | Stock | RFQ |
|---|---|---|---|---|
| Analog Devices Inc. | IC COMPARATOR PECL DUAL 20-QSOP | 68 | RFQ | |
| Analog Devices Inc. | IC COMPARATOR PECL DUAL 20QSOP | 1000 | RFQ |


Product
Brand
Articles
Tools
















