Analog Devices Inc. EVAL-ADT7420FBZANALOG DEVICES EVAL-ADT7420FBZADT7420FBZ EVALUATION MODULE
Description
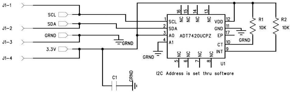
The Analog Devices EVAL-ADT7420FBZ is a Flex Evaluation Board designed for evaluating the ADT7420 Temperature Sensor. This board is ideal for instrumentation and measurement applications, providing a convenient platform for testing and evaluating the ADT7420. It features a wide temperature range of -40°C to +125°C, a resolution of 0.0625°C, and a high accuracy of ±0.5°C. The board also includes a USB interface for easy connection to a PC, and a graphical user interface for easy configuration and data logging. The EVAL-ADT7420FBZ is a great tool for quickly and accurately testing and evaluating the ADT7420 Temperature Sensor.
Specifications
Analog Devices Inc. technical specifications, attributes, parameters and parts with similar specifications to Analog Devices Inc. .
- TypeParameter
- Lifecycle StatusPRODUCTION (Last Updated: 1 month ago)
- Package / CaseModule
- Number of Pins0
- PackagingBox
- Part StatusObsolete
- Moisture Sensitivity Level (MSL)1 (Unlimited)
- Max Operating Temperature150°C
- Min Operating Temperature-40°C
- Voltage - Supply2.7V~5.5V
- Base Part NumberADT742
- Operating Supply Voltage5.5V
- InterfaceI2C
- Utilized IC / PartADT7420
- Supplied ContentsBoard(s)
- Resolution2 B
- Evaluation KitYes
- Sensor TypeTemperature
- Sensitivity±0.25°C
- Sensing Range-40°C ~ 150°C
- FeaturesI2C
- REACH SVHCNo SVHC
- RoHS StatusROHS3 Compliant
- Lead FreeContains Lead
0 Similar Products Remaining
Technical Documents


Product
Brand
Articles
Tools












