Analog Devices Inc. EVAL-SSM3582ZEVAL BOARD FOR SSM3582Z
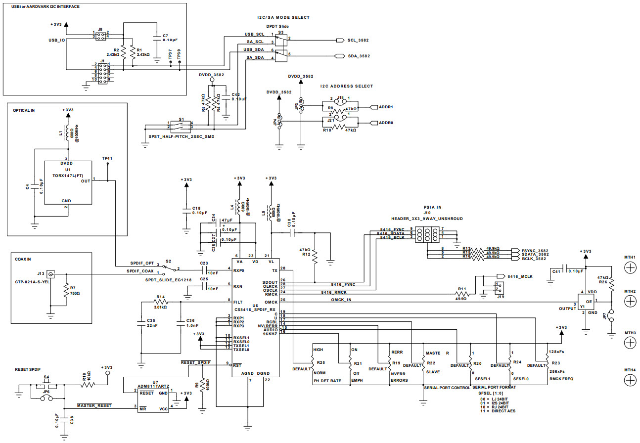
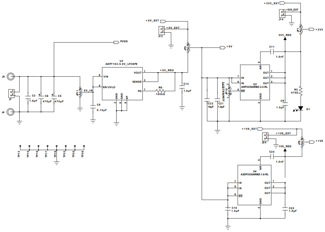
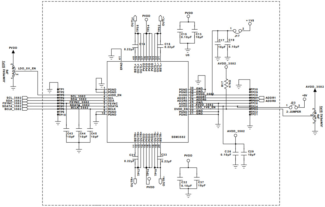
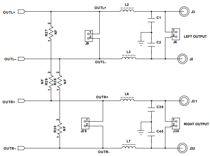
The Analog Devices EVAL-SSM3582Z Evaluation Kit is designed to evaluate the performance of the SSM3582/SSM3582A 2x, 31.76 W, Digital Input, Filterless Stereo Class-D Audio Amplifier. This amplifier is ideal for use in communications and telecom applications, providing high-quality audio output with low distortion and low power consumption. The evaluation kit includes a printed circuit board, a power supply, and a set of cables and connectors for easy setup and evaluation. The kit also includes a comprehensive user guide and software for configuring the amplifier and monitoring its performance. With its high-performance features and easy setup, the EVAL-SSM3582Z Evaluation Kit is the perfect solution for evaluating the SSM3582/SSM3582A amplifier for communications and telecom applications.
- TypeParameter
- Lifecycle StatusPRODUCTION (Last Updated: 4 weeks ago)
- Factory Lead Time8 Weeks
- Number of Pins0
- PackagingBox
- Part StatusActive
- Moisture Sensitivity Level (MSL)1 (Unlimited)
- Voltage - Supply4.5V~16V
- Base Part NumberSSM3582
- Output Type2-Channel (Stereo)
- Amplifier TypeClass D
- Utilized IC / PartSSM3582
- Supplied ContentsBoard(s), Cable(s)
- Evaluation KitYes
- Max Output Power31.76W
- Board TypeFully Populated
- Max Output Power x Channels @ Load31.76W x 2 @ 4Ohm
- REACH SVHCNo SVHC
- RoHS StatusROHS3 Compliant
- Lead FreeContains Lead


Product
Brand
Articles
Tools





















